电脑桌面
添加小米粒文库到电脑桌面
安装后可以在桌面快捷访问

电缆的持续容许电流查询表

电缆的持续容许电流查询表_第1页
1/8
电缆的持续容许电流查询表_第2页
2/8
电缆的持续容许电流查询表_第3页
3/8
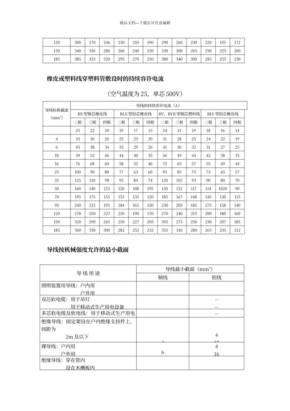
精品文档---下载后可任意编辑一、电缆的持续容许电流查询表 橡皮或塑料线明设在绝缘支柱上时的持续容许电流(空气温度为 25,单芯 500V)导线标称截面(mm2)导线的持续容许电流(A)BX 型铜芯橡皮线BLX 型铝芯橡皮线BV、BVR 型铜芯塑料线BLV 型铝芯橡皮线18--16--121--19--271924183527322544535423265845554210856575591611085105802514511013810535180138170130502301752151657028522026520595345265325250120400310375285150470360430325185540420490380240660610 橡皮或塑料线穿铁管敷设时的持续容许电流(空气温度为 25,单芯 500V)导线标称截面(mm2)导线的持续容许电流(A)BX 型铜芯橡皮线BLX 型铝芯橡皮线BV、BVR 型铜芯塑料线BLV 型铝芯橡皮线二根三根四根二根三根四根二根三根四根二根三根四根282523211916262422201815437333028252335312827242264943393734304741373532281068605352464065575040443816867769665952827365635650251131009086766810795858070653514012211010694831331151051009080501751541371331131051651461301251101007021519317316515013320518316515514312795260235210200180160250225200190170152精品文档---下载后可任意编辑120300270246230210190290260230220195172150340310280260240220330300265250225200185385355320295270250380340300285255230 橡皮或塑料线穿塑料管敷设时的持续容许电流(空气温度为 25,单芯 500V)导线标称截面(mm2)导线的持续容许电流(A)BX 型铜芯橡皮线BLX 型铝芯橡皮线BV、BVR 型铜芯塑料线BLV 型铝芯橡皮线二根三根四根二根三根四根二根三根四根二根三根四根252220191715242119181614433302625232031282524221964338343329264136323127251059524644403556494442383316766860585246726557554944251009080776360958575736557351251109895847412010593908070501601401231201081951501321171141020907019517515515313512018516714814513011595240215195184165150230205185175158140120278250227210190170270240215200180160150320290265250227205305275250230207185185360330300282252232355310280265235212 导线按机械强度允许的最小截面导 线 用 途导线最小截面(mm2)铜线铝线照明装置用导线:户内用户外用双芯软电缆:用于吊灯用于移动式生产用电设备----多芯软电缆及软电线:用于移动式生产用电设备--绝缘导线:固定架设在户内绝缘支持件上,间距...

1、当您付费下载文档后,您只拥有了使用权限,并不意味着购买了版权,文档只能用于自身使用,不得用于其他商业用途(如 [转卖]进行直接盈利或[编辑后售卖]进行间接盈利)。
2、本站所有内容均由合作方或网友上传,本站不对文档的完整性、权威性及其观点立场正确性做任何保证或承诺!文档内容仅供研究参考,付费前请自行鉴别。
3、如文档内容存在违规,或者侵犯商业秘密、侵犯著作权等,请点击“违规举报”。

碎片内容

电缆的持续容许电流查询表

您可能关注的文档

人从众+ 关注
实名认证
内容提供者

欢迎光临小店,本店以公文和教育为主,希望符合您的需求。

相关文档

确认删除?
VIP
微信客服
  • 扫码咨询
会员Q群
  • 会员专属群点击这里加入QQ群
客服邮箱
回到顶部