电脑桌面
添加小米粒文库到电脑桌面
安装后可以在桌面快捷访问

机械原理课程设计——压片成型机

机械原理课程设计——压片成型机_第1页
1/17
机械原理课程设计——压片成型机_第2页
2/17
机械原理课程设计——压片成型机_第3页
3/17
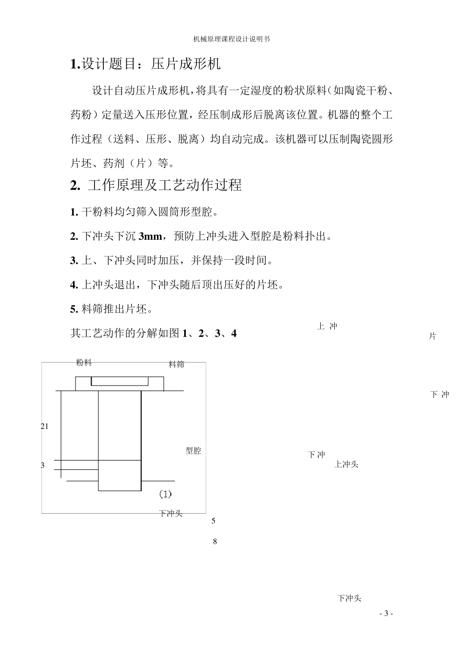
机械原理课程设计 说明书 设计题目:压片成形机 学院:汽车与交通学院 班级:车辆 1 0 2 姓名:x x x 学号: 指导老师:*** 机械原理课程设计说明书 - 2 - 目录 1 .设计题目 …………………………… 1 2 .工作原理及工艺动作过程 ………… 3 3 .设计原始数据及设计要求 ………… 4 4 .功能分解及机构选用………………… 5 5 .重要机构方案评估及数据 …………………1 0 6.总设计方案图及各执行机构的尺寸计算……1 3 7 .心得体会……………………………… 1 5 8 .参考书目………………………………1 5 机械原理课程设计说明书 - 3 - 1.设计题目:压片成形机 设计自动压片成形机,将具有一定湿度的粉状原料(如陶瓷干粉、药粉)定量送入压形位置,经压制成形后脱离该位置。机器的整个工作过程(送料、压形、脱离)均自动完成。该机器可以压制陶瓷圆形片坯、药剂(片)等。 2. 工作原理及工艺动作过程 1. 干粉料均匀筛入圆筒形型腔。 2. 下冲头下沉 3m m ,预防上冲头进入型腔是粉料扑出。 3. 上、下冲头同时加压,并保持一段时间。 4. 上冲头退出,下冲头随后顶出压好的片坯。 5. 料筛推出片坯。 其工艺动作的分解如图 1、2、3、4 料筛 型腔 下冲头 粉料 2 1 3 下 冲上 冲5 下冲头 上冲头 8 片下 冲机械原理课程设计说明书 - 4 - 3 .设计原始数据及设计要求 1、.压片成形机设计数据 电动机转速/(r/min):1450; 生产率/(片/min):10; 冲头压力/N:150 000; 机器运转不均匀系数/δ:0.10; 2、上冲头、下冲头、送料筛的设计要求: 1).上冲头完成往复直移运动(铅锤上下),下移至终点后有短时间的停歇,起保压作用,保压时间为 0.4 秒左右。因冲头上升后要留有料筛进入的空间,故冲头行程为 90 ~ 100mm 。因冲头压力较大,因而加压机构应有增力功能(如图 1.2a )。 (2).下冲头先下沉 3mm ,然后上升 8mm ,加压后停歇保压,继而上升 16mm ,将成型片坯顶到与台面平齐后停歇,待料筛将片坯推离冲头后,再下移 21mm ,到待料位置(如图 1.2b )。 (3).料筛在模具型腔上方往复振动筛料,然后向左退回。待批料成型并被推出型腔后,料筛在台面上右移约 85~90mm ,推卸片坯(如图 1.2c) 机械原理课程设计说明书 - 5 - 图1.2 φ φ φ 机械原理课程设计说明书 - 6 - 4 .功能分解及机构选用 该干粉压片机通...

1、当您付费下载文档后,您只拥有了使用权限,并不意味着购买了版权,文档只能用于自身使用,不得用于其他商业用途(如 [转卖]进行直接盈利或[编辑后售卖]进行间接盈利)。
2、本站所有内容均由合作方或网友上传,本站不对文档的完整性、权威性及其观点立场正确性做任何保证或承诺!文档内容仅供研究参考,付费前请自行鉴别。
3、如文档内容存在违规,或者侵犯商业秘密、侵犯著作权等,请点击“违规举报”。

碎片内容

机械原理课程设计——压片成型机

小辰7+ 关注
实名认证
内容提供者

出售各种资料和文档

确认删除?
VIP
微信客服
  • 扫码咨询
会员Q群
  • 会员专属群点击这里加入QQ群
客服邮箱
回到顶部