电脑桌面
添加小米粒文库到电脑桌面
安装后可以在桌面快捷访问

杂物电梯安装过程记录

杂物电梯安装过程记录_第1页
1/9
杂物电梯安装过程记录_第2页
2/9
杂物电梯安装过程记录_第3页
3/9
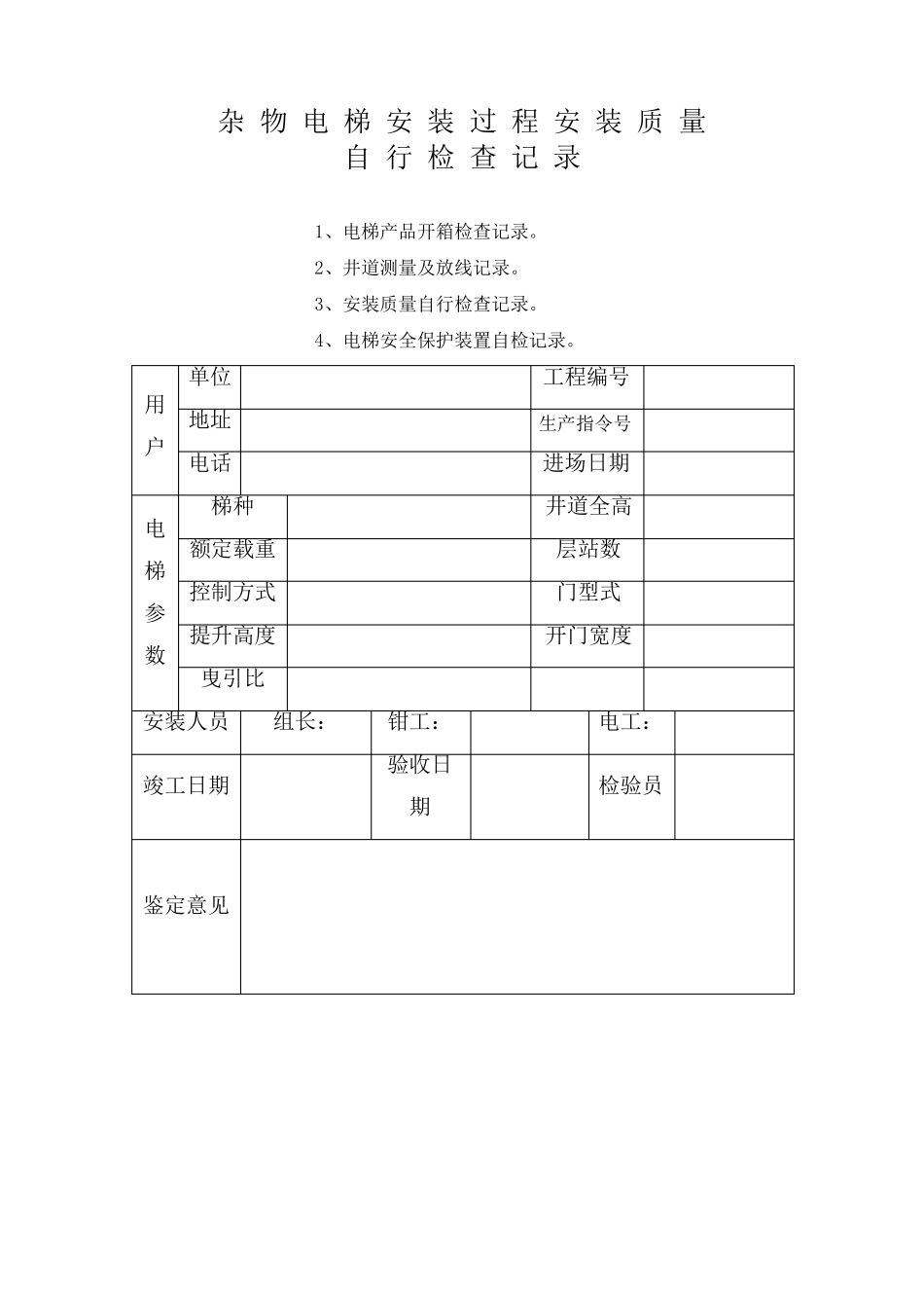
杂 物 电 梯 安 装 过 程 安 装 质 量 自 行 检 查 记 录 1、电梯产品开箱检查记录。 2、井道测量及放线记录。 3、安装质量自行检查记录。 4、电梯安全保护装置自检记录。 用 户 单位 工程编号 地址 生产指令号 电话 进场日期 电梯参数 梯种 井道全高 额定载重 层站数 控制方式 门型式 提升高度 开门宽度 曳引比 安装人员 组长: 钳工: 电工: 竣工日期 验收日期 检验员 鉴定意见 2 安装质量自检记录 填表人: 日期: 序号 项目 技 术 内 容 技术条件 检验情况 备 注 自检 互检 一 机房设备 1、承重梁埋入承重墙内超过中心线 ≥20 2、承重梁埋入承重墙内深度 ≥75 3、承重梁两端必须用混凝土可靠固定。 200 1︰3︰5 混凝土、水泥425 号以上 4、抱闸间隙。 ≤0.7 上下左右测量不少于8 个点计 5、抱闸抱合时,紧密均匀,松开是动一致。 是 须全部合格 6、导向轮与曳引轮二端面的平行度公差。 ≤±1 7、导向轮的垂直度公差。 ≤0.5 8、曳引轮的位置偏差。 前后≤±2 左右≤±1 9、曳引轮的垂直度公差。 ≤0.5 10、曳引机减速箱内的润滑油质。 齿轮油 30# SYB1103----62S 11、曳引机减速箱内油位。 油标中线 12、曳引机、限速器上各轴承油杯及油量。 齐全充足 13、电动机轴承位内的润滑油质。 机械油 30# GB443----64 14、电动机轴承位内的油位。 油标中线 15、限速器绳轮的垂直度公差。 ≤0.5 16、限速器绳索至导轨的距离(两个方向)的偏差。 ≤±5 17、限速器绳索在电梯运行时不应触及夹绳钳。 是 18、限速器张紧装置底面距底坑地平面的距离。 见备注栏 梯速 距离 0.25-1m/s 400 ±50 1.5— 1.75m/s 550±50 19、抱闸松闸器应挂 在机房墙上。 是 20、曳引机飞 轮上应标出 电梯上下行转 向。 是 3 序 号 项 目 技 术 内 容 技术条件 实际情况 备 注 自检 互检 二 导轨 设 备 1、导轨架距离。 ≤1.5-1.6 米 填写最大间距 2、导轨架预留孔线凿孔尺寸及形状。 见备注栏 外:200×200 内:240 ×240 深 150(对钢 筋混凝土墙,应将工 脚螺栓与钢筋焊接) 3、导轨架的水平度公差。 ≤5 4、直埋式导轨架的埋入深度。 ≥120 5、螺栓固定式导轨架的地脚螺栓埋入深度。 ≥120 6、导轨架的焊接应为双面焊。 是 7、所有焊缝应除焊渣后涂防锈漆。 是 8、导轨顶端距楼板间隙。...

1、当您付费下载文档后,您只拥有了使用权限,并不意味着购买了版权,文档只能用于自身使用,不得用于其他商业用途(如 [转卖]进行直接盈利或[编辑后售卖]进行间接盈利)。
2、本站所有内容均由合作方或网友上传,本站不对文档的完整性、权威性及其观点立场正确性做任何保证或承诺!文档内容仅供研究参考,付费前请自行鉴别。
3、如文档内容存在违规,或者侵犯商业秘密、侵犯著作权等,请点击“违规举报”。

碎片内容

杂物电梯安装过程记录

您可能关注的文档

确认删除?
VIP
微信客服
  • 扫码咨询
会员Q群
  • 会员专属群点击这里加入QQ群
客服邮箱
回到顶部