电脑桌面
添加小米粒文库到电脑桌面
安装后可以在桌面快捷访问

(完整word版)钢雨棚计算书

(完整word版)钢雨棚计算书_第1页
1/8
(完整word版)钢雨棚计算书_第2页
2/8
(完整word版)钢雨棚计算书_第3页
3/8
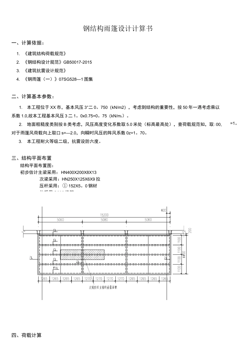
=1。钢结构雨篷设计计算书一、计算依据:1. 《建筑结构荷载规范》2. 《钢结构设计规范》GB50017-20153. 《建筑抗震设计规范》4. 《钢雨篷(一)》07SG528—1 图集二、计算基本参数:1.本工程位于 XX 市,基本风压 3°二 0。750(kN/m2),考虑到结构的重要性,按 50 年一遇考虑乘以系数 1.0,故本工程基本风压 3 二 1。0x0.75=0。75(kN/m2)。2.地面粗糙度类别按 B 类考虑,风压高度变化系数取 5.0 米处(标高最高处),查荷载规范知,取:00,对于雨篷风荷载向上取口 s=—2.0,向瞬时风压的阵风系数 0z=1。70。3.本工程耐火等级二级,抗震设防六度。三、结构平面布置四、荷载计算结构平面布置图:初步估计主梁采用:HN400X200X8X13次梁采用:HN250X125X6X9 拉压杆采用:① 152X5。0 钢材均采用 Q235 级钢1、风荷载垂直于雨篷平面上的风荷载标准值,按下列公式(1.1)计算:Wk 二 zszWo(1。1)式中:Wk——风荷载标准值(kN/m2);z——瞬时风压的阵风系数;0z=1。70s——风荷载体型系数;参照 07GSG528-1 图集说明 5.1。4 条,向上取口 s=-2。0,向下取口 s=1。0。z 风荷载高度变化系数;按《建筑结构荷载规范》GB5009-2012 取值口 z=1.0;Wo基本风压(kN/m2),查荷载规范,北海市风压取 Wo=0.750(kN/m2)正风:Wk+=1.70X1.0X1o0X0。75 二 1。28kN/m2负风:Wk-=1.70X—(2。0)X1o0X0o75 二一 2.55kN/m2简化为作用在主梁上的集中荷载,荷载作用面积 A=5.08X1。1=5o59正风时,W=1o28X5.59=7。12kN/mk1负风时,W=-2o55X5o59 二-14。25kN/mk22、恒荷载07GSG528-1 图集说明 5。1.1 条,正风时,雨篷玻璃永久荷载 0.8kN/m2,负风时取 0。3kN/m2。简化为作用在主梁上的集中荷载,荷载作用面积 A=5.08X1.1=5.59正风时的雨篷玻璃永久荷载:0。8X5o59=4o47KN/m负风时的雨篷玻璃永久荷载:0。3X5.59=1。68KN/m次梁 HN250X125X6X9,每米重 29.7kg,自重 g=0.30KN/m。简化成在主梁上的集中荷载,次 1G=0o30X5.08=2.53KN/m次主梁 HN400X200X8X13,每米重 66kg,自重 g=0.66KN/m。主正风时恒载的集中荷载 G1=2o53+4o47=7o00KN负风时恒载的集中荷载 G2=2.53+1。68=4.21KN3、活荷载07GSG528-1 图集说明 5.1.2 条,钢雨篷活荷载标准值取 0。5kN/m2简化为作用在主梁上的集中荷载,荷载作用面积 A=5o59m2Q=0.5X5.59=2。80KN/m雨篷活荷载考虑满跨布置。4、施工或检修荷载 Sq2施工或检修荷载标准值为 ...

1、当您付费下载文档后,您只拥有了使用权限,并不意味着购买了版权,文档只能用于自身使用,不得用于其他商业用途(如 [转卖]进行直接盈利或[编辑后售卖]进行间接盈利)。
2、本站所有内容均由合作方或网友上传,本站不对文档的完整性、权威性及其观点立场正确性做任何保证或承诺!文档内容仅供研究参考,付费前请自行鉴别。
3、如文档内容存在违规,或者侵犯商业秘密、侵犯著作权等,请点击“违规举报”。

碎片内容

(完整word版)钢雨棚计算书

wxg+ 关注
实名认证
内容提供者

该用户很懒,什么也没介绍

确认删除?
VIP
微信客服
  • 扫码咨询
会员Q群
  • 会员专属群点击这里加入QQ群
客服邮箱
回到顶部