电脑桌面
添加小米粒文库到电脑桌面
安装后可以在桌面快捷访问

电子新技术实训室建设方案(2011.3.22)

电子新技术实训室建设方案(2011.3.22)_第1页
1/9
电子新技术实训室建设方案(2011.3.22)_第2页
2/9
电子新技术实训室建设方案(2011.3.22)_第3页
3/9
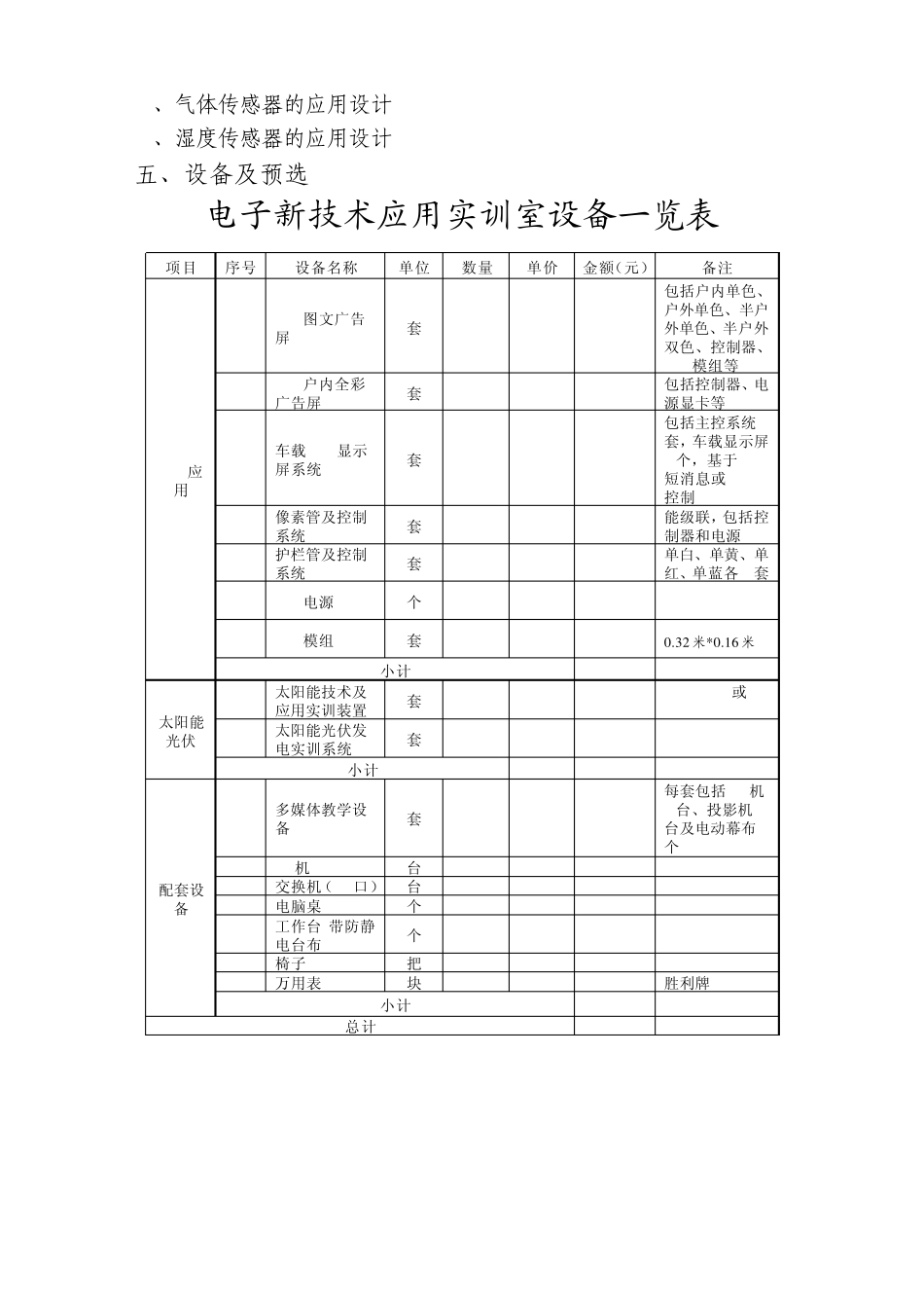
电子新技术应用实训室建设方案 一、建设的意义 目前,电子技术的发展日新月异,太阳能光伏发电、LED应用等绿色和环保能源新技术方兴未艾。特别是在哥本哈根会议后,我国公布了 2020年降低二氧化碳排放的目标,到 2020年,单位国内生产总值二氧化碳排放比 2005年下降40%-45%,要实现这一目标,上述绿色能源技术及应用必将在我国得到空前的重视和发展;另外 LED在广告领域的应用也已经成为市场主流,潜力巨大。随着国家政策的支持和倾斜,上述产品及应用市场对太阳能光伏发电、LED产品生产、技术应用等领域的人才需求在未来几年会大幅上升,前景广阔。 2.为了紧贴社会实际,顺应社会对电子新技术应用人才的需求,在 2009年底对我院电子信息类专业的人才培养方案的修订中,把新型电子应用技术作为一项重要内容增加到有关专业中,并在这些专业中开设了相关课程。 二.建设思路 实训室建成后将是一个功能比较齐全、技术比较先进的电子新技术实训室,它涵盖当今新能源技术、传感器技术等应用领域,适用于电子信息工程技术、应用电子技术、电气自动化、广告设计与制作等专业,为上述专业的实训、实习及技能培训提供良好的实训平台,培养学生在太阳能光伏应用(太阳能发电、太阳能照明等)、LED应用(广告、路灯、照明)、信号检测与处理等领域的工程设计、工程施工和维护、产品维修等专业技能与能力;同时还可为校内外 LED大屏幕广告、LED照明、太阳能发电、太阳能照明等相关工程提供从方案设计、设备选型、安装调试、人员培训等的技术支持。 考虑实际情况,配合水利部示范高职院校的建设工作,该实训室拟新上 LED显示屏训练设备 10套及相关散件和配套设备、太阳能光伏发电训练设备 5套、工业传感器若干以及 PC机、多媒体教学设备、桌椅等配套设备。实训室建成后,可同时供 40人进行实训,基本满足相关课程的实训教学需求。 三.场地要求 LED应用需要一个单独的实训室(3间),太阳能光伏发电系统应用需要一个单独的实训室(3间),需要三相和单相电源。 四.拟开设的训练项目 (一)LED应用拟开设的实训项目 1、LED图文广告条屏控制 2、LED全彩屏控制 3、车载 LED文字屏控制 4、车载 LED文字屏通信 5、像素管控制 6、护栏管控制 7、LED发光字控制 8、LED电源特性 9、LED控制软件使用 (二)太阳能光伏拟开设的实训项目 1、太阳能光伏发电系统认知 2、太阳能电池应用与设计 3、太阳能路灯原理及应用 4、太阳能路灯控...

1、当您付费下载文档后,您只拥有了使用权限,并不意味着购买了版权,文档只能用于自身使用,不得用于其他商业用途(如 [转卖]进行直接盈利或[编辑后售卖]进行间接盈利)。
2、本站所有内容均由合作方或网友上传,本站不对文档的完整性、权威性及其观点立场正确性做任何保证或承诺!文档内容仅供研究参考,付费前请自行鉴别。
3、如文档内容存在违规,或者侵犯商业秘密、侵犯著作权等,请点击“违规举报”。

碎片内容

电子新技术实训室建设方案(2011.3.22)

确认删除?
VIP
微信客服
  • 扫码咨询
会员Q群
  • 会员专属群点击这里加入QQ群
客服邮箱
回到顶部