电脑桌面
添加小米粒文库到电脑桌面
安装后可以在桌面快捷访问

电气设备常用文字符号—基本文字符

电气设备常用文字符号—基本文字符_第1页
1/6
电气设备常用文字符号—基本文字符_第2页
2/6
电气设备常用文字符号—基本文字符_第3页
3/6
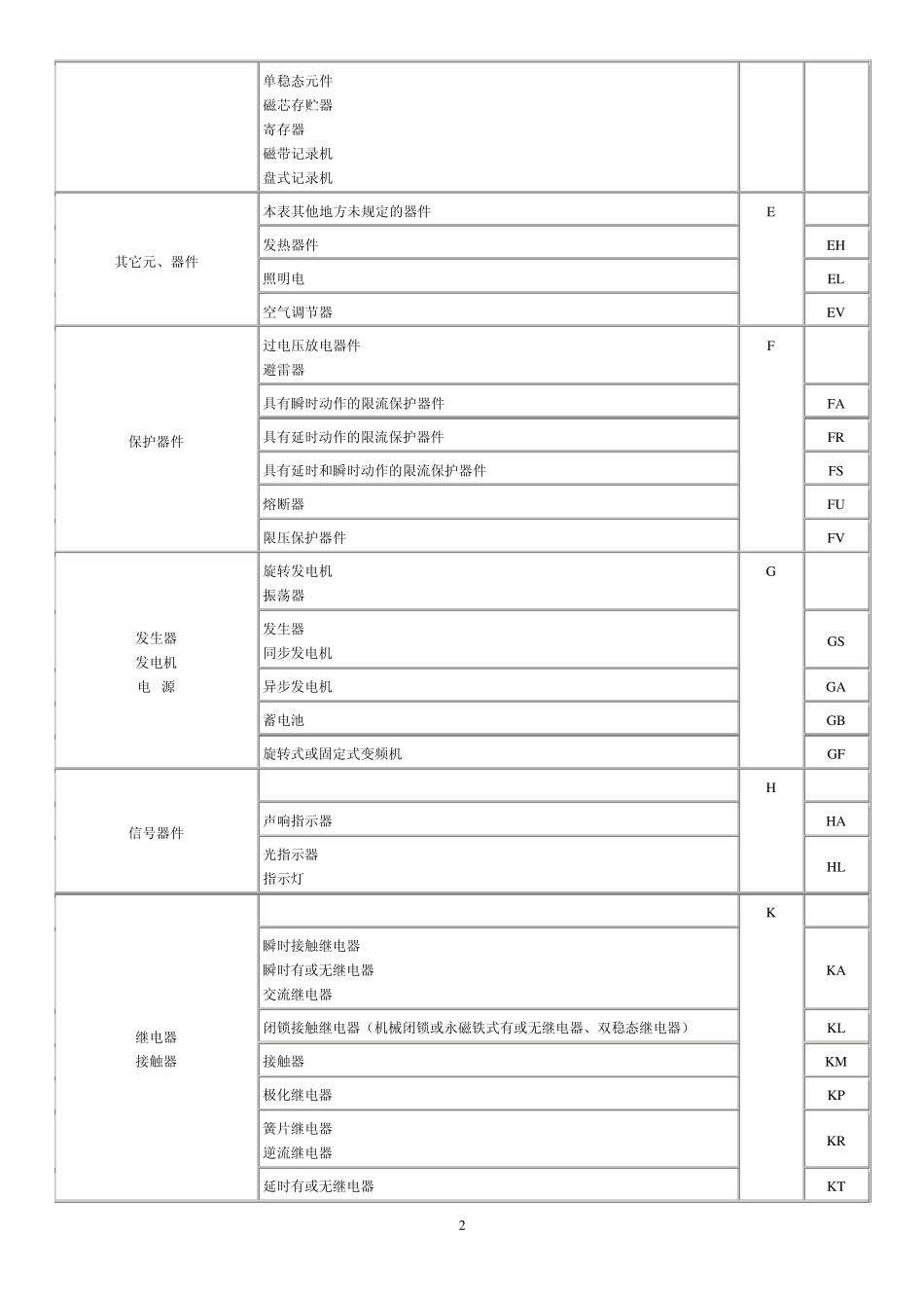
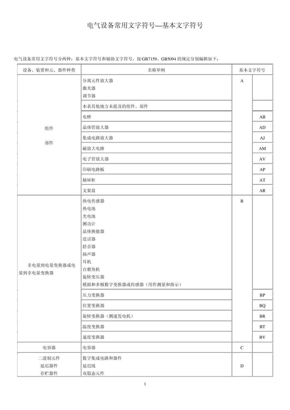
1 电气设备常用文字符号—基本文字符号 电气设备常用文字符号分两种:基本文字符号和辅助文字符号,按GB7159、GB5094 的规定分别编辑如下: 设备、装置和元、器件种类 名称举例 基本文字符号 组件 部件 分离元件放大器 激光器 调节器 A 本表其他地方未提及的组件、部件 电桥 AB 晶体管放大器 AD 集成电路放大器 AJ 磁放大电路 AM 电子管放大器 AV 印刷电路板 AP 抽屉柜 AT 支架盘 AR 非电量到电量变换器或电量到非电量变换器 热电传感器 热电池 光电池 测功计 晶体换能器 送话器 拾音器 扬声器 耳机 自整角机 旋转变压器 模拟和多极数字变换器或传感器(用作测量和指示) B 压力变换器 BP 位置变换器 BQ 旋转变换器(测速发电机) BR 温度变换器 BT 速度变换器 BV 电容器 电容器 C 二进制元件 延迟器件 存贮器件 数字集成电路和器件 延迟线 双稳态元件 D 2 单稳态元件 磁芯存贮器 寄存器 磁带记录机 盘式记录机 其它元、器件 本表其他地方未规定的器件 E 发热器件 EH 照明电 EL 空气调节器 EV 保护器件 过电压放电器件 避雷器 F 具有瞬时动作的限流保护器件 FA 具有延时动作的限流保护器件 FR 具有延时和瞬时动作的限流保护器件 FS 熔断器 FU 限压保护器件 FV 发生器 发电机 电 源 旋转发电机 振荡器 G 发生器 同步发电机 GS 异步发电机 GA 蓄电池 GB 旋转式或固定式变频机 GF 信号器件 H 声响指示器 HA 光指示器 指示灯 HL 继电器 接触器 K 瞬时接触继电器 瞬时有或无继电器 交流继电器 KA 闭锁接触继电器(机械闭锁或永磁铁式有或无继电器、双稳态继电器) KL 接触器 KM 极化继电器 KP 簧片继电器 逆流继电器 KR 延时有或无继电器 KT 3 电感器 电抗器 感应线圈 线路陷波器 电抗器(串联合并联) L 电动机 电动机 M 同步电动机 MS 可做发电机或电动机用的电机 MG 力矩电动机 MT 模拟元件 集成电路 运算放大器 混合模拟/数字器件 N 设备、装置和元、器件种类 名称举例 基本文字符号 测量设备 试验设备 指示器件 记录器件 积算测量器件 信号发生器 P 电流表 PA (脉冲)计数器 PC 电度表 PJ 记录仪表 PS 时钟 操作时间表 PT 电压表 PV 电力电路的开关器件 Q 断路器 QF 电动机保护开关 QM 隔离开关 QS 电阻器 电阻器 变阻器 R 电位器 RP 测量分...

1、当您付费下载文档后,您只拥有了使用权限,并不意味着购买了版权,文档只能用于自身使用,不得用于其他商业用途(如 [转卖]进行直接盈利或[编辑后售卖]进行间接盈利)。
2、本站所有内容均由合作方或网友上传,本站不对文档的完整性、权威性及其观点立场正确性做任何保证或承诺!文档内容仅供研究参考,付费前请自行鉴别。
3、如文档内容存在违规,或者侵犯商业秘密、侵犯著作权等,请点击“违规举报”。

碎片内容

电气设备常用文字符号—基本文字符

您可能关注的文档

小辰2+ 关注
实名认证
内容提供者

出售各种资料和文档

确认删除?
VIP
微信客服
  • 扫码咨询
会员Q群
  • 会员专属群点击这里加入QQ群
客服邮箱
回到顶部