电脑桌面
添加小米粒文库到电脑桌面
安装后可以在桌面快捷访问

绩效考核机械制造业VIP专享

绩效考核机械制造业_第1页
1/17
绩效考核机械制造业_第2页
2/17
绩效考核机械制造业_第3页
3/17
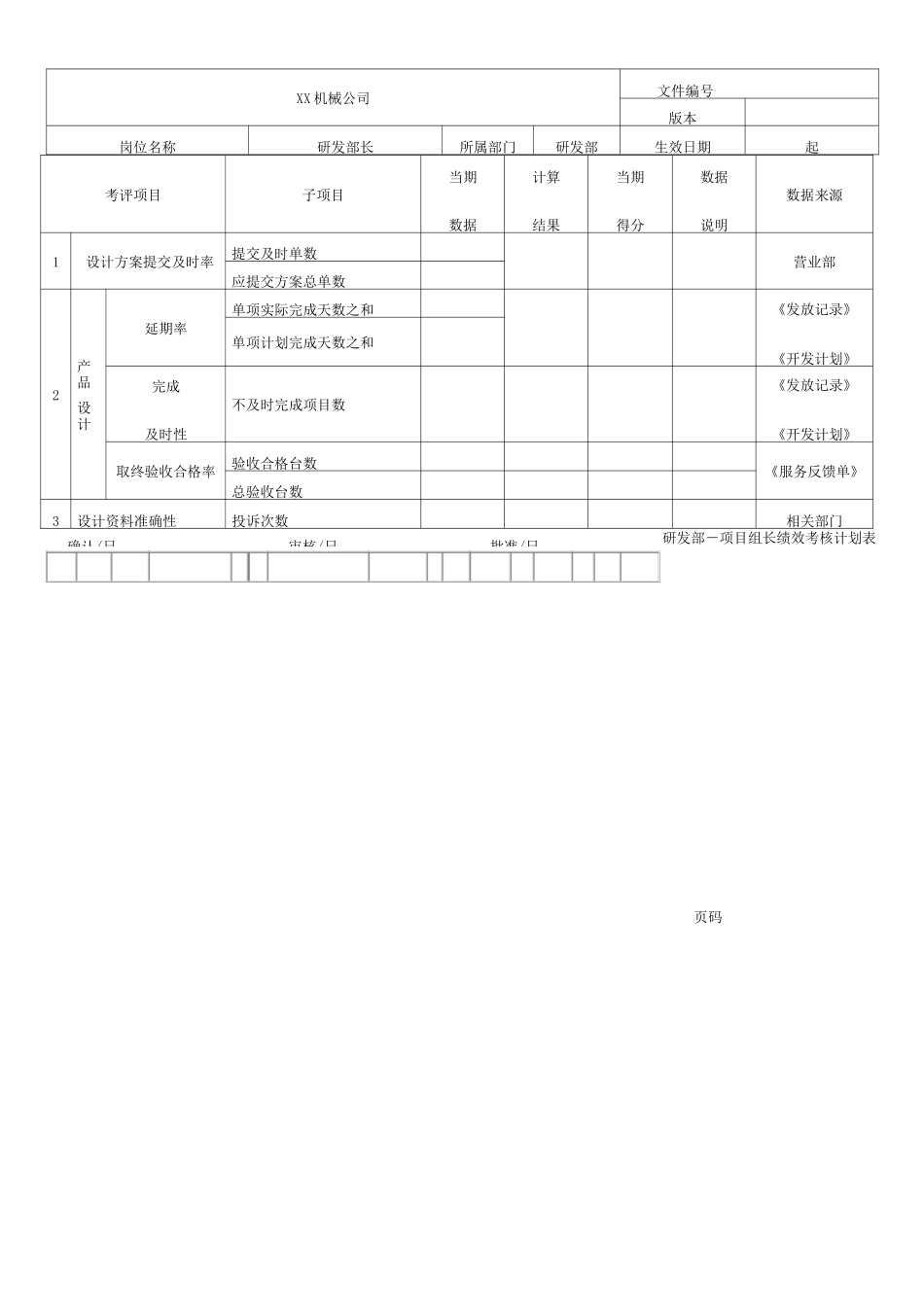
研发部-部长绩效考核计划表机械制造公司绩效考核【行业属性】机械制造【企业背景】某机械公司为中日合资企业,目前是全国规模最大的电阻焊生产基地,专门研制生产全系列电阻焊机及自动焊接专用设备。该公司主要高层管理人员均具有日资企业工作北景同,主要管理制度基本上是从公司总经理以前工作过的日资企业照搬过来的。后来发现很多制度不符合公司的实际情况,尤其在人力资源管理方面更是如此。【现状分析】我公司顾问团队深入调查后发现:1、该公司没有专职的人力资源管理工作人员,绩效管理制度脱离公司实际,因此,绩效管理制度基本上只是一个形式。2、公司的生产方式为个性化产品订单式生产,但是研发和销售脱节,经常会出现接单后不能按时研发、制造和出货的现象,导致客户极为不满。而对此情况,各部门谁也不愿意承担责任,因此需要建立一个保证其产、销、研流程均能健康运转的绩效考核机制。3、公司的产品还经常出现质量问题,返修率较高。而研发人员认为这是材料采购的问题;人员则认为是工艺设计的问题;客户经常抱怨返修的效率和返修的质量。【解决策略】组织跨部门的讨论,我们的顾问团队为该公司制定了如下绩效管理体系改善策略:1、建立符合公司实际的绩效管理制度,为公司提供定制化的包括绩效计划、绩效实施、绩效评估和绩效改善在内的一体化完整的绩效管理。2、在制定各单位的绩效考核指标体系时,尤其注重公司业务流程上各相关业务单元的意见,并在职责界定和项目定义上展开充分论。3、在讨论过程中,我们尤其注重改变各部门原来的那种部门绩效观念,树立“一荣俱荣,一损俱损”的团队绩效意识。【实施效果】和试行新的绩效考核体系之后,该公司人员逐步认识可了新的绩效管理体系,互相扯皮诿的现象减少了,各部门都抱着解决问题、改善绩效的态度工作,使公司的研发水平、生产效率和产品质量稳步提升。研发部-部长绩效考核计划表XX 机械公司文件编号版本岗位名称研发部长所属部门研发部生效日期起考评项目考核指标项目名称计算方式项目界定最高扌旨标考核指标最低指标配分数据来源考核周期1设计方案提交及时率提交及时率=提交及时单数 F 应提交方案总单数 X100%以研发部与营业部双方协商承诺的《设计方案联络单》中的时间为准,协商不一致时交总经理裁决100%98.5%96%20营业部月2产品设计延期率延期率=s(单项实际完成天数一单项计划完成天数)十艺单项计划完成天数X100%专用机的开发以事同评审中提交技术资料的时间为准;...

1、当您付费下载文档后,您只拥有了使用权限,并不意味着购买了版权,文档只能用于自身使用,不得用于其他商业用途(如 [转卖]进行直接盈利或[编辑后售卖]进行间接盈利)。
2、本站所有内容均由合作方或网友上传,本站不对文档的完整性、权威性及其观点立场正确性做任何保证或承诺!文档内容仅供研究参考,付费前请自行鉴别。
3、如文档内容存在违规,或者侵犯商业秘密、侵犯著作权等,请点击“违规举报”。

碎片内容

绩效考核机械制造业

确认删除?
VIP
微信客服
  • 扫码咨询
会员Q群
  • 会员专属群点击这里加入QQ群
客服邮箱
回到顶部