电脑桌面
添加小米粒文库到电脑桌面
安装后可以在桌面快捷访问

预压地基工程检验批质量验收记录表

预压地基工程检验批质量验收记录表_第1页
1/1
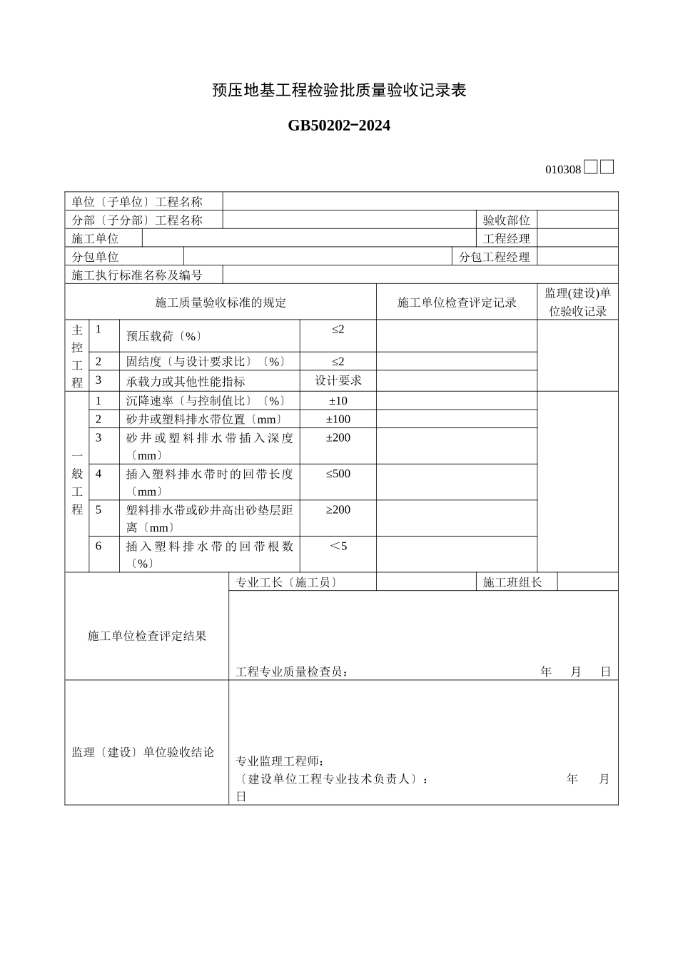
预压地基工程检验批质量验收记录表GB50202-2024 010308单位〔子单位〕工程名称分部〔子分部〕工程名称验收部位施工单位工程经理分包单位分包工程经理施工执行标准名称及编号施工质量验收标准的规定施工单位检查评定记录监理(建设)单位验收记录主控工程1预压载荷〔%〕≤22固结度〔与设计要求比〕〔%〕≤23承载力或其他性能指标设计要求一般工程1沉降速率〔与控制值比〕〔%〕±102砂井或塑料排水带位置〔mm〕±1003砂 井 或 塑 料 排 水 带 插 入 深 度〔mm〕±2004插入塑料排水带时的回带长度〔mm〕≤5005塑料排水带或砂井高出砂垫层距离〔mm〕≥2006插 入 塑 料 排 水 带 的 回 带 根 数〔%〕<5施工单位检查评定结果专业工长〔施工员〕施工班组长工程专业质量检查员: 年 月 日 监理〔建设〕单位验收结论专业监理工程师:〔建设单位工程专业技术负责人〕: 年 月 日

1、当您付费下载文档后,您只拥有了使用权限,并不意味着购买了版权,文档只能用于自身使用,不得用于其他商业用途(如 [转卖]进行直接盈利或[编辑后售卖]进行间接盈利)。
2、本站所有内容均由合作方或网友上传,本站不对文档的完整性、权威性及其观点立场正确性做任何保证或承诺!文档内容仅供研究参考,付费前请自行鉴别。
3、如文档内容存在违规,或者侵犯商业秘密、侵犯著作权等,请点击“违规举报”。

碎片内容

预压地基工程检验批质量验收记录表

您可能关注的文档

确认删除?
VIP
微信客服
  • 扫码咨询
会员Q群
  • 会员专属群点击这里加入QQ群
客服邮箱
回到顶部