电脑桌面
添加小米粒文库到电脑桌面
安装后可以在桌面快捷访问

三元乙丙橡胶卷材防水层工程施工要求及施工工艺

三元乙丙橡胶卷材防水层工程施工要求及施工工艺_第1页
1/10
三元乙丙橡胶卷材防水层工程施工要求及施工工艺_第2页
2/10
三元乙丙橡胶卷材防水层工程施工要求及施工工艺_第3页
3/10
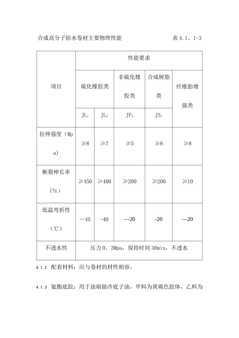
三元乙丙橡胶卷材防水层工程施工要求及施工工艺本章适用于工业与民用建筑合成高分子防水卷材铺贴地下防水层工程。第一节材料要求4.1.1 合成高分子防水卷材主要包括:三元乙丙—丁基橡胶防水卷材、氯化聚乙烯—橡胶共混防水卷材、氯化聚乙烯防水卷材、聚氯乙烯防水卷材等。1 防水工程所使用的防水材料,应有产品的合格证书和性能检测报告,材料的品种、规格、性能等应符合现行国家产品标准和设计要求。2 对进场的防水材料应按现行国家法律规范的规定抽样复验,并提出试验报告,不合格的材料不得在工程中使用。3 合成高分子防水卷材的主要物理性能应符合表 4。1。1-3 的要求。合成高分子防水卷材主要物理性能 表 4.1。1-3项目性能要求硫化橡胶类非硫化橡胶类合成树脂类纤维胎增强类JL1JL2JF3JS1拉伸强度(Mpa)≥8≥7≥5≥8≥8断裂伸长率(%)≥450≥400≥200≥200≥10低温弯折性(℃)—45-40—20-20—20不透水性压力 0。3Mpa,保持时间 30min,不透水4.1.2 配套材料:应与卷材的材性相容。4.1.3 氨酯底胶:用于涂刷做冷底子油,甲料为黄褐色胶体,乙料为黑色胶体.4.1.4 CX—404 胶:用于卷材与基层粘贴为黄色混浊胶体.4.1.5 丁基胶粘剂:用于卷材接缝,分 A、B 两组份,A 组为黄浊胶体,B 组为黑色胶体。使用时按 1∶1 的比例混合搅拌均匀使用.4.1.6 聚氨酯涂膜材料:用于处理接缝增补密封,材料分甲、乙两组份,甲组份为褐色胶体,乙组份为黑色胶体。4.1.7 聚氨酯嵌缝膏:用于卷材收头处密封。4.1.8 二甲苯:用于浸洗刷工具。4.1.9 乙酸乙酯:用于擦洗手。第二节 主要机具4.2.1 高压吹风机、平铲、钢丝刷、笤、大小铁桶、量尺、小线、色粉袋、剪刀、滚刷、油刷、压辊,刮板。第三节 作业条件4.3.1 施工前审核图纸,编制防水工程施工方案,并进行技术交底.地下防水工程必须由相应资质的专业防水队施工,主要施工人员应持有建设行政主管部门或其指定单位颁发的执业资格证书持证上岗。4.3.2 在地下水位较高的条件下铺贴防水层前,应先降低地下水位,做好排水处理,使地下水位降至防水层底标高 300mm 以下,并保护到防水层施工完。4.3.3 铺贴防水层的基层表面应平整光滑,必须将基层表面的异物、砂浆疙瘩和其他尘土杂物清除洁净,不得有空鼓、开裂及起砂、脱皮等缺陷.4.3.4 基层应保持干燥、含水率应不大于 9%;阴阳角处应做成圆弧形.4.3.5 地面或墙面的预埋管件、变形缝等处应进行隐蔽工程检查验收,使其符合设计和施工...

1、当您付费下载文档后,您只拥有了使用权限,并不意味着购买了版权,文档只能用于自身使用,不得用于其他商业用途(如 [转卖]进行直接盈利或[编辑后售卖]进行间接盈利)。
2、本站所有内容均由合作方或网友上传,本站不对文档的完整性、权威性及其观点立场正确性做任何保证或承诺!文档内容仅供研究参考,付费前请自行鉴别。
3、如文档内容存在违规,或者侵犯商业秘密、侵犯著作权等,请点击“违规举报”。

碎片内容

三元乙丙橡胶卷材防水层工程施工要求及施工工艺

您可能关注的文档

确认删除?
VIP
微信客服
  • 扫码咨询
会员Q群
  • 会员专属群点击这里加入QQ群
客服邮箱
回到顶部