电脑桌面
添加小米粒文库到电脑桌面
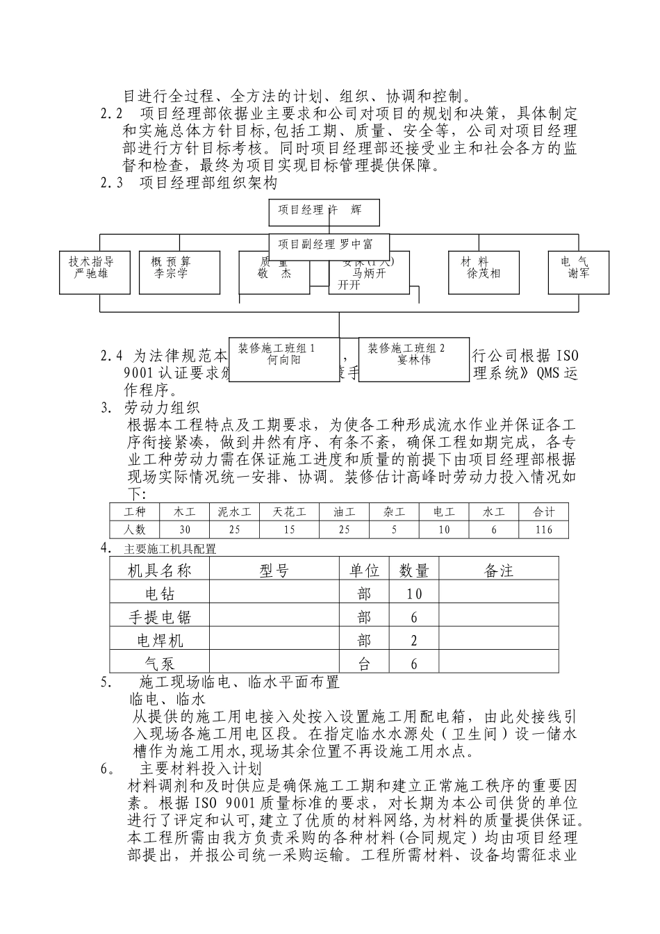
安装后可以在桌面快捷访问

中物院公共事务管理部综合楼施工组织设计

中物院公共事务管理部综合楼施工组织设计_第1页
1/9
中物院公共事务管理部综合楼施工组织设计_第2页
2/9
中物院公共事务管理部综合楼施工组织设计_第3页
3/9
投标项目名称:中物院公共事务管理部综合楼标 书 内 容: 施工组织设计投标日期:2024 年 9 月 29 日目 录一、工程概况 ---———————-——-—--—--——————--—-—-——---——-——---——————--——-—-— 2二、主要用材及工程内容 ——-—————--—-—--—-—-——--—--—--——-—-————---——- 2三、施工条件 -——-——---—-——-———-—--————————---—---———----—-——-——-—————-—- 2四、施工布置 --—-——————--—————-—————-———————-—-—-———-—-—-————-—-—-———-—— 2 1. 工程目标 ————--—————-——--—————-—-—-—---—-———-—--————-————-—--—-——--—-——- 2 2. 项目管理及项目组织架构 -——-——------——--——-——-—-—-————-——-——--——-— 2 3. 劳动力组织 —-——---——————--—--—------———---———-—---——-——-—-——--——-—————— 3 4。 主要施工机具配置 —--————--——---—-——---——-—-————————-———--—--——-——--— 3 5。 施工现场平面布置 ——--—————————--——--————-———-————-—--—--—-——————--—— 4 6。 主要材料投入计划 -—————--—————----———-——-———-——————--————---—————-—— 5五、施工进度计划及工期保证措施 ————————-——-—————-—-——-————————- 5 1. 施工进度计划 ——-—--———-——--—-—-————-————-—---—-—-—————-——————---—————- 5 2。 工期保证措施 -—————-———-——---—--————---——————————-———--—-—-—————————-- 5六、主要施工方法、技术措施 ——————---———-——--——————--———-—-————-—— 61. 装 修 工 程 ---————--—-——————-—--—----———--——--—-—--————--—-—-——--—-———--—- 6 2。 机电安装 -——--———--———---—-————-————----—-———--—---——-—————-----——-———-- 7七、质量目标及质量保证措施 -—-———-———-——-—--——-——————-———-—-——-—— 7 1。 质量保证体系 —-——...

1、当您付费下载文档后,您只拥有了使用权限,并不意味着购买了版权,文档只能用于自身使用,不得用于其他商业用途(如 [转卖]进行直接盈利或[编辑后售卖]进行间接盈利)。
2、本站所有内容均由合作方或网友上传,本站不对文档的完整性、权威性及其观点立场正确性做任何保证或承诺!文档内容仅供研究参考,付费前请自行鉴别。
3、如文档内容存在违规,或者侵犯商业秘密、侵犯著作权等,请点击“违规举报”。

碎片内容

中物院公共事务管理部综合楼施工组织设计

您可能关注的文档

确认删除?
VIP
微信客服
  • 扫码咨询
会员Q群
  • 会员专属群点击这里加入QQ群
客服邮箱
回到顶部