电脑桌面
添加小米粒文库到电脑桌面
安装后可以在桌面快捷访问

中铁三局集团霍永高速公路西段工程指挥部安全管理标准化目标任务分解表

中铁三局集团霍永高速公路西段工程指挥部安全管理标准化目标任务分解表_第1页
1/15
中铁三局集团霍永高速公路西段工程指挥部安全管理标准化目标任务分解表_第2页
2/15
中铁三局集团霍永高速公路西段工程指挥部安全管理标准化目标任务分解表_第3页
3/15
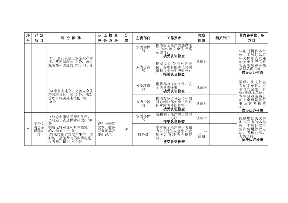
附件: 中铁三局集团霍永高速公路西段工程指挥部安全管理标准化目标任务分解表一、 安全生产管理考核检查评分表序号评 定项 目评 分 标 准认 证 检 查评 分 方 法分 值主责部门工作要求完成时限相关部门晋内各单位、各项目1安全生产责任制度(1)企业未建立安全生产责任制度,扣 20 分,各部门、各级(岗位)安全生产责任制度不健全,扣 10~15 分查企业有关制度文本;抽查企业各部门、所属单位有关责任人对安全生产责任制的知晓情况,查确认记录,查企业考核记录。查企业文件,查企业对下属单位各级管理目标设置及考核情况记录;查企业安全生产奖惩制度文本和考核、奖惩记录20安质环保部审核修订《关于修订印发公司本部安全生产责任制的通知》(中铁三安 〔 2024 〕 140 号 、《工程项目安全生产管理办法》(中铁三安〔2024〕61 号)。接受认证检查2024 年11 月月底前根据“国资委21 号 令 ” 和“ 中 铁 三 安〔 2024 〕 140号”制定完善本部门安全生产责任制.接受认证检查以 红 头 文 件 形 式发 布 本 单 位 、 本项 目 各 层 级 、 各部 门 、 各 岗 位 安全生产责任制。接受认证检查(2)企业未建立安全生产责任制考核制度,扣 10 分,各部门、各级对各自安全生产责任制未执行,每起扣 2分人力资源部根据(修订后的)机关本部各部门安全生产责任制,制定安全生产责任制考核制度。接受认证检查2024 年年12月中旬前根 据 ( 修 订 后的)责任制自查自纠工作中存在的问题,制定改进措施接受认证检查以 红 头 文 件 形 式发 布 本 单 位 、 本项 目 安 全 生 产 责任制考核制度接受认证检查(3)企业未按考核制度组织检查并考核的,扣 10 分,考核不全面扣 5~10 分人力资源部根据“机关本部安全生产责任制"考核制度,提供对各部门安全生产责任制的检查考核资料接受认证检查各阶段动态提供本部门有关岗位安全生产责任制考核资料接受认证检查认 证 时 提 供 本 单位 、 本 项 目 各 层级 、 各 单 位 、 各部 门 、 各 岗 位 安全 生 产 责 任 制 检查 考 核 资 料 、 责任 包 保 考 核 兑 现资料。接受认证检查序号评 定项 目评 分 标 准认 证 检 查评 分 方 法分 值主责部门工作要求完成时限相关部门晋内各单位、各项目(4)企业未建立安全生产考核、奖惩制度扣 10 分,未实施考核和奖惩的,...

1、当您付费下载文档后,您只拥有了使用权限,并不意味着购买了版权,文档只能用于自身使用,不得用于其他商业用途(如 [转卖]进行直接盈利或[编辑后售卖]进行间接盈利)。
2、本站所有内容均由合作方或网友上传,本站不对文档的完整性、权威性及其观点立场正确性做任何保证或承诺!文档内容仅供研究参考,付费前请自行鉴别。
3、如文档内容存在违规,或者侵犯商业秘密、侵犯著作权等,请点击“违规举报”。

碎片内容

中铁三局集团霍永高速公路西段工程指挥部安全管理标准化目标任务分解表

您可能关注的文档

确认删除?
VIP
微信客服
  • 扫码咨询
会员Q群
  • 会员专属群点击这里加入QQ群
客服邮箱
回到顶部