电脑桌面
添加小米粒文库到电脑桌面
安装后可以在桌面快捷访问

人行道及排水(军民路)

人行道及排水(军民路)_第1页
1/14
人行道及排水(军民路)_第2页
2/14
人行道及排水(军民路)_第3页
3/14
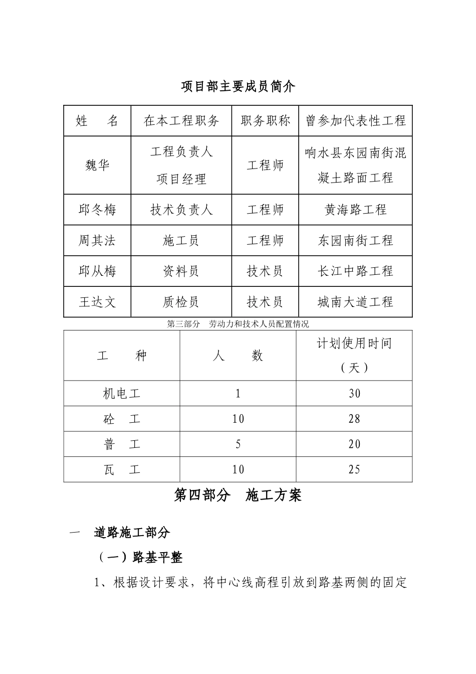
第一部分 工程概况军民路南侧部分市政工程位于响水县城西南侧,道路的建成为解决两侧小区及周边居民的居住环境和交通环境,为美化响水县城,县政府决定对人行道及排水工程进行招标.军民路市政工程:东起幸福路,西止红旗路,全长 283.4米,总面积为 2834 平方米。两侧各 8.0 米宽人行道(含 3.0米绿化带).人行道结构层由上而下分别为:5cm 厚 C30 砼预制板,3cm 厚 1:3 水泥砂浆垫层,5cm 厚底标号混凝土基础。排水为 DN600 钢筋混凝土管道 347。6 米。第二部分 响水县军民路市政工程项目部设置总负责人:李习春项目经理:魏华技术负责人:邱冬梅施 工 员:周其法质 检 员:王达文材 料 员:孙国付资料试验员:邱从梅机 械 员:李元才安 全 员:顾会萍项目部主要成员简介姓 名在本工程职务职务职称曾参加代表性工程魏华工程负责人项目经理工程师响水县东园南街混凝土路面工程邱冬梅技术负责人工程师黄海路工程周其法施工员工程师东园南街工程邱从梅资料员技术员长江中路工程王达文质检员技术员城南大道工程第三部分 劳动力和技术人员配置情况工 种人 数计划使用时间(天)机电工130砼 工1028普 工520瓦 工1025第四部分 施工方案一 道路施工部分(一)路基平整1、根据设计要求,将中心线高程引放到路基两侧的固定地方,并加以保护,量好距离后进行加固。2、校核水准点:将监理部门提供的固定水准点引到施施工场地段,并与现有水准点进行闭合,从而确定本段施工的水准点,每隔 100m 在永久性建筑物上,引一相对固定的水准基点.3、放线:根据中心桩和水准点,定出施工段的线位和开挖深度,并用边线控制桩和高程控制桩加以控制.4、推土平整:路槽要求前后顺直,如遇树根等杂物必须一次清除洁净,不能把易腐物质留在槽底。开挖至设计槽底,边挖边用水准仪控制纵横高程,打桩平整。挖除结束后,复测平整,用轻型压路机碾压,压实达标准。5、建立完整的排水体系,排除地表积水,雨水保持通畅。6、弱软路基处理,首先防范在先,即搞好施工排水及防雨,发现湿软较大面积,采纳晾土,节约材料、工期。天气不允许时,用 10%石灰土分层夯填。对道路质量不利处理软基时特别要注意做到三块:快挖、快填、快压。(二).机械碾压用 8T 以上压路机碾压,由两侧向中央,每次轮迹重叠1/3。碾压时采纳“先轻后重,先边后中"的原则,做到无浮料、脱皮,松散现象。压实度满足轻型击实 95%以上。(三)砼垫层施工为了确保工程质量符合...

1、当您付费下载文档后,您只拥有了使用权限,并不意味着购买了版权,文档只能用于自身使用,不得用于其他商业用途(如 [转卖]进行直接盈利或[编辑后售卖]进行间接盈利)。
2、本站所有内容均由合作方或网友上传,本站不对文档的完整性、权威性及其观点立场正确性做任何保证或承诺!文档内容仅供研究参考,付费前请自行鉴别。
3、如文档内容存在违规,或者侵犯商业秘密、侵犯著作权等,请点击“违规举报”。

碎片内容

人行道及排水(军民路)

您可能关注的文档

确认删除?
VIP
微信客服
  • 扫码咨询
会员Q群
  • 会员专属群点击这里加入QQ群
客服邮箱
回到顶部