电脑桌面
添加小米粒文库到电脑桌面
安装后可以在桌面快捷访问

安装工程类别划分标准及有关规定

安装工程类别划分标准及有关规定_第1页
1/4
安装工程类别划分标准及有关规定_第2页
2/4
安装工程类别划分标准及有关规定_第3页
3/4
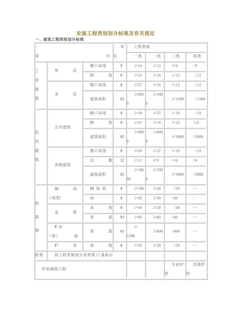
安装工程类别划分标准及有关规定一、建筑工程类别划分标准项 目单位工程类别一类二类三类四类工 业 建 筑单 层檐口高度M≥18≥12≥9<9跨 度M≥24≥18≥12〈12多 层檐口高度M≥27≥18≥12〈12建筑面积M2≥6000≥4000≥1500〈1500民 用 建 筑公共建筑檐口高度M≥39≥27≥18〈18跨 度M≥27≥18≥15<15建筑面积M2≥9000≥6000≥3000<3000其他建筑檐口高度M≥39≥27≥18〈18层 数层≥13≥9≥6<6建筑面积M2≥10000≥7000≥3000<3000构筑物烟 囱 (高度)钢 筋 砼M≥100≥50〈50—砖M≥50≥30<30-水 塔高 度M≥40≥30〈30—容 量M3≥80≥60<60—贮水 (油) 池容 量M3≥ 1200≥800<800—贮 仓高 度M≥30≥20〈20—桩基按工程类别划分说明第 11 条执行 炉窑砌筑工程 专业炉窑其他炉窑 二、装饰工程类别划分标准(一)公共建筑的装饰工程按相应建筑工程类别标准执行.其他装饰工程按建筑工程相应类别降低一类执行,但不低于四类。 (二)局部装饰工程(装饰建筑面积小于总建筑面积 50%)按第一条规定,降低一类执行,但不低于四类. (三)仅进行金属门窗、塑料门窗、幕墙、外墙饰面等局部装饰的工程按三类标准执行。 (四)除一类工程外,有特别声、光、超净、恒温要求的装饰工程,按原标准提高一类执行。 三、安装工程类别划分标准项目 类别名称内 容一类设备安装1、台重 50t 及其以上的各类机械设备、非标设备(不分整体或解体)以及精密、自动、半自动或程控机床、引进设备. 2、自动、半自动电梯,输送设备以及起重 35t 及其以上的起重设备及相应的轨道安装。 3、净化、超净、恒温柔集中空调设备及其空调系统. 4、自动化控制装置、通信交换设备和仪表安装工程. 5、工业炉窑设备。 6、热力设备(蒸发量 10t/h 台以上的锅炉),单台容量 3000KW 及其以上发电机组及其附属设备。 7、800KVA 及其以上的变电装置。 8、各种压力容器、油罐、球形罐、气柜的制作和安装. 9、煤气发生炉、制氧设备、制冷量 20 万大卡/小时及以上的制冷设备、高中压空气压缩机、污水处理设备及其配套的储罐、冷却塔等. 10、焊口有探伤要求的厂区(室外)工艺管道、热力管网、煤气管网、供水(含循环水)管网工程. 11、附属于本工程各种设备的配管、电气安装、通风、工艺金属结构及刷油、绝热、防腐蚀工程.建筑 安装一类建筑工程的附属设备、照明、通风、采暖、给排水、煤气、消防、安全防范、电话电视及共用天线等工程。二类设1、台...

1、当您付费下载文档后,您只拥有了使用权限,并不意味着购买了版权,文档只能用于自身使用,不得用于其他商业用途(如 [转卖]进行直接盈利或[编辑后售卖]进行间接盈利)。
2、本站所有内容均由合作方或网友上传,本站不对文档的完整性、权威性及其观点立场正确性做任何保证或承诺!文档内容仅供研究参考,付费前请自行鉴别。
3、如文档内容存在违规,或者侵犯商业秘密、侵犯著作权等,请点击“违规举报”。

碎片内容

安装工程类别划分标准及有关规定

您可能关注的文档

确认删除?
VIP
微信客服
  • 扫码咨询
会员Q群
  • 会员专属群点击这里加入QQ群
客服邮箱
回到顶部