电脑桌面
添加小米粒文库到电脑桌面
安装后可以在桌面快捷访问

岩石爆破方案

岩石爆破方案_第1页
1/9
岩石爆破方案_第2页
2/9
岩石爆破方案_第3页
3/9
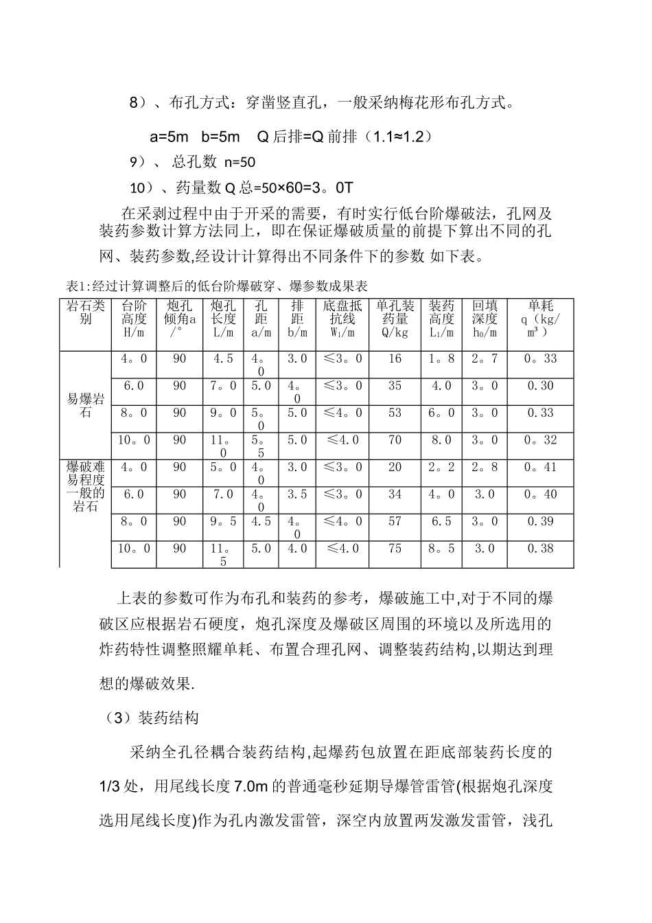
岩石爆破施工方案(1) 爆破方案选择 根据本露天矿采剥工艺,结合采装设备对岩石破裂块度、疏散度的要求,考虑到岩石的软硬程度,确定本矿山岩石层破裂方式为台阶松动爆破。 煤层顶板岩层厚度(即穿孔工作面到煤层的高度)若不足一个标准台阶高度,可采纳小台阶爆破法处理,做到“分爆分采”,减少废石混入和降低贫化。 部分爆破区的炮孔穿透含水层,水孔装药应使用乳化炸药。 掘沟工程可根据掘沟高度即掘沟宽度单独进行爆破设计。(2)标准台阶孔网参数设计(爆破对象为一般难爆岩石,达到爆破松动的效果,采纳“经验法”设计)矿山生产标准台阶高度 10m,本矿爆破岩石厚度 3-8m,本设计采纳爆破最大用药量,用 8m 计算,使用的穿孔设备时 KY120 型履带式露天潜孔钻机,穿孔直径 d=120mm。根据矿区岩层可爆性分析,结合类似矿山的爆破经验,炸药单耗初步确定为 q=0.40。施工过程中可根据不同爆破区的岩石硬度、可爆性、岩石结构、层理发育程度的因素进行适当的调整,以期达到最佳爆破经济效果。1)、孔径 ø=110mm;2)、台阶高度 H=8。0m3)、炮孔超深 取 h=1。5m4)、炮孔深度 L=H+h=9.5m5)、填塞长度 ho=3.0m6)、单孔装药量 Q=qabW7)、实际单孔单耗 q=0。48)、布孔方式:穿凿竖直孔,一般采纳梅花形布孔方式。 a=5m b=5m Q 后排=Q 前排(1.1≈1.2)9)、 总孔数 n=5010)、药量数 Q 总=50×60=3。0T 在采剥过程中由于开采的需要,有时实行低台阶爆破法,孔网及装药参数计算方法同上,即在保证爆破质量的前提下算出不同的孔网、装药参数,经设计计算得出不同条件下的参数 如下表。 上表的参数可作为布孔和装药的参考,爆破施工中,对于不同的爆破区应根据岩石硬度,炮孔深度及爆破区周围的环境以及所选用的炸药特性调整照耀单耗、布置合理孔网、调整装药结构,以期达到理想的爆破效果.(3)装药结构采纳全孔径耦合装药结构,起爆药包放置在距底部装药长度的1/3 处,用尾线长度 7.0m 的普通毫秒延期导爆管雷管(根据炮孔深度选用尾线长度)作为孔内激发雷管,深空内放置两发激发雷管,浅孔表1:经过计算调整后的低台阶爆破穿、爆参数成果表岩石类别台阶高度H/m炮孔倾角a /°炮孔长度L/m孔距 a/m 排距 b/m底盘抵抗线 W1/m单孔装药量 Q/kg装药高度 L1/m回填深度 h0/m单耗q(kg/m³)易爆岩石4。0904.54。03.0≤3。0161。82。70。336.0907。05.04。0≤3。0354.03。00.308。0909。05。05.0≤4。0536。03。00.3310...

1、当您付费下载文档后,您只拥有了使用权限,并不意味着购买了版权,文档只能用于自身使用,不得用于其他商业用途(如 [转卖]进行直接盈利或[编辑后售卖]进行间接盈利)。
2、本站所有内容均由合作方或网友上传,本站不对文档的完整性、权威性及其观点立场正确性做任何保证或承诺!文档内容仅供研究参考,付费前请自行鉴别。
3、如文档内容存在违规,或者侵犯商业秘密、侵犯著作权等,请点击“违规举报”。

碎片内容

岩石爆破方案

您可能关注的文档

确认删除?
VIP
微信客服
  • 扫码咨询
会员Q群
  • 会员专属群点击这里加入QQ群
客服邮箱
回到顶部