电脑桌面
添加小米粒文库到电脑桌面
安装后可以在桌面快捷访问

工程测量模拟卷A-C

工程测量模拟卷A-C_第1页
1/5
工程测量模拟卷A-C_第2页
2/5
工程测量模拟卷A-C_第3页
3/5
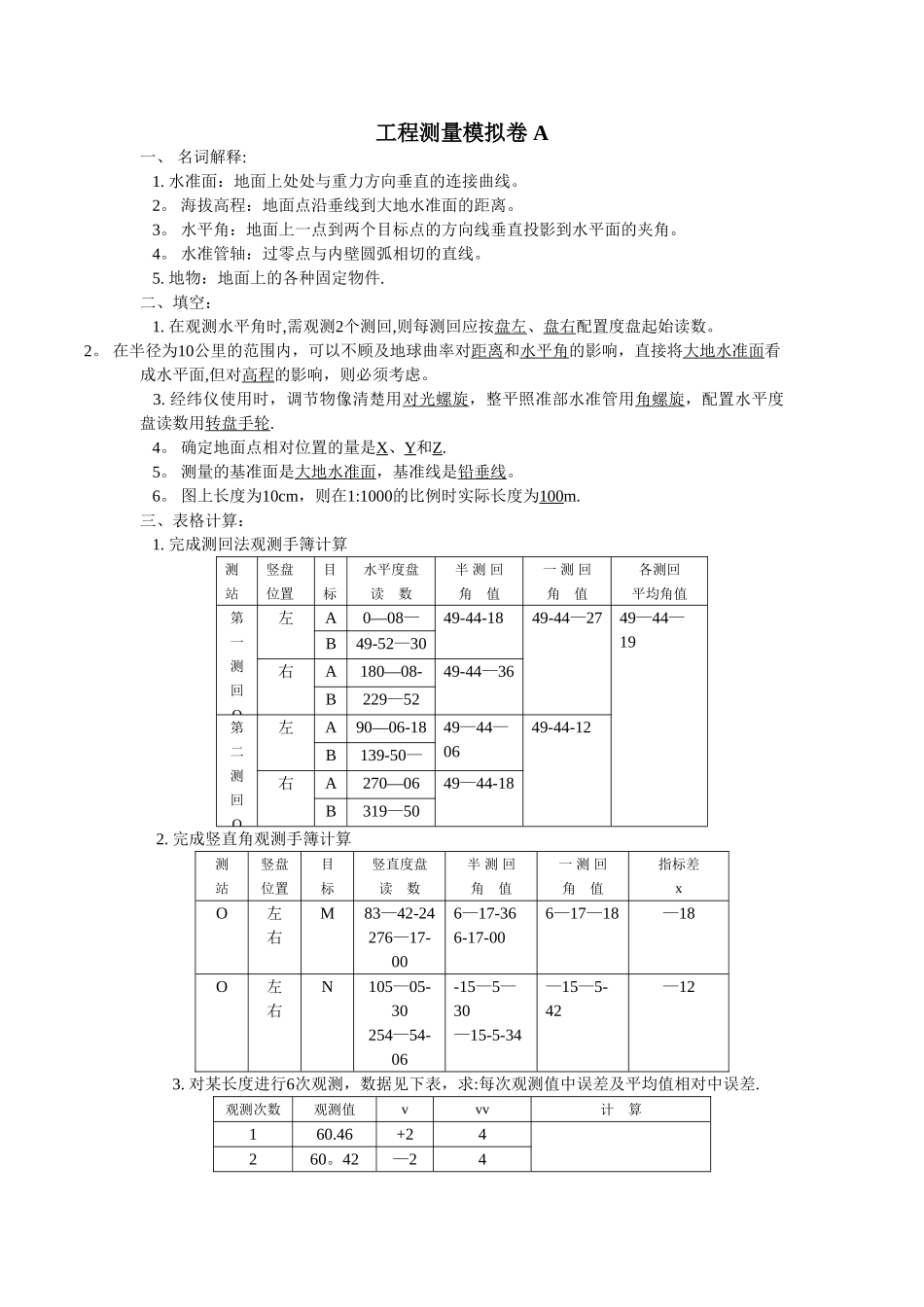
工程测量模拟卷 A一、 名词解释: 1. 水准面:地面上处处与重力方向垂直的连接曲线。 2。 海拔高程:地面点沿垂线到大地水准面的距离。 3。 水平角:地面上一点到两个目标点的方向线垂直投影到水平面的夹角。 4。 水准管轴:过零点与内壁圆弧相切的直线。 5. 地物:地面上的各种固定物件.二、填空: 1. 在观测水平角时,需观测2个测回,则每测回应按盘左、盘右配置度盘起始读数。2。 在半径为10公里的范围内,可以不顾及地球曲率对距离和水平角的影响,直接将大地水准面看成水平面,但对高程的影响,则必须考虑。 3. 经纬仪使用时,调节物像清楚用对光螺旋,整平照准部水准管用角螺旋,配置水平度盘读数用转盘手轮. 4。 确定地面点相对位置的量是X、Y和Z. 5。 测量的基准面是大地水准面,基准线是铅垂线。 6。 图上长度为10cm,则在1:1000的比例时实际长度为100m.三、表格计算: 1. 完成测回法观测手簿计算测 站竖盘位置目标水平度盘读 数半 测 回角 值一 测 回角 值各测回 平均角值第一测回O左A0—08—1249-44-1849-44—2749—44—19B49-52—30右A180—08-0649-44—36B229—52—42第二测回O左A90—06-1849—44—0649-44-12B139-50—24右A270—06—1249—44-18B319—50—302. 完成竖直角观测手簿计算测站竖盘位置目标竖直度盘读 数半 测 回角 值一 测 回角 值指标差xO左右M83—42-24276—17-006—17-366-17-006—17—18—18O左右N105—05-30254—54-06-15—5—30—15-5-34—15—5-42—123. 对某长度进行6次观测,数据见下表,求:每次观测值中误差及平均值相对中误差.观测次数观测值vvv计 算160.46+24260。42—24360。4400460。4400560.43—11660。45+11∑010四、综合计算题:1。 水准测量中,A为后视点,B为前视点,已知A点高程为28。516m,测量中读得后视读数a=1.134m,前视读数 b=1。438m,求:AB点高差、B点高程并绘图说明AB点关系。2。 测得往返测距离分别为55。218m、55。224m.问相对较差为多少? 3。 闭合水准路线,自BM A 经1,2,3 点后又闭合于 BM A ,已知:BM A =65。238米,其各测段观测数据如下表,完成水准路线计算和调整,求出各水准点高程值并绘出草图示意。(允许闭合差为)4. 角度观测四测回得平均值中误差为15”,若观测九测回,则平均值中误差为多少?5. 测设直角AOB,一般方法测设后,需要将B点向外移动3cm,已知OB=300m,问测设后精确测得的角值为多少?绘图示意。工程测量学...

1、当您付费下载文档后,您只拥有了使用权限,并不意味着购买了版权,文档只能用于自身使用,不得用于其他商业用途(如 [转卖]进行直接盈利或[编辑后售卖]进行间接盈利)。
2、本站所有内容均由合作方或网友上传,本站不对文档的完整性、权威性及其观点立场正确性做任何保证或承诺!文档内容仅供研究参考,付费前请自行鉴别。
3、如文档内容存在违规,或者侵犯商业秘密、侵犯著作权等,请点击“违规举报”。

碎片内容

工程测量模拟卷A-C

文森传品+ 关注
实名认证
内容提供者

一家传播文化教育的小店,资料丰富,随意挑选。

确认删除?
VIP
微信客服
  • 扫码咨询
会员Q群
  • 会员专属群点击这里加入QQ群
客服邮箱
回到顶部