电脑桌面
添加小米粒文库到电脑桌面
安装后可以在桌面快捷访问

市政工程施工允许偏差

市政工程施工允许偏差_第1页
1/4
市政工程施工允许偏差_第2页
2/4
市政工程施工允许偏差_第3页
3/4
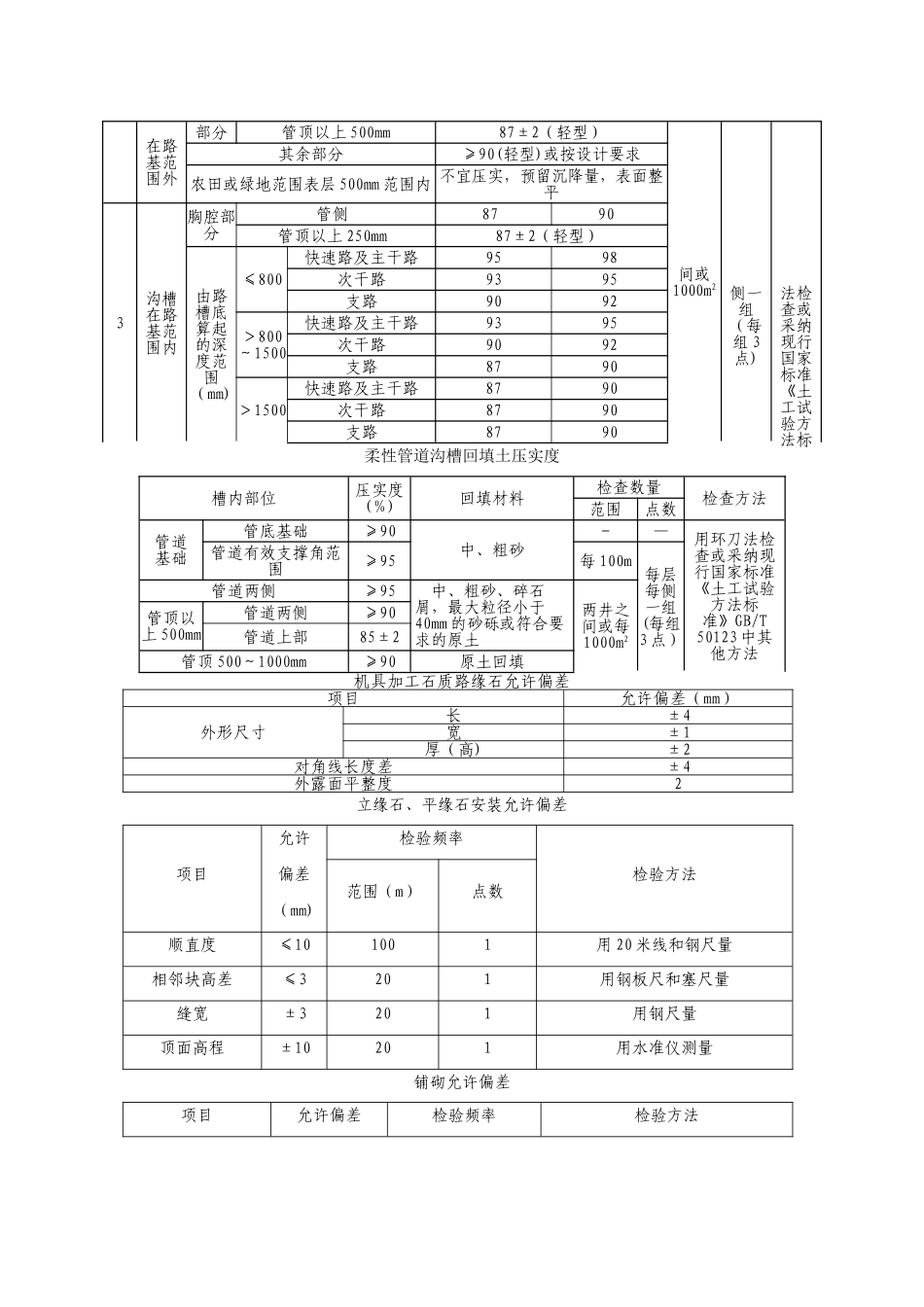
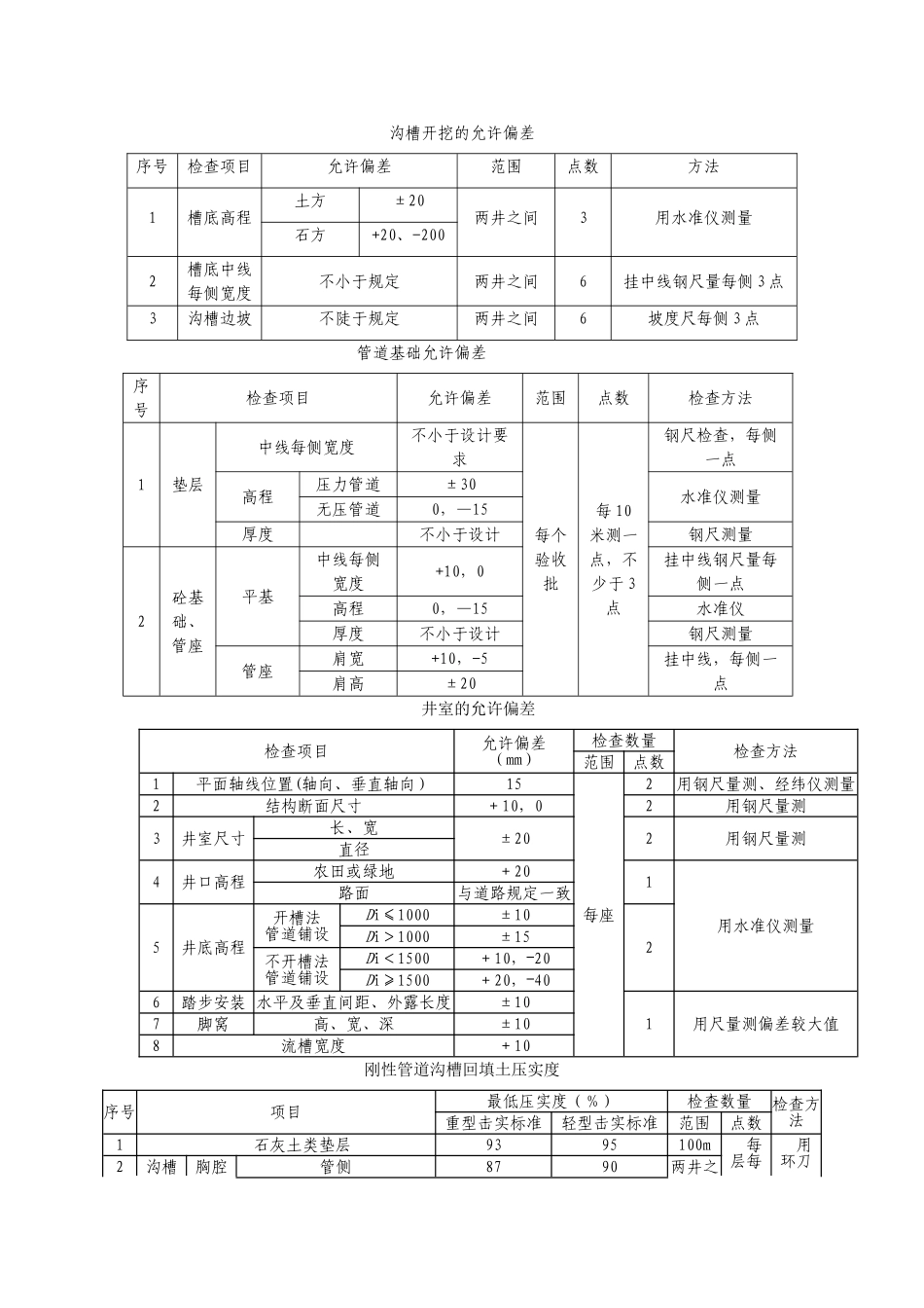
沟槽开挖的允许偏差序号检查项目允许偏差范围点数方法1槽底高程土方±20两井之间3用水准仪测量石方+20、-2002槽底中线每侧宽度不小于规定两井之间6挂中线钢尺量每侧 3 点3沟槽边坡不陡于规定两井之间6坡度尺每侧 3 点管道基础允许偏差序号检查项目允许偏差范围点数检查方法1垫层中线每侧宽度不小于设计要求每个验收批每 10米测一点,不少于 3点钢尺检查,每侧一点高程压力管道±30水准仪测量无压管道0,—15厚度不小于设计钢尺测量2砼基础、管座平基中线每侧宽度+10,0挂中线钢尺量每侧一点高程0,—15水准仪厚度不小于设计钢尺测量管座肩宽+10,-5挂中线,每侧一点肩高±20井室的允许偏差检查项目允许偏差(mm)检查数量检查方法范围点数1平面轴线位置(轴向、垂直轴向)15每座2用钢尺量测、经纬仪测量2结构断面尺寸+10,02用钢尺量测3井室尺寸长、宽±202用钢尺量测直径4井口高程农田或绿地+201用水准仪测量路面与道路规定一致5井底高程开槽法管道铺设Di≤1000±102Di>1000±15不开槽法管道铺设Di<1500+10,―20Di≥1500+20,―406踏步安装 水平及垂直间距、外露长度±101用尺量测偏差较大值7脚窝高、宽、深±108流槽宽度+10刚性管道沟槽回填土压实度序号项目最低压实度(%)检查数量检查方法重型击实标准轻型击实标准范围点数1 石灰土类垫层9395100m每层每用环刀2沟槽胸腔管侧8790两井之在路基范围外部分间或1000m2侧一组(每组 3点)法检查或采纳现行国家标准《土工试验方法标管顶以上 500mm87±2(轻型)其余部分≥90(轻型)或按设计要求农田或绿地范围表层 500mm 范围内 不宜压实,预留沉降量,表面整平3沟槽在路基范围内胸腔部分管侧8790管顶以上 250mm87±2(轻型)由路槽底算起的深度范围(mm)≤800快速路及主干路9598次干路9395支路9092>800~1500快速路及主干路9395次干路9092支路8790>1500快速路及主干路8790次干路8790支路8790柔性管道沟槽回填土压实度槽内部位压实度(%)回填材料检查数量检查方法范围点数管道基础管底基础≥90中、粗砂-—用环刀法检查或采纳现行国家标准《土工试验方法标准》GB/T 50123 中其他方法管道有效支撑角范围≥95每 100m每层每侧一组(每组3 点)管道两侧≥95中、粗砂、碎石屑,最大粒径小于40mm 的砂砾或符合要求的原土两井之间或每1000m2管顶以上 500mm管道两侧≥90管道上部85±2管顶 500~1000mm≥90原土回填机具加工石质路缘石允许偏差项目允许偏差(mm)外形尺寸长±4宽±1...

1、当您付费下载文档后,您只拥有了使用权限,并不意味着购买了版权,文档只能用于自身使用,不得用于其他商业用途(如 [转卖]进行直接盈利或[编辑后售卖]进行间接盈利)。
2、本站所有内容均由合作方或网友上传,本站不对文档的完整性、权威性及其观点立场正确性做任何保证或承诺!文档内容仅供研究参考,付费前请自行鉴别。
3、如文档内容存在违规,或者侵犯商业秘密、侵犯著作权等,请点击“违规举报”。

碎片内容

市政工程施工允许偏差

您可能关注的文档

一二三四传媒+ 关注
实名认证
内容提供者

大量资料供您选择,没有合适的可以联系小二。

确认删除?
VIP
微信客服
  • 扫码咨询
会员Q群
  • 会员专属群点击这里加入QQ群
客服邮箱
回到顶部