电脑桌面
添加小米粒文库到电脑桌面
安装后可以在桌面快捷访问

水利工程施工课程设计报告

水利工程施工课程设计报告_第1页
1/13
水利工程施工课程设计报告_第2页
2/13
水利工程施工课程设计报告_第3页
3/13
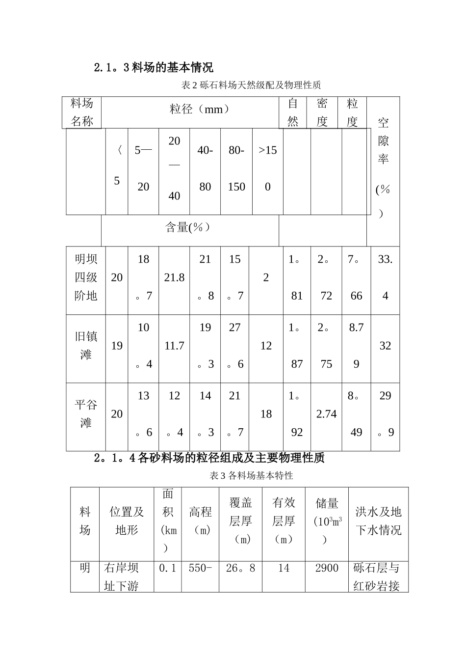
水利水电工程课程设计报告 姓 名: 韩 瑶 瑶 学 号: 1334001273275二 ○ 一 五 年 七 月1、课程设计目的和要求1.1 课程设计的目的(1)巩固水利水电工程施工课程的相关理论知识.(2)强化学生运用所学专业知识分析和解决工程施工实际问题的能力.(3)进一步培育学生的计算、绘图能力及使用设计法律规范、设计手册、定额、设计图集、参考资料等基本资料编写技术报告的能力。(4)培育学生掌握施工组织设计有关内容的设计方法与编制步骤.1。2 课程设计的要求(1)能根据设计任务书的要求,利用所给的基本资料,仔细独立地完成设计任务。(2)独立思考,敢于创新.(3)报告书应简明扼要,逻辑性强,结论准确,计算正确;方案有较全面的分析论证且具备良好的技术经济效益.(4)设计成果均装入档案袋,并注明班级、姓名、学号及资料清单,然后上交。2、设计题目2.1 工程概况S。T 工程枢纽属一级建筑物,由河床混凝土重力坝、溢洪道、右岸土坝和坝后厂房等部分组成.坝址上下游均有砂石材料,特别是坝址下游砂石藏量丰富,开采运输比较方便,质量一般符合工程要求。2。1.1 混凝土工程量及工期要求(1)C15 混凝土 (每位同学学号的最后两位数都不为零时采纳学号数的最后两位加 8,否则采纳 93。4),埋石率 5%。(2)C20 混凝土(若学号的倒数第二位数为零时,采纳学号数的最后一位数,否则采纳 12。6)(3)总工期 20 个月,在开工后的 8 个月内应完成混凝土总量的 30%~40%,15 个月内应完成总量的 80%~90%,剩余的在后 5个月内完成。2.1。2 混凝土的配合比表 1 混凝土配合比混凝土等级水灰比含砂率(%)1m3 混凝土中各材料的需要量(kg/m3)水水泥砂小石中石大石特大石C150.6421。3107。5167463427427428427C200.5620.41081934414314314324322.1。3 料场的基本情况表 2 砾石料场天然级配及物理性质料场名称粒径(mm)自然密密度(t/粒度空隙率(%)〈55—2020—4040-8080-150>150含量(%)明坝四级阶地2018。721.821。815。721。812。727。6633.4旧镇滩1910。411.719。327。6121。872。758.7932平谷滩2013。612。414。321。7181。922.748。4929。92。1。4 各砂料场的粒径组成及主要物理性质表 3 各料场基本特性料场位置及地形面积(km)高程(m)覆盖层厚(m)有效层厚(m)储量(103m3)洪水及地下水情况明右岸坝址下游0.1550-26。8142900砾石层与红砂岩接坝四级阶地1.2km 有2 条大冲沟3570平均触带 雨季有小泉流出...

1、当您付费下载文档后,您只拥有了使用权限,并不意味着购买了版权,文档只能用于自身使用,不得用于其他商业用途(如 [转卖]进行直接盈利或[编辑后售卖]进行间接盈利)。
2、本站所有内容均由合作方或网友上传,本站不对文档的完整性、权威性及其观点立场正确性做任何保证或承诺!文档内容仅供研究参考,付费前请自行鉴别。
3、如文档内容存在违规,或者侵犯商业秘密、侵犯著作权等,请点击“违规举报”。

碎片内容

水利工程施工课程设计报告

确认删除?
VIP
微信客服
  • 扫码咨询
会员Q群
  • 会员专属群点击这里加入QQ群
客服邮箱
回到顶部