电脑桌面
添加小米粒文库到电脑桌面
安装后可以在桌面快捷访问

表--乙酸乙酯的理化性质及危险特性

表--乙酸乙酯的理化性质及危险特性_第1页
1/2
表--乙酸乙酯的理化性质及危险特性_第2页
2/2
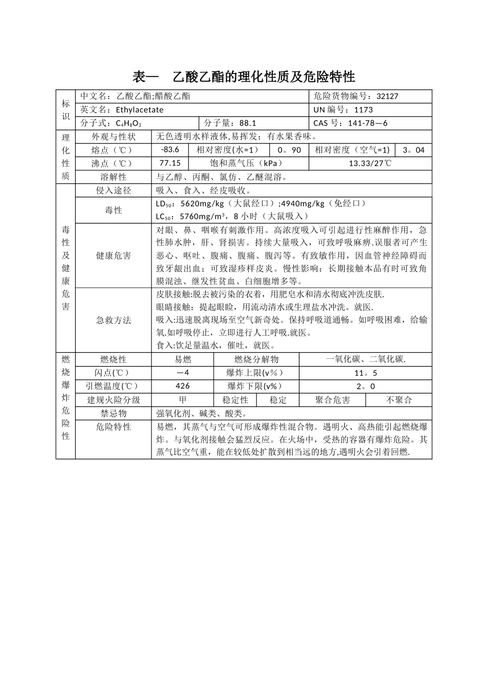
表— 乙酸乙酯的理化性质及危险特性标识中文名:乙酸乙酯;醋酸乙酯危险货物编号:32127英文名:EthylacetateUN 编号:1173分子式:C4H8O2分子量:88.1CAS 号:141-78—6理化性质外观与性状无色透明水样液体,易挥发;有水果香味。熔点(℃)-83.6相对密度(水=1)0。90相对密度(空气=1)3。04沸点(℃)77.15饱和蒸气压(kPa)13.33/27℃溶解性与乙醇、丙酮、氯仿、乙醚混溶。毒性及健康危害侵入途径吸入、食入、经皮吸收。毒性LD50:5620mg/kg(大鼠经口);4940mg/kg(免经口)LC50:5760mg/m3,8 小时(大鼠吸入)健康危害对眼、鼻、咽喉有刺激作用。高浓度吸入可引起进行性麻醉作用,急性肺水肿,肝、肾损害。持续大量吸入,可致呼吸麻痹.误服者可产生恶心、呕吐、腹痛、腹痛、腹泻等。有致敏作用,因血管神经障碍而致牙龈出血;可致湿疹样皮炎。慢性影响:长期接触本品有时可致角膜混浊、继发性贫血、白细胞增多等。急救方法皮肤接触:脱去被污染的衣着,用肥皂水和清水彻底冲洗皮肤.眼睛接触:提起眼睑,用流动清水或生理盐水冲洗。就医.吸入:迅速脱离现场至空气新奇处。保持呼吸道通畅。如呼吸困难,给输氧.如呼吸停止,立即进行人工呼吸.就医。食入:饮足量温水,催吐,就医。燃烧爆炸危险性燃烧性易燃燃烧分解物一氧化碳、二氧化碳.闪点(℃)—4爆炸上限(v%)11。5引燃温度(℃)426爆炸下限(v%)2。0建规火险分级甲稳定性稳定聚合危害不聚合禁忌物强氧化剂、碱类、酸类。危险特性易燃,其蒸气与空气可形成爆炸性混合物。遇明火、高热能引起燃烧爆炸。与氧化剂接触会猛烈反应。在火场中,受热的容器有爆炸危险。其蒸气比空气重,能在较低处扩散到相当远的地方,遇明火会引着回燃.储运条件与泄漏处理储运条件:储存于阴凉、通风的仓间内,远离火种、热源。保持容器密封;应与氧化剂、酸类、碱类分开存放,切忌混储。搬运时应轻装轻卸,防止包装和容器损坏.运输时所用的槽(罐)车应有接地链,槽内可设孔隔板以减少震荡产生静电。严禁与氧化剂、酸类、碱类、食用化学品等混装混运。装运该物品的车辆排气管必须配备阻火装置,禁止使用易产生火花的机械设备和工具装卸。公路运输时要按规定路线行驶,勿在居民区和人口稠密区停留.铁路运输时要禁止溜放.严禁用木船、水泥船散装运输。泄漏处理:迅速撤离泄漏污染区人员至安全区,并进行隔离,严格限制出入。切断火源。建议应急处理人员戴自给正压式呼吸器,穿消防防护服。尽可能切断泄漏源,防止进入...

1、当您付费下载文档后,您只拥有了使用权限,并不意味着购买了版权,文档只能用于自身使用,不得用于其他商业用途(如 [转卖]进行直接盈利或[编辑后售卖]进行间接盈利)。
2、本站所有内容均由合作方或网友上传,本站不对文档的完整性、权威性及其观点立场正确性做任何保证或承诺!文档内容仅供研究参考,付费前请自行鉴别。
3、如文档内容存在违规,或者侵犯商业秘密、侵犯著作权等,请点击“违规举报”。

碎片内容

表--乙酸乙酯的理化性质及危险特性

领读文化+ 关注
实名认证
内容提供者

传播文化,铸就未来

相关文档

确认删除?
VIP
微信客服
  • 扫码咨询
会员Q群
  • 会员专属群点击这里加入QQ群
客服邮箱
回到顶部