电脑桌面
添加小米粒文库到电脑桌面
安装后可以在桌面快捷访问

3umemo的运用知识讲座

3umemo的运用知识讲座_第1页
1/7
3umemo的运用知识讲座_第2页
2/7
3umemo的运用知识讲座_第3页
3/7
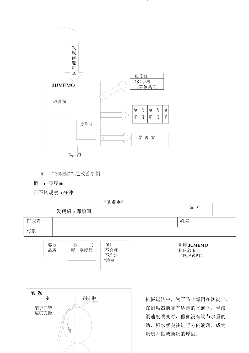
3UMEMO 的运用1何谓“3UMEMO”为了弥补人类健忘的毛病,发现存在于工作现场的 3U(不合理 unreasonableness、不均匀unevenness、浪费和无效 uselessness),使其显在化,这就是“3UMEMO”。① 目的 监督者认真观察自己的工作现场,养成洞察力,作为改善的日记。② 作用方法 发现问题(不合理、不均匀、浪费)时就作记录; 即使没有改善方案也要养成记录的习惯; 有答案时将结果填入表里。③ 应用 将结果当作改善提案提出; 作为提案用纸之附件,则更具效果; 可利用于组织制度等的改善活动; 可活用于小集团活动; 可作为技术情报收集之横向进展。2关于 3U 的检查表作业者机械、设备材料勉 强作业人员是否太少人员的调配是否适当能否工作得更舒适一点能否更为清闲一点姿势处理方法有否牵强之处机械的能力是否良好机械的精度是否良计测器的精度是否良好材质、强度有否牵强之处有否难以加工之处交货期是否有牵强之处 浪 费 有否[等待]的现象作业余暇是否太多有否浪费的移动工作的程序是否良好人员的配置是否适当机械的转动状态如何钻模是否妥善地被活用机械的加工能力(大小、精度有否浪费之处有否进行自动化、省力化平均的转动率是否切适废弃物是否能加以利用材料是否剩余很多修正的程度如何有否再度涂饰(续上)不 均忙与闲的不均情形如何工作量的不均情形如何个人差异是否很大动作的联系是否顺利,有否相互等待的情形工程的负荷是否均衡有否等待的时间、空闲的时间生产线是否平衡,有否不均衡的情形材质有否不均的现象有否发生歪曲的现象材料是否能充分地供应尺寸、精度的误差是否在允许的范围之内3“3UMEMO”的填写程序“3UMEMO”在填写问题点阶段,应利用 5W1H,掌握宣的实际情形。 填写所属工作单位名称 填写姓名 整理编号必须是一贯的编号 作业内容详细填写 3UMEMO ⑨ ⑿ 改善要点的重要说明 成果的填写 金额 填写和提案的关系 画出简易图形4“3UMEMO”实施改善手法 编号①②③ ④⑤⑥□1.不合理□2. 不 均 匀 ⑦□3.浪费 ⑧ ⑩ ⒁ ⒂ ⒃ ⒄ ⑾⒀ 要点发现问题时一定要填定日期尽量以具体定量的表示写出问题点画出问题点之略图具体、定量地写出解决问题的方案与实施事项想出解决方案或实施时的日期圈 出 属 于中的那一项工程名称不合理不均匀浪费材料设备方法人 目不转睛观察5分钟何事(w...

1、当您付费下载文档后,您只拥有了使用权限,并不意味着购买了版权,文档只能用于自身使用,不得用于其他商业用途(如 [转卖]进行直接盈利或[编辑后售卖]进行间接盈利)。
2、本站所有内容均由合作方或网友上传,本站不对文档的完整性、权威性及其观点立场正确性做任何保证或承诺!文档内容仅供研究参考,付费前请自行鉴别。
3、如文档内容存在违规,或者侵犯商业秘密、侵犯著作权等,请点击“违规举报”。

碎片内容

3umemo的运用知识讲座

确认删除?
VIP
微信客服
  • 扫码咨询
会员Q群
  • 会员专属群点击这里加入QQ群
客服邮箱
回到顶部