电脑桌面
添加小米粒文库到电脑桌面
安装后可以在桌面快捷访问

EIO-HF以太网远程IO联网产品快速安装指南

EIO-HF以太网远程IO联网产品快速安装指南_第1页
1/7
EIO-HF以太网远程IO联网产品快速安装指南_第2页
2/7
EIO-HF以太网远程IO联网产品快速安装指南_第3页
3/7
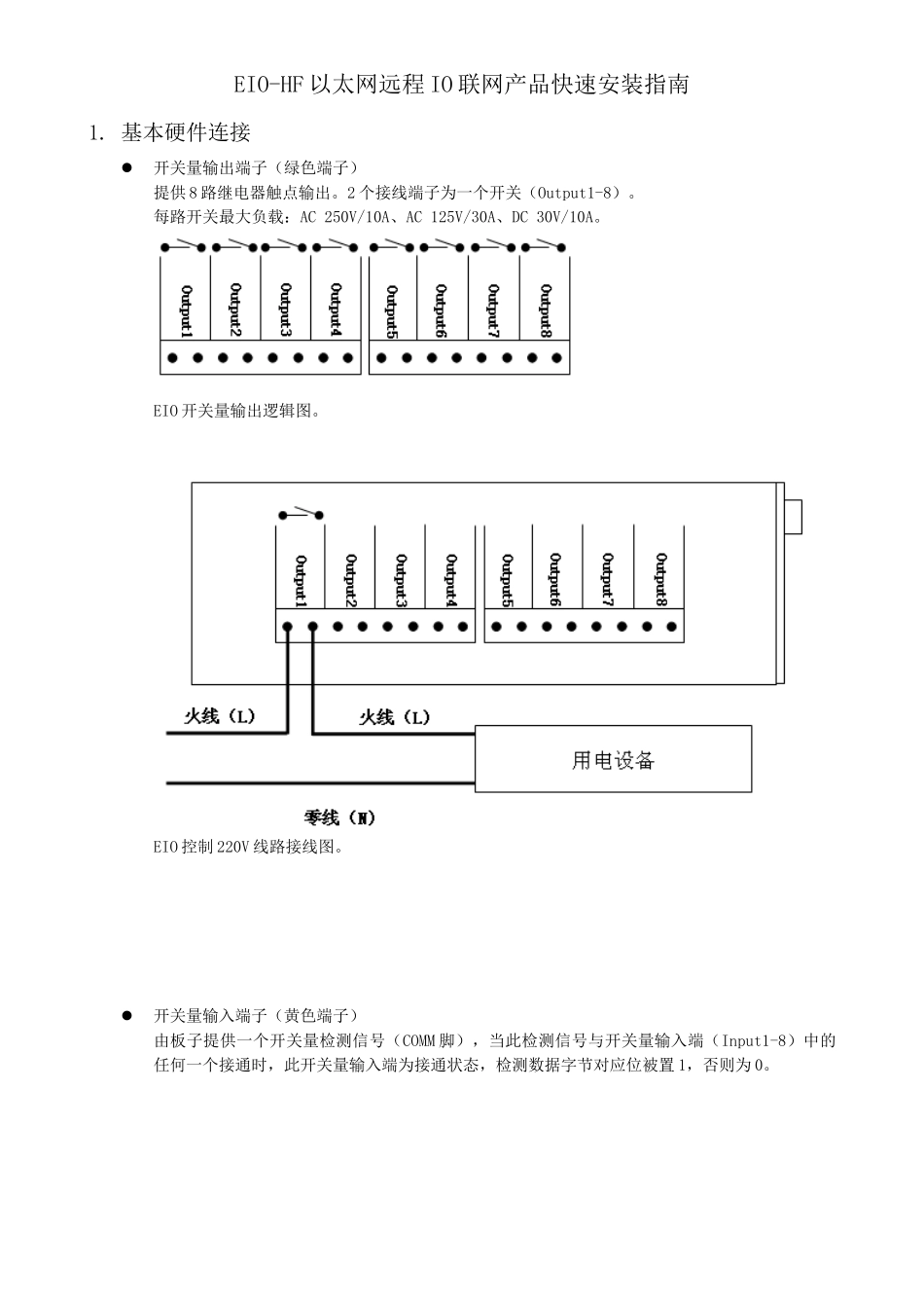
EIO-HF 以太网远程 IO 联网产品快速安装指南1. 基本硬件连接开关量输出端子(绿色端子)提供 8 路继电器触点输出。2 个接线端子为一个开关(Output1-8)。每路开关最大负载:AC 250V/10A、AC 125V/30A、DC 30V/10A。EIO 开关量输出逻辑图。EIO 控制 220V 线路接线图。开关量输入端子(黄色端子)由板子提供一个开关量检测信号(COMM 脚),当此检测信号与开关量输入端(Input1-8)中的任何一个接通时,此开关量输入端为接通状态,检测数据字节对应位被置 1,否则为 0。温湿度传感器接口建议使用 0.5mm 或以上线径的 4 芯屏蔽线或 4 芯护套线,连接 EIO-HF 和温湿度传感器探头。最远通讯距离可达 15 米。不可使用网线作为通讯线。电源输入DC12V 500mA 端子式电源输入,请根据外壳文字说明连接电源正负极。使用过程中,假如由于供电电源超过上述规定而造成的损失,不在免费保修范围之内。RS232/RS485 接口UART 端口的 1、9 脚分别对应 RS485 的 A+、B-。UART 端口的 2、3、5 分别对应 RS232 的收、发、地。控制通讯方式及协议<通过以太网&TCP/IP 控制>:此模式为默认模式,通过 TCP/IP Modbus TCP 通讯协议进行控制,设备监听在 502 端口,具体报文格式及内容,请查看光盘内的《EIO 技术配置手册》,或使用光盘内的演示软件查看控制报文。应用软件可以使用 Socket 法律规范与 EIO 建立用于控制通讯 TCP/IP 连接。也可以 VSPM 软件,将 EIO 映射成本机的虚拟 COM,应用软件采纳串口编程方式与 EIO 进行控制通讯。RS232 协议转换RS232 协议转换默认 TCP/IP 监听端口为 6020,连接到此端口,或将此端口映射成虚拟串口,即可通讯。RS485 协议转换RS485 协议转换默认 TCP/IP 监听端口为 6021,连接到此端口,或将此端口映射成虚拟串口,即可通讯。网络设备支持 10Mbps 以太网接入,不支持网线自动翻转,假如与网卡连接,需要使用交叉网线。与交换机或集线器连接,使用普通的 568B/A 网线即可。2. 检查运行状态上电后就可以观察设备的工作状态。正常情况下,指示灯每隔一秒闪耀一次,长亮或长灭都为不正常状态。以太网连接正常时<联接>指示灯将长亮。其他状态,参考下面的指示灯含义说明。Data:网络数据,以太网连接有数据传输时闪耀。Link:网络连接,以太网连接正常时为长亮。Work:正常启动并工作后,每隔一秒闪耀一次,长亮或长灭都为故障状态...

1、当您付费下载文档后,您只拥有了使用权限,并不意味着购买了版权,文档只能用于自身使用,不得用于其他商业用途(如 [转卖]进行直接盈利或[编辑后售卖]进行间接盈利)。
2、本站所有内容均由合作方或网友上传,本站不对文档的完整性、权威性及其观点立场正确性做任何保证或承诺!文档内容仅供研究参考,付费前请自行鉴别。
3、如文档内容存在违规,或者侵犯商业秘密、侵犯著作权等,请点击“违规举报”。

碎片内容

EIO-HF以太网远程IO联网产品快速安装指南

您可能关注的文档

确认删除?
VIP
微信客服
  • 扫码咨询
会员Q群
  • 会员专属群点击这里加入QQ群
客服邮箱
回到顶部