电脑桌面
添加小米粒文库到电脑桌面
安装后可以在桌面快捷访问

化妆品生产许可检查项目105项

化妆品生产许可检查项目105项_第1页
1/28
化妆品生产许可检查项目105项_第2页
2/28
化妆品生产许可检查项目105项_第3页
3/28
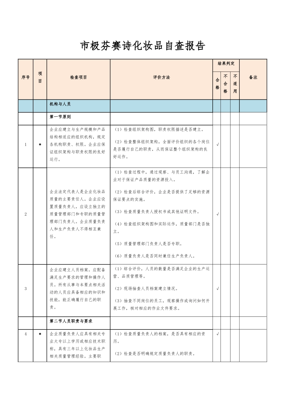
市极芬赛诗化妆品自查报告序号项目检查项目评价方法结果判定备注合格不合格不适用机构与人员第一节原则1*企业应建立与生产规模和产品结构相适应的组织机构,规定各机构职责、权限。企业应保证组织架构与职责权限的良好运行。(1)检查组织架构图,职责权限描述是否建立。(2)检查整体组织架构,全面评价组织的各个岗位是否履行自己的职责,从而保证整个组织架构的良好运作。√2企业法定代表人是企业化妆品质量的主要责任人。企业应设置质量负责人,应设立独立的质量管理部门和专职的质量管理部门负责人。企业质量负责人和生产负责人不得相互兼任。(1)检查过程中,通过观察、与员工沟通,了解企业对于保证产品质量的资源投入。(2)检查后综合评价,企业是否提供了足够的资源保证要点的实施。(3)检查质量负责人授权书或其他证明文件。(4)检查组织架构图和实际运作,质量部门是否独立。(5)质量管理部门负责人是否专职。(6)质量负责人是否同时兼任生产负责人。√3企业应建立人员档案。应配备满足生产要求的管理和操作人员。所有从事与本要点相关活动的人员应具备相应的知识和技能,能正确履行自己的职责。(1)综合评价,人员的数量是否满足企业的生产运营、品质管理等。(2)现场抽查人员档案建立情况。(3)抽查不同岗位的员工,观察操作或询问如何开展工作,核对相应的作业文件要求。√第二节人员职责与要求4*企业质量负责人应具有相关专业大专以上学历或相应技术职称,具有三年以上化妆品生产相关质量管理经验。主要职(1)检查质量负责人的档案,是否具有相应的资历。(2)检查是否明确规定质量负责人的职责。√序号项目检查项目评价方法结果判定备注合格不合格不适用责:4.1 本要点的组织实施;4.2 质量管理制度体系的建立和运行;4.3 产品质量问题的决策。质量管理部门负责人应具有相关专业大专以上学历或相应技术职称,具有三年以上化妆品生产相关质量管理经验。主要职责:4.4 负责部检查与产品召回等质量管理活动;4.5 确保质量标准、检验方法、验证和其他质量管理规程有效实施;4.6 确保原料、包装材料、中间产品和成品符合质量标准;4.7 评价物料供应商;4.8 负责产品的放行;4.9 负责不合格品的管理;4.10 负责其他与产品质量有关的活动。(3)了解其某一职责是如何开展的。(4)了解其履职的能力是否胜任。(5)检查质量管理部门负责人学历证书或职称证书与档案,是否具有相应资质与经验。(6)了解其某一职责是如...

1、当您付费下载文档后,您只拥有了使用权限,并不意味着购买了版权,文档只能用于自身使用,不得用于其他商业用途(如 [转卖]进行直接盈利或[编辑后售卖]进行间接盈利)。
2、本站所有内容均由合作方或网友上传,本站不对文档的完整性、权威性及其观点立场正确性做任何保证或承诺!文档内容仅供研究参考,付费前请自行鉴别。
3、如文档内容存在违规,或者侵犯商业秘密、侵犯著作权等,请点击“违规举报”。

碎片内容

化妆品生产许可检查项目105项

确认删除?
VIP
微信客服
  • 扫码咨询
会员Q群
  • 会员专属群点击这里加入QQ群
客服邮箱
回到顶部