电脑桌面
添加小米粒文库到电脑桌面
安装后可以在桌面快捷访问

球形端盖注塑模具设计说明

球形端盖注塑模具设计说明_第1页
1/33
球形端盖注塑模具设计说明_第2页
2/33
球形端盖注塑模具设计说明_第3页
3/33
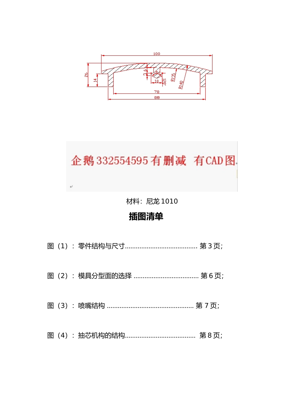
毕业设计论文论文题目:球形端盖注塑模具设计系部:专 业:班级:姓名:学号: 0 指导老师:完成时间:毕业设计/论文任务书题目:球形端盖注塑模具设计容:(1)端盖的结构工艺分析;(2)端盖塑料注射模设计,绘制模具总装图一(A1 图);(3)画出非标准零件图(1 手工绘图);(4)编写设计说明书一份;原始资料:材料:尼龙 1010插图清单 图(1):零件结构与尺寸…………………………………. 第 3 页; 图(2):模具分型面的选择 ……………………………… 第 6 页; 图(3):喷嘴结构 ………………………………………… 第 7 页; 图(4):抽芯机构的结构………………………………… 第 8 页; 图(5):支架螺杆的结构………………………………… 第 13 页;表格清单 表格(1):型腔型芯的工作尺寸......................第 10 页;表格(2):模具典型零件加工工艺过程卡片…………….第 18 页;英文摘要Abstract Should make the structure characteristic of the piece can know,(1) its inner part have a convex set of the inverted barbs type, so need inside take out the organization of core , inside take out the type that the core differ from the general side toward cent with take out the organization of core , because it can't have to take out to pull out to be apart from very greatly, also can hardly make use of to open the mold to match the mold motive;(2)Because make an outer circle contain a good luck with convex wreath, need to be second class to take off the mold organization again from here, taking off the mold organization simple or not have very big influence to structure complicated degree and manufacturing costs of the molding tool;(3)Because that material is a nylon 1010, it models the craft more complicated, model the craft characteristic according to this material, design the qualified molding tool structure and model the craft parameter to make selection is it is again an a little bit difficult;(4)In ...

1、当您付费下载文档后,您只拥有了使用权限,并不意味着购买了版权,文档只能用于自身使用,不得用于其他商业用途(如 [转卖]进行直接盈利或[编辑后售卖]进行间接盈利)。
2、本站所有内容均由合作方或网友上传,本站不对文档的完整性、权威性及其观点立场正确性做任何保证或承诺!文档内容仅供研究参考,付费前请自行鉴别。
3、如文档内容存在违规,或者侵犯商业秘密、侵犯著作权等,请点击“违规举报”。

碎片内容

球形端盖注塑模具设计说明

确认删除?
VIP
微信客服
  • 扫码咨询
会员Q群
  • 会员专属群点击这里加入QQ群
客服邮箱
回到顶部