电脑桌面
添加小米粒文库到电脑桌面
安装后可以在桌面快捷访问

龙池西锦二期工程项目-落地卸料平台搭设施工方案

龙池西锦二期工程项目-落地卸料平台搭设施工方案_第1页
1/11
龙池西锦二期工程项目-落地卸料平台搭设施工方案_第2页
2/11
龙池西锦二期工程项目-落地卸料平台搭设施工方案_第3页
3/11
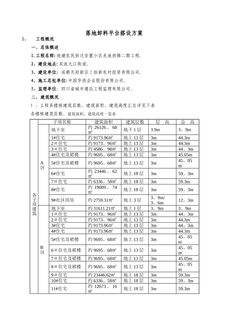
落地卸料平台搭设方案1、工程概况一、总体概述1.工程名称:统建农民拆迁安置小区龙池西锦二期工程.2、建设地点:双流九江街道。3、建设单位:成都天府新区三怡新农村投资有限公司.4、施工总包单位:中国华西企业股份有限公司。5、监理单位:四川省城市建设工程监理有限公司。 二、建筑概况1 、工程各楼栋建筑层数、建筑面积、建筑高度汇总详见下表各楼栋建筑层数、建筑面积、建筑高度一览表各子项建筑子项名称建筑面积建筑层数层 高总 高A区地下室约 26126 。 68㎡地下 1 层3.9m3。9m1#住宅约 9173.96㎡地上 13 层3m44.3m 2#住宅约 9173。96㎡地上 13 层3m44.3m 3#住宅约 4586。98㎡地上 13 层3m44。3m 4#住宅及裙楼约 9695。68㎡地上 13 层3m45.05m5#住宅及裙楼约 9695。68㎡地上 13 层3m45。05m 6#住宅约 23446 。 62㎡地上 18 层3m59。3m7#住宅约 6336。58㎡地上 18 层3m59.3m 8#住宅约 19009 。 74㎡地上 18 层3m59。3m 9#社区用房约 2759.31㎡地上 3 层3。9m/3。6m12。3m B区地下室约 31611.21㎡地上 1 层3。9m3。9m 1#住宅约 9173。96㎡地上 13 层3m44。3m2#住宅约 9173。96㎡地上 13 层3m44.3m 3#住宅约 9173.96㎡地上 13 层3m44。3m 4#住宅约 9173.96㎡地上 13 层3m44.3m5#住宅及裙楼约 9695。68㎡地上 13 层3m45。05m6#住宅及裙楼约 9695。68㎡地上 13 层3m45。05m7#住宅及裙楼约 9695。68㎡地上 13 层3m45.05m8#住宅及裙楼约 9695。68㎡地上 13 层3m45。05m9#住宅约 23446.62㎡地上 18 层3m59.3m10#住宅约 6336。58㎡地上 18 层3m59。3m11#住宅约 12673 。 16㎡地上 18 层3m59.3m12#社区用房约 2422.48㎡地上 3 层3.9m/3。6m12。3m2、建筑结构: 基础形式为筏板基础(车库为独立柱),剪力墙结构(地下车库为框剪结构),地下 1层,地上 13(18)层,标准层层高 3 米.A 区 1—8 号楼为剪力墙结构,9 号楼为框架结构;B区 1-11 号楼为剪力墙结构,12 号楼为框架结构。抗震设防烈度为 7°。2、 施工流程2。1 落地式脚手架接料平台地基基础处理→立杆垫板铺设→立杆位置放线→竖立杆(随即立杆与扫地杆用直角扣件扣紧) →扫地小横杆→第一步大横杆→第一步小横杆→校正立杆→第二步大横杆→第二步小横杆→连墙件→防护栏杆→剪刀撑→铺设脚手板→接立杆→加设剪刀撑……以此类推。3、施工方法(安装方法)3.1 接料平台的...

1、当您付费下载文档后,您只拥有了使用权限,并不意味着购买了版权,文档只能用于自身使用,不得用于其他商业用途(如 [转卖]进行直接盈利或[编辑后售卖]进行间接盈利)。
2、本站所有内容均由合作方或网友上传,本站不对文档的完整性、权威性及其观点立场正确性做任何保证或承诺!文档内容仅供研究参考,付费前请自行鉴别。
3、如文档内容存在违规,或者侵犯商业秘密、侵犯著作权等,请点击“违规举报”。

碎片内容

龙池西锦二期工程项目-落地卸料平台搭设施工方案

阳光书坊+ 关注
实名认证
内容提供者

阳光书坊,传播未来

确认删除?
VIP
微信客服
  • 扫码咨询
会员Q群
  • 会员专属群点击这里加入QQ群
客服邮箱
回到顶部