电脑桌面
添加小米粒文库到电脑桌面
安装后可以在桌面快捷访问

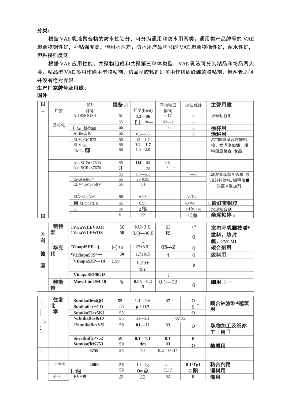
VAE乳液简单整理

VAE乳液简单整理_第1页
1/9
VAE乳液简单整理_第2页
2/9
VAE乳液简单整理_第3页
3/9
63.57%命名:在我国,人们根据醋酸乙烯含量的不同,将乙烯与醋酸乙烯共聚物分为 EVA 树脂、EVA 橡胶和 VAE 乳液。醋酸乙烯含量小于 40%的产品为 EVA 树脂;醋酸乙烯含量 40%~70%的产品很柔韧;富有弹性特征,人们将这一含量范围的 EVA 树脂有时称为 EVA 橡胶;醋酸乙烯含量在 70%~95%范围内通常呈乳液状态,称为 VAE 乳液,VAE 乳液外观呈乳白色或微黄色。结构:特点:作为聚醋酸乙烯共聚物中最大品种的醋酸乙烯-乙烯共聚物(VAE),不仅具 PVAc(优异的粘接性能、快粘性和成膜性,价格低,易生产,适用广,易改性)的优点,而且在强度、机械性能和耐热性等方面得到改善,因而自 1965 年发明以来,其增长速度远超其他两大系列乳液(醋酸乙烯和丙烯酸)。目前,有从航空航天用到化学化工用的具有不同 Tg 范围、不同功能单体、含极少挥发性的有机化合物和很高固含量的各种 VAE 乳液。VAE 乳液与许多其他原材料和聚合物系统有很高的适配性,许多聚合物可直接经简单搅拌设备添加到乳液中。生产方法和用途:VAE 乳液的合成方法大致有以下两种,间歇法和连续法。间歇法:把下列物质,加人带有搅拌器和温度调节器的不锈钢加压反应器中:水 33.25 貓维诺尔-523(聚乙烯醇)0.02Pa^0.77%PVA205(聚乙烯醇)2.40%硫酸亚铁镀适量将反应混合物在 270r/min 的转速下搅拌,在 70T 下加热 1 忆使聚乙烯醇全部溶解。将加人物冷却至 30 弋后,添加如下物质:醋酸乙烯盐酸(37%)适量甲醛合次硫酸钠然后用氮气及乙烯置换反应器,除去所有的氧气•并把加人的物料加热CH]~H到.55^0 反应过程中,乙烯压力加到 39kg/cm=,搅拌器调整到 270r/nrin,在 15min 内使气相乙烯与溶解在醋酸乙烯中的乙烯达到相平衡。这可以从送入反应器的乙烯流量为零看出。然肓将 150ml 的 625%过氧化氢溶液加人反应釜內,使聚合开始乜聚合时间为 4.5 也在聚合过程中,以种种不同浓度添加总量为 20g 的过氧化氢(折合就 100%)及 10g 甲醛合次硫釀钠(配成 10%的水溶液人将乳液冷至室温,用氨中和到 pH=5.5,得列的乙烯-醋酸乙烯共聚乳液有如下性质:蒸发残存 51,5%共聚物中乙烯含量 18%-20%苯不溶物 58%扭矩摸量为 9491.44k^/em3时的温度 0 工扭矩摸量为 703.07k 附亦?时的温度+8X 粒径约 0.3 问特性粘度(苯,30 七)0.83连续法:乙烯-醋酸乙烯共聚乳液的制备,现基本采用连续聚合方法——在种子乳液的存在下,进行预备聚合,再...

1、当您付费下载文档后,您只拥有了使用权限,并不意味着购买了版权,文档只能用于自身使用,不得用于其他商业用途(如 [转卖]进行直接盈利或[编辑后售卖]进行间接盈利)。
2、本站所有内容均由合作方或网友上传,本站不对文档的完整性、权威性及其观点立场正确性做任何保证或承诺!文档内容仅供研究参考,付费前请自行鉴别。
3、如文档内容存在违规,或者侵犯商业秘密、侵犯著作权等,请点击“违规举报”。

碎片内容

VAE乳液简单整理

您可能关注的文档

确认删除?
VIP
微信客服
  • 扫码咨询
会员Q群
  • 会员专属群点击这里加入QQ群
客服邮箱
回到顶部