电脑桌面
添加小米粒文库到电脑桌面
安装后可以在桌面快捷访问

建筑用岩棉绝热制品VIP免费

建筑用岩棉绝热制品_第1页
1/15
建筑用岩棉绝热制品_第2页
2/15
建筑用岩棉绝热制品_第3页
3/15
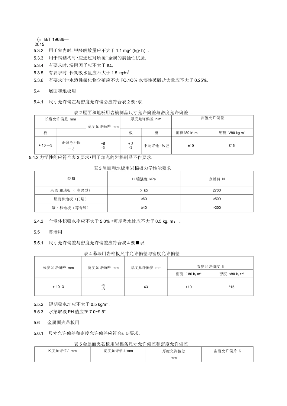
(JB/T19686—2015建筑用岩棉绝热制品1范图本标准1«定了建筑领域川岩椅绝热制品(以下何称岩棉制品)的适川也困、分类和标记、要求、试验方法、检段爆则、标志、包装、运输及IT存.本标准适用J:在建筑物闹护结构上使用的岩椅制品.也适用「•在具有保温功能的建筑构件和地板使用的岩棉制品.本标准不适用于外墙外保温薄抹灰系统使用的岩棉制品.2规范性引用文件下列文件对于本文件的应用是必不"I少的。凡是注H期的引用文件•仅注Il期的版本适用于本文件。凡是不注H期的引用文件•其坡新版本(包括所有的修改W)适用于•本文件。GB/T191包装储运图示标志GB/T4132绝热材料及相关其术IftGB/T5480矿物棉及丈制品试验方法GB6566建筑材料放射性核素限MGB/T6682分析实验室用水规格和试验方法GB8624-2012建筑材料及制儿燃烧件能分级(;B/T10291绝热材料稳态热阻及有关特性的测定防护热板法GB/T10295绝热材料稳态热阻及行关特性的测定热流计法GB/T10299绝热材料憎水性试验方法OB/T11835-2007绝热用岩棉、矿清棉及K制品GB/T13480建筑用绝热制品压缩性能的溯定GB/T177942008柔性泡沫橡旭绝热制品GB/T18696.1声学阻抗管中吸声系数和声阻抗的测量第1部分:驻波比法GB/T18696.2市学阻抗管中吸声系数和声阻抗的测量第2部分:传递函数法GB/T20247GB/T30801GB/T30802GB/T30804(;B/T30805(;B/T30807GB/T32379小学混响室吸声测Irt建筑材料及制品湿热性能透湿性能的测定箱式法建筑用绝热制品点载荷性能的测定建筑用绝热制品垂汽于表面抗拉强度的测定建筑用绝热制品部分浸入法测定短期吸水量建筑用绝热制品浸泡法测定长期吸水性矿物棉及其制品甲fl?释放鼠的海定建筑用绝热制品的切性能的测定3术语和定义GB/T4132界定的以及以下术语和定义适用于本文件.(;B/T19686—20153.1岩棉条rockwllamella将岩棉板以一定的间距切割成条状翻转90。使}'的制品.该制品的厚度为切割间距•宽度为原岩棉板的厚度.4分类和标记4.1分类按用途分为Jd面和地板用、薛墙川、金属面夹芯板用、剂结构和内保温用.按形式分为板、毡和条.4.2标记产品标记由产品名称、标准号和产品技术特征三部分组成,产品名称应包括产品用途.产品技术特征包括:a)密度.整位为k*/m∖b)尺k长度X宽度X厚度•长度、宽度和厚度的单位均为mm:C)其他标记•放住尺才后面的括号内•如标称导热系数、制造商标记、外袱层等.示例1:密度为180kgm.氏度.宽度和厚度分别为1200mm.6∞nιm,8θmm.无外SI房的屋面川岩棉板毋记为1屋面用岩棉板GB/T19686180-1200×600X80.示例2:密度为8().mL长鹰.宽度和号度分剂为10000mm,l200mm,50mm.带解箱外收层的钢J掏用若利毡棒记为IIR结构用岩ft∣TGB∕T1968680-10000X12OO×5O(tfiJft).5要求5.1总则以下•所有要求(除外观和燃烧性能外)仅适用于⅛材。5.2通用要求5.2.1外观要求:构脂分布均匀.表面平整•不得有妨羁使用的伤痕、污迹、破损:若存在外Fg层.外覆层与基材的粘结应平整牢固.5.2.2所行制品的基本物理性能应符合我1的规定表1基本物理性能要求纤维平均直粒~m渣球含区(粒径大F0.25mm)%酸度系数V热系数(平均SH度25【)W∕(m∙K)燃烧性能质F吸湿率%憎水率%放射性核索板条I.≤6.0≤7.021.6≤0.040《0.048A级≤0.5≥98.0≤ι.o≤ι.o5.3选做性能5.3.1用5吸声构造时,应满足降噪系数不小于0.45(驻波管法)或0.70(混响。法).(;B/T19686—20155.3.2用于室内时.甲醛解放量应不大于1.1mg∕(kg∙h).5.3.3用于钢结构时•应通过对所覆^金属的腐蚀性试脸.5.3.4有要求时.湿附因子应不大于IOe5.3.5有要求时.长期吸水量应不大于1.5kg∕n√.5.3.6有要求时•水溶性氯化物含殖应不大FQ.1O%∙水溶性破版盐含量应不大于0.25%.5.4展面和地板用5.4.1尺寸允许偏左与密度允许偏必应符合衣2要:求.表2屋面和地板用岩槁制品尺寸允许偏差与密度允许偏差长度允许偏差mm宽度允许偏差mm厚度允许偏差nιm宙置允许偏差板板出密班?80k*m密度V80kgm'+10—3正偏考不限一3÷5-3+3-3不允许他1⅛匠±10£155.4.2力学性能应符合表3要求•用于加充的岩棉制品不作要求.表3屋面和地板用岩棉板力学性能要求类SlHi缩强度kPa点就荷N乐Ifti和地板<高...

1、当您付费下载文档后,您只拥有了使用权限,并不意味着购买了版权,文档只能用于自身使用,不得用于其他商业用途(如 [转卖]进行直接盈利或[编辑后售卖]进行间接盈利)。
2、本站所有内容均由合作方或网友上传,本站不对文档的完整性、权威性及其观点立场正确性做任何保证或承诺!文档内容仅供研究参考,付费前请自行鉴别。
3、如文档内容存在违规,或者侵犯商业秘密、侵犯著作权等,请点击“违规举报”。

碎片内容

建筑用岩棉绝热制品

确认删除?
VIP
微信客服
  • 扫码咨询
会员Q群
  • 会员专属群点击这里加入QQ群
客服邮箱
回到顶部