电脑桌面
添加小米粒文库到电脑桌面
安装后可以在桌面快捷访问

项目一发动机曲柄连杆机构与机体组件拆装考核

项目一发动机曲柄连杆机构与机体组件拆装考核_第1页
1/6
项目一发动机曲柄连杆机构与机体组件拆装考核_第2页
2/6
项目一发动机曲柄连杆机构与机体组件拆装考核_第3页
3/6
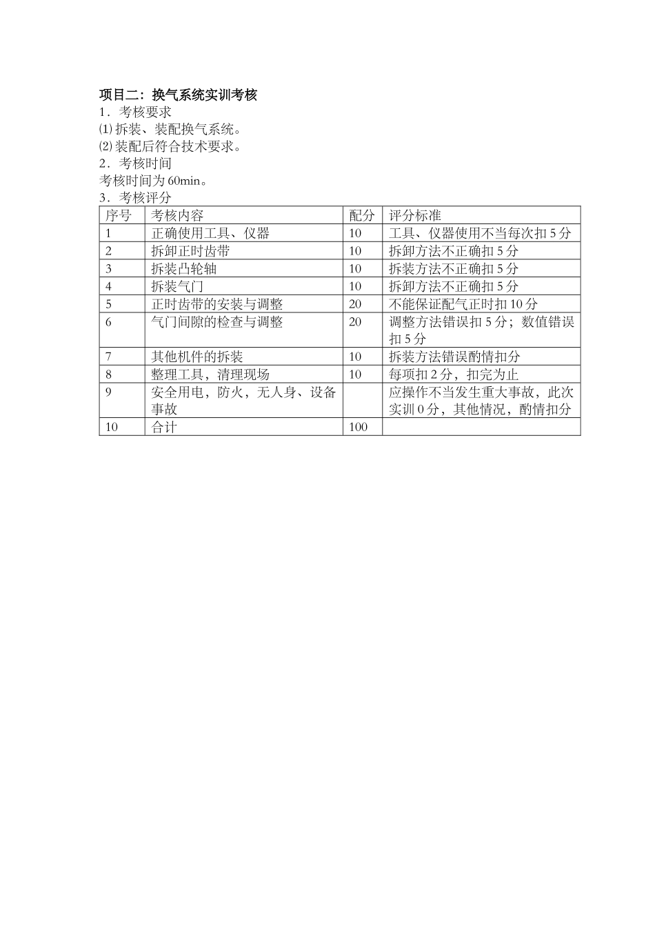
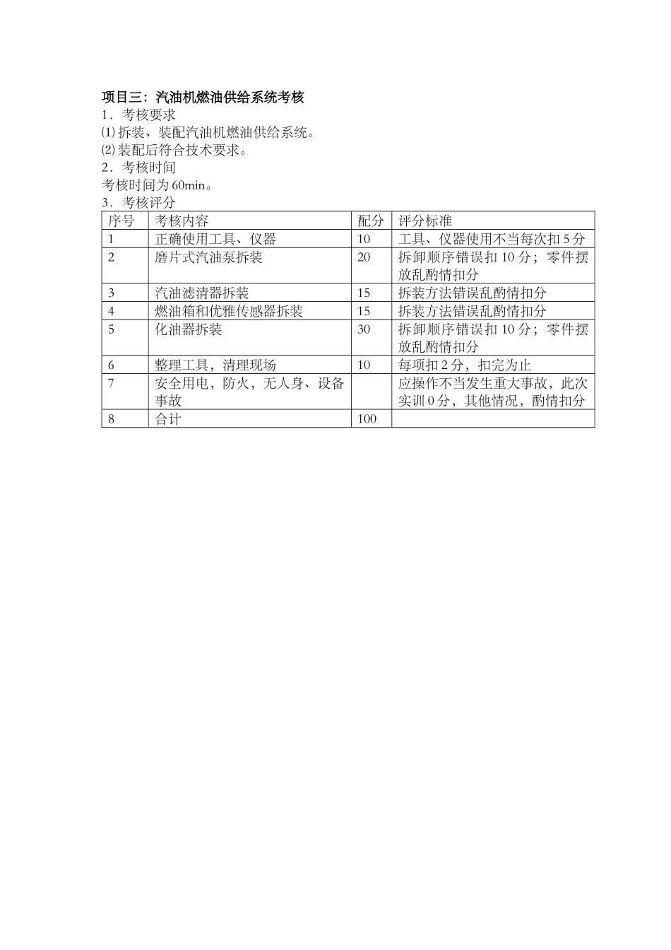
项目一:发动机曲柄连杆机构与机体组件拆装考核1.考核要求⑴ 正确拆装曲柄连杆机构。⑵ 熟练检查机体组件。2.考核时间考核时间为 60min。3.实验设备4.考核评分序号考核内容配分评分标准1正确使用工具、仪器10工具、仪器使用不当每次扣 5 分2拆卸机体组件10拆卸方法不正确每次扣 5 分3拆装活塞连杆组件10拆卸方法不正确每次扣 5 分;不作标记、摆放不按顺序扣 5 分4拆卸曲轴飞轮组件10拆卸方法不正确每次扣 5 分5机体上平面翘曲度的检查10检查不正确每次扣 3 分6气缸磨损程度测量10检查不正确每次扣 5 分7活塞环侧间隙和开口间隙测量10检查不正确每次扣 5 分8连杆的弯曲与扭曲的检查10检查不正确每次扣 5 分9曲轴磨损量、轴向间隙和各径向间隙的检查15检查不正确每次扣 5 分10操作现场整洁,安全用电,防火,无人身、设备事故15应操作不当发生重大事故,此次实训 0 分,其他情况,酌情扣分11合计100项目二:换气系统实训考核1.考核要求⑴ 拆装、装配换气系统。⑵ 装配后符合技术要求。2.考核时间考核时间为 60min。3.考核评分序号考核内容配分评分标准1正确使用工具、仪器10工具、仪器使用不当每次扣 5 分2拆卸正时齿带10拆卸方法不正确扣 5 分3拆装凸轮轴10拆装方法不正确扣 5 分4拆装气门10拆卸方法不正确扣 5 分5正时齿带的安装与调整20不能保证配气正时扣 10 分6气门间隙的检查与调整20调整方法错误扣 5 分;数值错误扣 5 分7其他机件的拆装10拆装方法错误酌情扣分8整理工具,清理现场10每项扣 2 分,扣完为止9安全用电,防火,无人身、设备事故应操作不当发生重大事故,此次实训 0 分,其他情况,酌情扣分10合计100项目三:汽油机燃油供给系统考核1.考核要求⑴ 拆装、装配汽油机燃油供给系统。⑵ 装配后符合技术要求。2.考核时间考核时间为 60min。3.考核评分序号考核内容配分评分标准1正确使用工具、仪器10工具、仪器使用不当每次扣 5 分2磨片式汽油泵拆装20拆卸顺序错误扣 10 分;零件摆放乱酌情扣分3汽油滤清器拆装15拆装方法错误乱酌情扣分4燃油箱和优雅传感器拆装15拆装方法错误乱酌情扣分5化油器拆装30拆卸顺序错误扣 10 分;零件摆放乱酌情扣分6整理工具,清理现场10每项扣 2 分,扣完为止7安全用电,防火,无人身、设备事故应操作不当发生重大事故,此次实训 0 分,其他情况,酌情扣分8合计100项目四:柴油机燃油供给系统考核1.考核要求⑴ 拆装、装配柴油机燃...

1、当您付费下载文档后,您只拥有了使用权限,并不意味着购买了版权,文档只能用于自身使用,不得用于其他商业用途(如 [转卖]进行直接盈利或[编辑后售卖]进行间接盈利)。
2、本站所有内容均由合作方或网友上传,本站不对文档的完整性、权威性及其观点立场正确性做任何保证或承诺!文档内容仅供研究参考,付费前请自行鉴别。
3、如文档内容存在违规,或者侵犯商业秘密、侵犯著作权等,请点击“违规举报”。

碎片内容

项目一发动机曲柄连杆机构与机体组件拆装考核

您可能关注的文档

确认删除?
VIP
微信客服
  • 扫码咨询
会员Q群
  • 会员专属群点击这里加入QQ群
客服邮箱
回到顶部