电脑桌面
添加小米粒文库到电脑桌面
安装后可以在桌面快捷访问

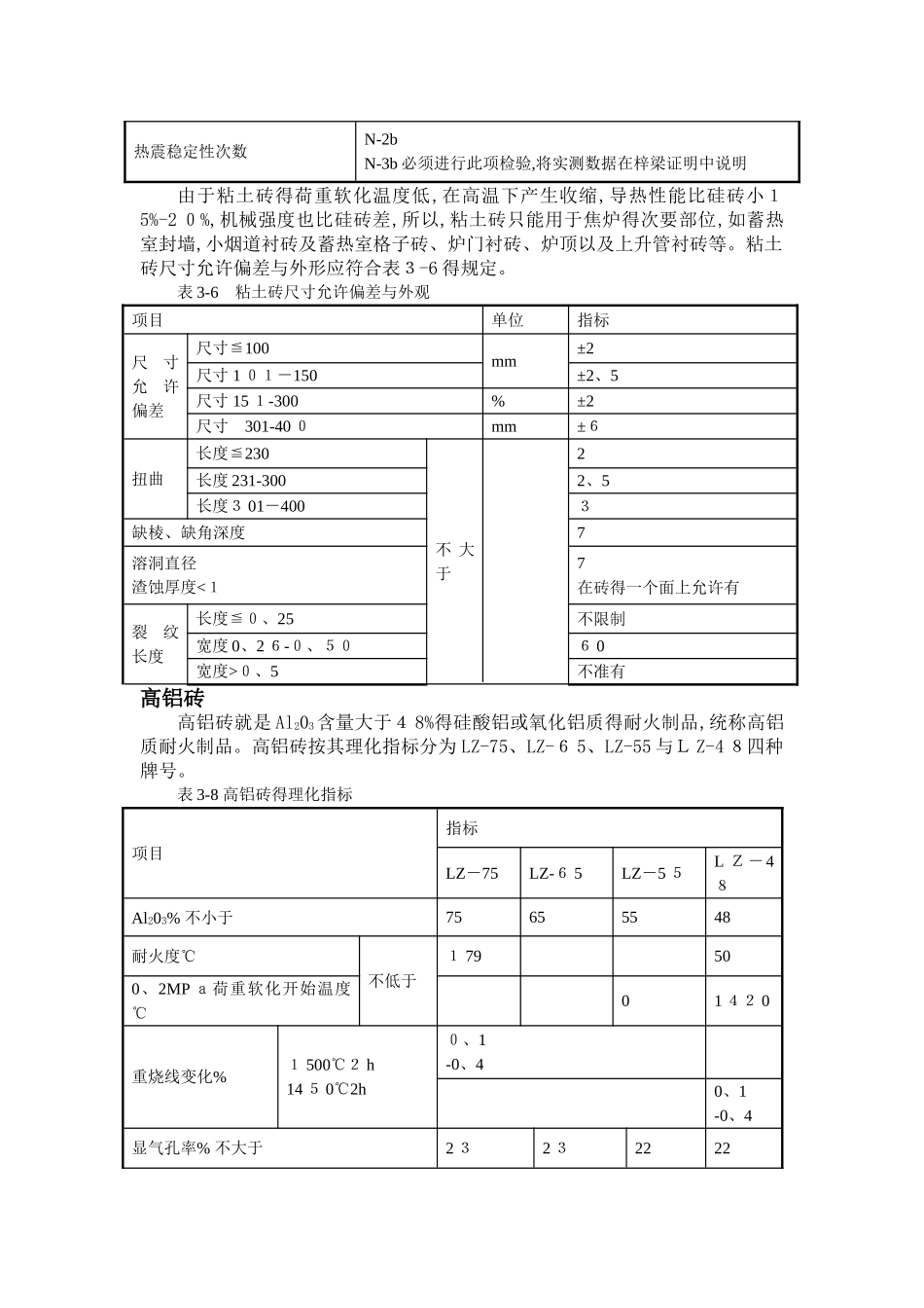
粘土砖的物理指标

粘土砖的物理指标_第1页
1/4
粘土砖的物理指标_第2页
2/4
粘土砖的物理指标_第3页
3/4
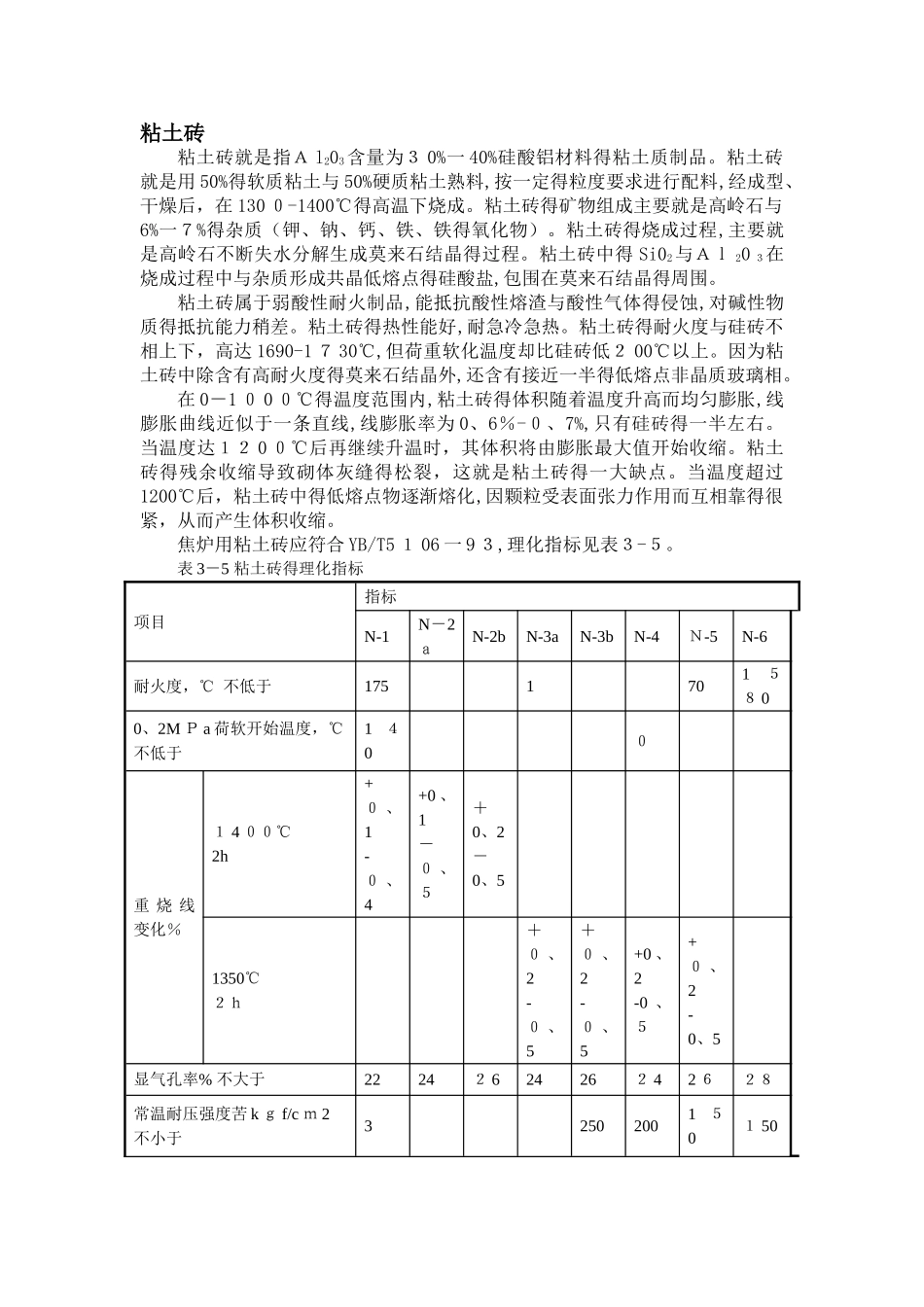
粘土砖粘土砖就是指A l203含量为3 0%一 40%硅酸铝材料得粘土质制品。粘土砖就是用 50%得软质粘土与 50%硬质粘土熟料,按一定得粒度要求进行配料,经成型、干燥后,在 130 0-1400℃得高温下烧成。粘土砖得矿物组成主要就是高岭石与6%一7%得杂质(钾、钠、钙、铁、铁得氧化物)。粘土砖得烧成过程,主要就是高岭石不断失水分解生成莫来石结晶得过程。粘土砖中得 Si02与Al 20 3在烧成过程中与杂质形成共晶低熔点得硅酸盐,包围在莫来石结晶得周围。粘土砖属于弱酸性耐火制品,能抵抗酸性熔渣与酸性气体得侵蚀,对碱性物质得抵抗能力稍差。粘土砖得热性能好,耐急冷急热。粘土砖得耐火度与硅砖不相上下,高达 1690-1 7 30℃,但荷重软化温度却比硅砖低2 00℃以上。因为粘土砖中除含有高耐火度得莫来石结晶外,还含有接近一半得低熔点非晶质玻璃相。在 0-1 0 0 0℃得温度范围内,粘土砖得体积随着温度升高而均匀膨胀,线膨胀曲线近似于一条直线,线膨胀率为 0、6%-0、7%,只有硅砖得一半左右。当温度达12 0 0℃后再继续升温时,其体积将由膨胀最大值开始收缩。粘土砖得残余收缩导致砌体灰缝得松裂,这就是粘土砖得一大缺点。当温度超过1200℃后,粘土砖中得低熔点物逐渐熔化,因颗粒受表面张力作用而互相靠得很紧,从而产生体积收缩。焦炉用粘土砖应符合 YB/T5 1 06 一 9 3,理化指标见表3-5。表 3-5 粘土砖得理化指标项目指标N-1N-2aN-2bN-3aN-3bN-4N-5N-6耐火度,℃ 不低于175170158 00、2M P a 荷软开始温度,℃不低于1 400重 烧 线变化%1 4 00℃2h+0 、1-0 、4+0 、1-0 、5+0、2-0、51350℃2h+0 、2-0 、5+0 、2-0 、5+0 、2-0 、5+0 、2-0、5显气孔率% 不大于22242 624262 42 628常温耐压强度苦 k g f/c m 2不小于32502001 501 50热震稳定性次数N-2bN-3b 必须进行此项检验,将实测数据在梓梁证明中说明由于粘土砖得荷重软化温度低,在高温下产生收缩,导热性能比硅砖小15%-2 0%,机械强度也比硅砖差,所以,粘土砖只能用于焦炉得次要部位,如蓄热室封墙,小烟道衬砖及蓄热室格子砖、炉门衬砖、炉顶以及上升管衬砖等。粘土砖尺寸允许偏差与外形应符合表3-6 得规定。表 3-6 粘土砖尺寸允许偏差与外观项目单位指标尺寸允许偏差尺寸≦100mm±2尺寸 1 01-150±2、5尺寸 15 1-300%±2尺寸 301-40 0mm±6扭曲长度≦230不 大于2...

1、当您付费下载文档后,您只拥有了使用权限,并不意味着购买了版权,文档只能用于自身使用,不得用于其他商业用途(如 [转卖]进行直接盈利或[编辑后售卖]进行间接盈利)。
2、本站所有内容均由合作方或网友上传,本站不对文档的完整性、权威性及其观点立场正确性做任何保证或承诺!文档内容仅供研究参考,付费前请自行鉴别。
3、如文档内容存在违规,或者侵犯商业秘密、侵犯著作权等,请点击“违规举报”。

碎片内容

粘土砖的物理指标

您可能关注的文档

MY shop+ 关注
实名认证
内容提供者

欢迎挑选适合自己的材料。

相关文档

确认删除?
VIP
微信客服
  • 扫码咨询
会员Q群
  • 会员专属群点击这里加入QQ群
客服邮箱
回到顶部