电脑桌面
添加小米粒文库到电脑桌面
安装后可以在桌面快捷访问

SG-A088接地装置安装工程检验批质量验收记录

SG-A088接地装置安装工程检验批质量验收记录_第1页
1/5
SG-A088接地装置安装工程检验批质量验收记录_第2页
2/5
SG-A088接地装置安装工程检验批质量验收记录_第3页
3/5
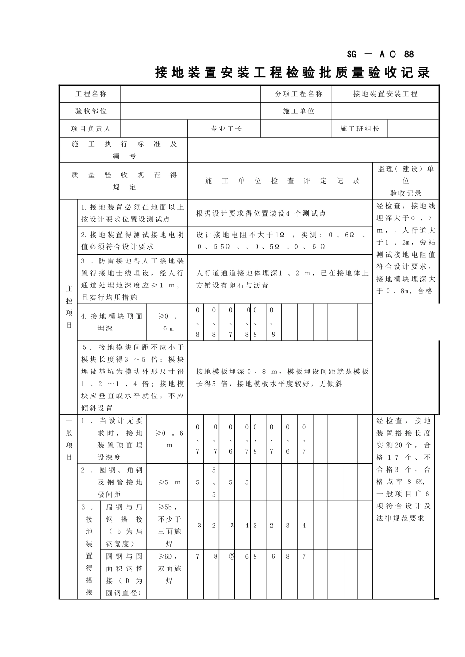
SG - A 0 88 接 地 装 置 安 装 工 程 检 验 批 质 量 验 收 记 录 工 程 名 称分 项 工 程 名 称接 地 装 置 安 装 工 程验 收 部 位施 工 单 位项 目 负 责 人专 业 工 长施 工 班 组 长施 工 执 行 标 准 及 编 号质 量 验 收 规 范 得 规 定施 工 单 位 检 查 评 定 记 录监 理 ( 建 设 ) 单位验 收 记 录主控项目1. 接 地 装 置 必 须 在 地 面 以 上按 设 计 要 求 位 置 设 测 试 点根 据 设 计 要 求 得 位 置 装 设 4 个 测 试 点经 检 查 , 接 地 线埋 深 大 于 0 、 7m , , 人 行 道 大于 1 、 2m , 旁 站测 试 接 地 电 阻 值符 合 设 计 要 求 ,接 地 模 块 埋 深 大于 0 、 8m , 合 格2. 接 地 装 置 得 测 试 接 地 电 阴值 必 须 符 合 设 计 要 求设 计 接 地 电 阻 不 大 于 1Ω, 实 测 : 0 、 6Ω、0 、 5 5Ω、 、 0 、 5Ω、 0 、 6 Ω3 。 防 雷 接 地 得 人 工 接 地 装置 得 接 地 士 线 埋 设 , 经 人 行通 道 处 埋 地 深 度 应 ≥ 1 m ,且 实 行 均 压 措 施人 行 道 通 道 接 地 体 埋 深 1 、 2 m , 已 在 接 地 体 上方 铺 设 有 卵 石 与 沥 青4. 接 地 模 块 顶 面埋 深≥0.6 m0、80、80、70、80、80、85 . 接 地 模 块 间 距 不 应 小 于模 块 长 度 得 3 ~ 5 倍 ; 模 块埋 设 基 坑 为 模 块 外 形 尺 寸 得1 、 2 ~ 1 、 4 倍 ; 接 地 模块 应 垂 直 或 水 平 就 位 , 不 应倾 斜 设 置接 地 模 板 埋 深 0 、 8 m , 模 板 埋 设 间 距 就 是 模 板长 得 5 倍 , 接 地 模 板 水 平 度 较 好 , 无 倾 斜一般项目1 . 当 设 计 无 要求 时 , 接 地装 置 顶 面 埋设 深 度≥0。 6m0、70、70、60、70、80、70、60、7经 检 查 , 接 地装 置 搭 接 长 度实 测 20 个 , 合格 1 7个 、 不合 格 3个 , 合格 点 率 8 5%,一 般 项 目 1~ 6项 符 合 设 计 及法 律 规 范 要 求2 . 圆 钢 、...

1、当您付费下载文档后,您只拥有了使用权限,并不意味着购买了版权,文档只能用于自身使用,不得用于其他商业用途(如 [转卖]进行直接盈利或[编辑后售卖]进行间接盈利)。
2、本站所有内容均由合作方或网友上传,本站不对文档的完整性、权威性及其观点立场正确性做任何保证或承诺!文档内容仅供研究参考,付费前请自行鉴别。
3、如文档内容存在违规,或者侵犯商业秘密、侵犯著作权等,请点击“违规举报”。

碎片内容

SG-A088接地装置安装工程检验批质量验收记录

确认删除?
VIP
微信客服
  • 扫码咨询
会员Q群
  • 会员专属群点击这里加入QQ群
客服邮箱
回到顶部