电脑桌面
添加小米粒文库到电脑桌面
安装后可以在桌面快捷访问

《建筑防火规范》学习笔记

《建筑防火规范》学习笔记_第1页
1/26
《建筑防火规范》学习笔记_第2页
2/26
《建筑防火规范》学习笔记_第3页
3/26
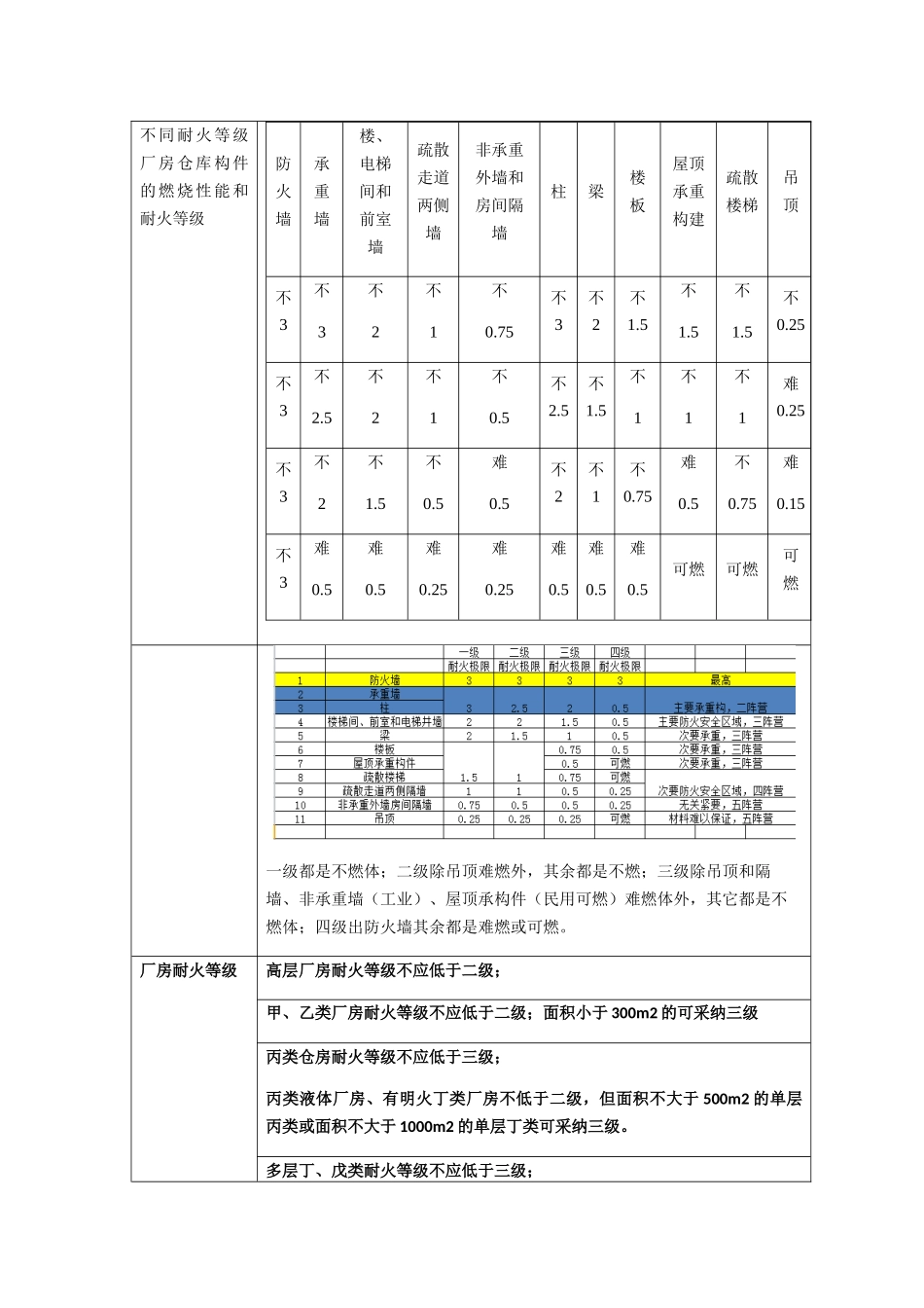
适用范围厂房;仓库;民用建筑;甲、乙、丙类液体存罐;可燃、助燃气体罐;可燃材料常;城市交通隧道。(人民防空洞、石油和天然气工程等按专用法律规范)不适用火药、炸药及其制品厂房、花炮厂房仓库;大于 250m 的建筑专题讨论。高层建筑高度大于 27m 住宅、高度大于 24m 的非单层厂房、仓库和其他民用建筑裙房与主体相连高度不大于 24m商业网点在住宅首层或二层面积不大于 300m2 的小商店高架厂房货架大于 7m 采纳机械化操作或自动化控制的货架仓库半地下室房间地面低于地下 1/3~1/2,1/2 为半地下室地下室房间地面低于地下 1/2充实水柱90%水量穿过 380mm 圆孔生产火灾危险性分类使用或产生下列物质生产的火灾危险特征甲:1、闪点小于 28 液体;2、爆炸下限小于 10%气体;3、能自行分解;被空气氧化导致自燃或爆炸的物质;4、常温下遇水产生可燃气体并燃烧或爆炸;5、遇酸、受热、撞击、摩擦、催化及有机物或无机物,极易引起燃烧或爆炸的强氧化剂;6、撞击、摩擦或与氧化剂基础能一起燃烧或爆炸的物质;7 密闭设备呢操作温度不小于物质本身自燃点的生产;乙:1、闪点不小于 28 但小于 60;2、爆炸下限不小于 10%的气体;3、不属于甲类的氧化剂;4、不属于甲类的易燃固体;5、阻燃气体;6、能与空气形成爆炸混合物的浮游状态的粉尘、纤维、闪点不小于 60 的液体雾滴;丙:闪点不小于 60 的液体;可燃固体丁:1 对不然物质进行加工、并在高温或融化状态下常常参数强辐射热、活化和火焰的生产;2 利用气体、液体、固体作为燃料进行燃烧或作为他用的各类生产;3 常温下使用或加工难燃物质的生产;戊:常温下使用或加工不燃物质的生产火灾危险判定减弱条件火灾危险等级大的占本层或防火面积小的比例小于 5%丁、戊类厂房油漆工段小于 10%(火灾不蔓延或采纳防火措施)丁戊类厂房封闭漆工艺面积小于 20%,且为负压并设置可燃气体探测报警仓库危险加大丁戊类仓库可燃物重量大于物品重量 1/4 或体积大于 1/2 按丙类不同耐火等级厂房仓库构件的燃烧性能和耐火等级防火墙承重墙楼、电梯间和前室墙疏散走道两侧墙非承重外墙和房间隔墙柱梁楼板屋顶承重构建疏散楼梯吊顶不3不3不2不1不0.75不3不2不1.5不1.5不1.5不0.25不3不2.5不2不1不0.5不2.5不1.5不1不1不1难0.25不3不2不1.5不0.5难0.5不2不1不0.75难0.5不0.75难0.15不3难0.5难0.5难0.25难0.25难0.5难0.5难0.5可燃可燃可燃一级都是不燃体;二级除吊顶难燃外,其余...

1、当您付费下载文档后,您只拥有了使用权限,并不意味着购买了版权,文档只能用于自身使用,不得用于其他商业用途(如 [转卖]进行直接盈利或[编辑后售卖]进行间接盈利)。
2、本站所有内容均由合作方或网友上传,本站不对文档的完整性、权威性及其观点立场正确性做任何保证或承诺!文档内容仅供研究参考,付费前请自行鉴别。
3、如文档内容存在违规,或者侵犯商业秘密、侵犯著作权等,请点击“违规举报”。

碎片内容

《建筑防火规范》学习笔记

确认删除?
VIP
微信客服
  • 扫码咨询
会员Q群
  • 会员专属群点击这里加入QQ群
客服邮箱
回到顶部