电脑桌面
添加小米粒文库到电脑桌面
安装后可以在桌面快捷访问

公路工程石料试验规程JTJ-054-VIP专享

公路工程石料试验规程JTJ-054-_第1页
1/7
公路工程石料试验规程JTJ-054-_第2页
2/7
公路工程石料试验规程JTJ-054-_第3页
3/7
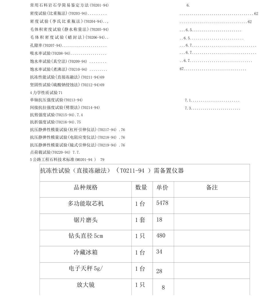
公路工程石料试验规程(JTJ-054-94 )目录1 总则 12 术语、符号及代号 2术语 2符号及代号 33 物理性质试验 4常用石料岩石学简易鉴定方法(T0201-94 ) 4含水率试验(T0202-94 )密度试验(比重瓶法)(T0203-94 )7密度试验(李氏比重瓶法)(T0204-94 ) 10毛体积密度试验(静水称量法)(T0205-94) 12毛体积密度试验(蜡封法)(T0206-94) 15孔隙率(T0207-94)吸水率试验(T0208-94)饱水率试验(真空法)(T0209-94) 19饱水率试验(煮沸法)(T0210-94) 20抗冻性试验(直接冻融法)(T0211-94) 20坚固性试验(硫酸钠侵蚀法)(T0212-94) 234 力学性质试验 25单轴抗压强度试验(T0213-94) 25间接抗拉强度试验(劈裂法)(T0214-94) 27抗剪强度试验(T0215-94) 29抗折强度试验(T0216-94) 32抗压静弹性模量试验(杠杆引伸仪法)(T0217-94) 34抗压静弹性模量试验(电阻应变仪法)(T0218-94) 38抗压静弹性模量试验(镜式引伸仪法)(T0219-94) 41点荷载试验(T0220-94)磨耗试验(洛杉矶法)(T0221-94) 49磨耗试验(狄法尔法)(T0222-94) 515 公路工程石料技术标准(M0201-94) 54 附录蒸馏水的密度表 55附加说明 56附件 公路工程石料试验规程(JTJ054-94)条文说明 57修订说明 591 总则 603 物理性质试验 61抗冻性能试验(直接冻融法)(T0211-94)69坚固性试验(硫酸钠侵蚀法)(T0212-94)694 力学性质试验 71单轴抗压强度试验(T0213-94)间接抗拉强度试验(劈裂法)(T0214-94)抗剪强度试验(T0215-94).7.4抗折强度试验(T0216-94).75抗压静弹性模量试验(杠杆引伸仪法)(T0217-94) .76抗压静弹性模量试验(电阻应变仪法)(T0218-94) .76抗压静弹性模量试验(镜式引伸仪法)(T0219-94) .76点荷载试验(T0220-94) 7.7.5 公路工程石料技术标准(M0201-94 ) 79抗冻性试验(直接冻融法)(T0211-94 )需备置仪器品种规格数量单价备注多功能取芯机1 台5478锯片磨头1 套18钻头直径 5cm1 只480冷藏冰箱1 台34电子天秤 5g/1 台28放大镜1 只8常用石料岩石学简易鉴定方法(T0201-94)密度试验(比重瓶法)(T0203-94).........密 度 试 验( 李 氏 比 重 瓶 法)(T0204-94)..,毛体积密度试验(静水称量法)(T0205-94)毛 体 积 密 度 试 验 ( 蜡 封 法 )(T0206-94)..孔隙率(T0207-94)......................吸水率试验(T0208-94)..................饱水率试验(真空法)(T0209-94) ........饱水率试验(煮沸法)(T0210-94) .........6.1...............................

1、当您付费下载文档后,您只拥有了使用权限,并不意味着购买了版权,文档只能用于自身使用,不得用于其他商业用途(如 [转卖]进行直接盈利或[编辑后售卖]进行间接盈利)。
2、本站所有内容均由合作方或网友上传,本站不对文档的完整性、权威性及其观点立场正确性做任何保证或承诺!文档内容仅供研究参考,付费前请自行鉴别。
3、如文档内容存在违规,或者侵犯商业秘密、侵犯著作权等,请点击“违规举报”。

碎片内容

公路工程石料试验规程JTJ-054-

确认删除?
VIP
微信客服
  • 扫码咨询
会员Q群
  • 会员专属群点击这里加入QQ群
客服邮箱
回到顶部