电脑桌面
添加小米粒文库到电脑桌面
安装后可以在桌面快捷访问

制造管理考核

制造管理考核_第1页
1/6
制造管理考核_第2页
2/6
制造管理考核_第3页
3/6
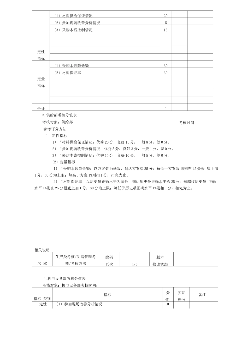
名称生产类考核/制造管理考 核/考核方法编码版本页次1/6修改状态指标 类别指标分值实际得分备注定性指标〔1〕工作流程设计质量情况5〔2〕参加厂区布置和生产线布置情况5〔3〕现场管理与检查工作质量情况10〔4〕生产进度控制与促进情况10〔5〕制造本钱控制情况10定量指标〔1〕可比产品本钱降低率15〔2〕制造费用降低率15〔3〕全员劳动生产率15〔4〕目标本钱实现率15合计1参考评分方法〔1〕定性指标“工作流程设计质量情况:优秀 5 分,良好 3 分,一般 1 分,差 0 分。“参加厂区布置和生产线布置情况:优秀 5 分,良好 3 分,一般 1 分,差 0 分。“现场管理与检查工作质量情况:优秀 10 分,良好 6 分,一般 2 分,差 0 分。“生产进度控制与促进情况:优秀 10 分,良好 6 分,一般 2 分,差 0 分。“制造本钱控制情况:优秀 10 分,良好 6 分,一般 2 分,差 0 分。〔2〕定量指标1〕“可比产品本钱降低率:以上年比照数为基数,到达比照数给 10 分;每低于比照数 1%则 在 10分根底上加 1 分,15 分为上限;每高于比照数 1%则扣 1 分,扣完为止。2〕“制造费用降低率:以方案数为基数,到达方案数给 10 分;每低于方案 1%则在 10 分根 底上加1 分,15 分为上限;每高于方案 1%则扣 1 分,扣完为止。3〕“全员劳动生产率:以历史最正确水平为基数,到达历史最正确水平给 10 分;每超过历史最正 确水平 1%则在 10 分根底上加 1 分,15 分为上限;每低于历史最正确水平 1%则扣 1 分,扣完为止。4〕“目标本钱实现率:以目标为基数,到达目标给 10 分;每低于目标 1%则在 10 分根底上加 1分,15 分为上限;每高于目标 1%则扣 1 分,扣完为止。相关说明名 称生产类考核/制造管理考 核/考核方法编码版本页次2/6修改状态1〕2〕3〕4〕5〕考核时间:1.生产方案部考核分值表 考核对象:生产方案部指标 类别指标分值实际得分备注定性指标〔1〕参加工作流程设计情况10〔2〕厂区布置和生产线布置情况5〔3〕现场改善技术分析情况10〔4〕控制设计本钱情况15定量指标新产品增加值率60合计1参考评分方法〔1〕定性指标“参加工作流程设计情况:优秀 10 分,良好 6 分,一般 2 分,差 0 分。“厂区布置和生产线布置情况:优秀 5 分,良好 3 分,一般 1 分,差 0 分。“现场改善技术分析情况:优秀 10 分,良好 6 分,一般 2 分,差 0 分。“控制...

1、当您付费下载文档后,您只拥有了使用权限,并不意味着购买了版权,文档只能用于自身使用,不得用于其他商业用途(如 [转卖]进行直接盈利或[编辑后售卖]进行间接盈利)。
2、本站所有内容均由合作方或网友上传,本站不对文档的完整性、权威性及其观点立场正确性做任何保证或承诺!文档内容仅供研究参考,付费前请自行鉴别。
3、如文档内容存在违规,或者侵犯商业秘密、侵犯著作权等,请点击“违规举报”。

碎片内容

制造管理考核

您可能关注的文档

确认删除?
VIP
微信客服
  • 扫码咨询
会员Q群
  • 会员专属群点击这里加入QQ群
客服邮箱
回到顶部