电脑桌面
添加小米粒文库到电脑桌面
安装后可以在桌面快捷访问

地铁车站明挖基坑监控量测作业指导书VIP专享

地铁车站明挖基坑监控量测作业指导书_第1页
1/11
地铁车站明挖基坑监控量测作业指导书_第2页
2/11
地铁车站明挖基坑监控量测作业指导书_第3页
3/11
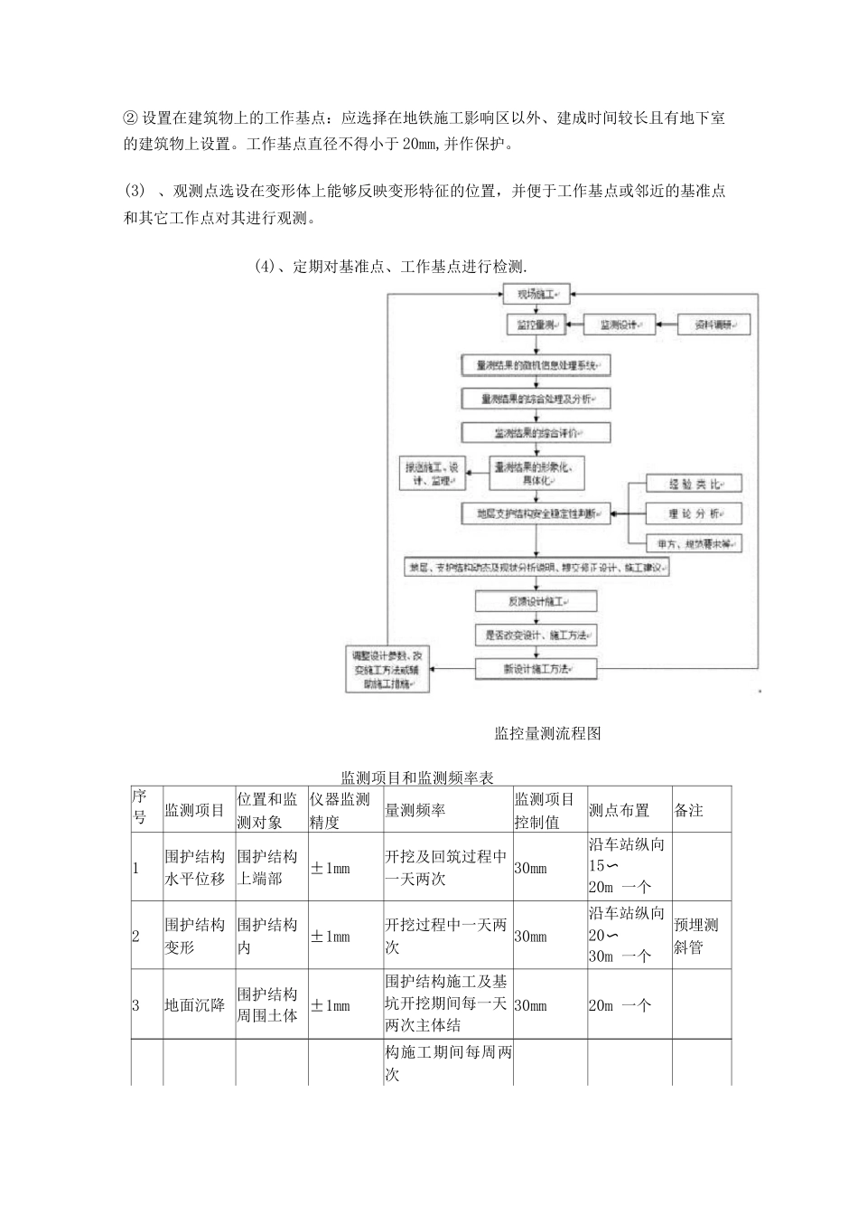
地铁车站明挖基坑监控量测作业指导书1、监测目的(1)、监测基坑结构应力和变形情况,掌握基坑围护结构的动态,验证基坑支护的设计效果,保证支护结构稳定、地表建筑和地下管线的安全。并对工程施工可能产生的环境影响进行全面的监控。为施工日常管理提供信息,保证施工安全。(2)、提供推断基坑结构基本稳定的依据,确定车站主体结构的施作时间。(3)、通过监控量测,了解施工方法和施工手段的科学性和合理性,用现场实测的结果弥补理论分析过程中存在的不足,以便及时调整施工方法,确保施工安全。(4)、通过量测数据的分析处理,掌握基坑结构稳定性的变化规律,修改或确认车站主体结构设计参数。控制地表的下沉,确保地面交通顺畅和地面建筑物的正常使用。(5)、通过监控量测了解本工程条件下所表现、反映出来的一些地下工程规律和特点,为今后类似工程的进展提供借鉴、指导作用。2、监控量测流程图监控量测流程图见下图:3、监测项目及频率监测项目及频率见下表:4、监测点的选设监测测量点可分为控制点和观测点(或测点)。控制点包括基准点、工作基点等。各种测量点的选设及使用,应符合下列要求:(1)、基准点的选设必须保证点位地基坚实稳定、通视条件好、利于标石长期保存与观测。基准点的数量不少于 3 个,使用时应做稳定性检查或检验。(2)、工作基点应选设在靠近观测目标且便于联测观测点的稳定或相对稳定位置,并应满足下列要求:① 设置在地表的工作基点:采纳人工挖孔或大钻孔埋设法在地表设置的工作基点,其钢筋长度不应小于 3m,直径为 20mm,并作保护;② 设置在建筑物上的工作基点:应选择在地铁施工影响区以外、建成时间较长且有地下室的建筑物上设置。工作基点直径不得小于 20mm,并作保护。(3) 、观测点选设在变形体上能够反映变形特征的位置,并便于工作基点或邻近的基准点和其它工作点对其进行观测。(4)、定期对基准点、工作基点进行检测.监控量测流程图监测项目和监测频率表序号监测项目 位置和监测对象仪器监测精度量测频率监测项目控制值测点布置备注1围护结构水平位移围护结构上端部±1mm开挖及回筑过程中一天两次30mm沿车站纵向15〜20m 一个2围护结构变形围护结构内±1mm开挖过程中一天两次30mm沿车站纵向20〜30m 一个预埋测斜管3地面沉降 围护结构周围土体 ±1mm围护结构施工及基坑开挖期间每一天两次主体结30mm20m 一个构施工期间每周两次4地下水位 基坑周围 ±1mm围护结构施工及基坑开挖期间...

1、当您付费下载文档后,您只拥有了使用权限,并不意味着购买了版权,文档只能用于自身使用,不得用于其他商业用途(如 [转卖]进行直接盈利或[编辑后售卖]进行间接盈利)。
2、本站所有内容均由合作方或网友上传,本站不对文档的完整性、权威性及其观点立场正确性做任何保证或承诺!文档内容仅供研究参考,付费前请自行鉴别。
3、如文档内容存在违规,或者侵犯商业秘密、侵犯著作权等,请点击“违规举报”。

碎片内容

地铁车站明挖基坑监控量测作业指导书

一二三四传媒+ 关注
实名认证
内容提供者

大量资料供您选择,没有合适的可以联系小二。

确认删除?
VIP
微信客服
  • 扫码咨询
会员Q群
  • 会员专属群点击这里加入QQ群
客服邮箱
回到顶部