电脑桌面
添加小米粒文库到电脑桌面
安装后可以在桌面快捷访问

实木地板面层检验批施工质量验收记录

实木地板面层检验批施工质量验收记录_第1页
1/2
实木地板面层检验批施工质量验收记录_第2页
2/2
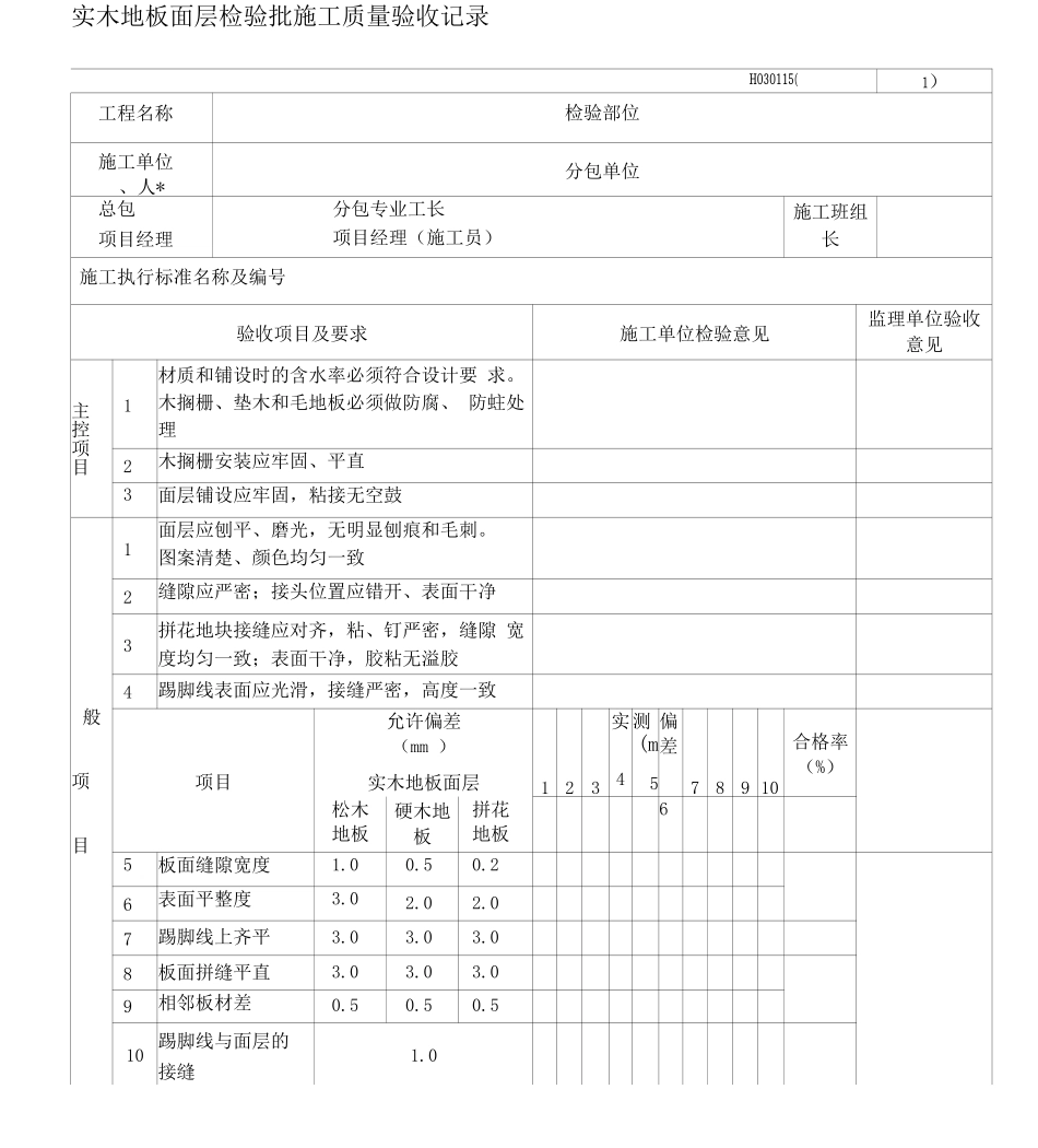
实木地板面层检验批施工质量验收记录H030115(1)工程名称检验部位施工单位、人*分包单位总包项目经理分包专业工长项目经理(施工员)施工班组 长施工执行标准名称及编号验收项目及要求施工单位检验意见监理单位验收 意见主控项目1材质和铺设时的含水率必须符合设计要 求。木搁栅、垫木和毛地板必须做防腐、 防蛀处理2木搁栅安装应牢固、平直3面层铺设应牢固,粘接无空鼓般项目1面层应刨平、磨光,无明显刨痕和毛刺。图案清楚、颜色均匀一致2缝隙应严密;接头位置应错开、表面干净3拼花地块接缝应对齐,粘、钉严密,缝隙 宽度均匀一致;表面干净,胶粘无溢胶4踢脚线表面应光滑,接缝严密,高度一致项目允许偏差(mm )实木地板面层123实4测(m5偏差789 10合格率(%)松木地板硬木地 板拼花地板65板面缝隙宽度1.00.50.26表面平整度3.02.02.07踢脚线上齐平3.03.03.08板面拼缝平直3.03.03.09相邻板材差0.50.50.510 踢脚线与面层的 接缝1.0施工单位检验结果项目质量检查员:(签字盖章)年 月日监理单位验收结论监理工程师:(签字盖章)年 月日

1、当您付费下载文档后,您只拥有了使用权限,并不意味着购买了版权,文档只能用于自身使用,不得用于其他商业用途(如 [转卖]进行直接盈利或[编辑后售卖]进行间接盈利)。
2、本站所有内容均由合作方或网友上传,本站不对文档的完整性、权威性及其观点立场正确性做任何保证或承诺!文档内容仅供研究参考,付费前请自行鉴别。
3、如文档内容存在违规,或者侵犯商业秘密、侵犯著作权等,请点击“违规举报”。

碎片内容

实木地板面层检验批施工质量验收记录

领读文化+ 关注
实名认证
内容提供者

传播文化,铸就未来

确认删除?
VIP
微信客服
  • 扫码咨询
会员Q群
  • 会员专属群点击这里加入QQ群
客服邮箱
回到顶部