电脑桌面
添加小米粒文库到电脑桌面
安装后可以在桌面快捷访问

崇启大桥工程概况及防腐涂装体系

崇启大桥工程概况及防腐涂装体系_第1页
1/3
崇启大桥工程概况及防腐涂装体系_第2页
2/3
崇启大桥工程概况及防腐涂装体系_第3页
3/3
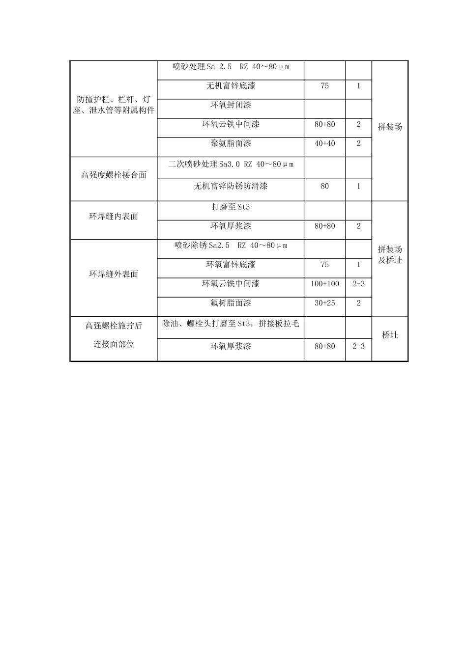
崇启大桥工程概况及钢箱梁防腐涂装体系1 工程概况崇启大桥是中国连接上海市与江苏省的过江通道,位于长江入海口处,是中国高速上海—西安高速公路(国家高速 G40)的重要组成部分之一、长三角高速公路网规划的城际通道,也是上海第一条直通苏北地区的高速公路。 崇启大桥于 2025 年 8 月 1 日动工兴建;于 2025 年 2 月 25 日完成主桥合龙工程,大桥全线贯穿;于 2025 年 12 月 24 日通车运营。崇启大桥线路北起南通市启东南互通,上跨长江水道,南至崇明区向化公路跨线桥;线路全长 51.763 千米,跨江大桥长 6.84 千米;桥面为双向六车道高速公路,设计速度 100 千米/小时。崇启通道是国家高速公路网中上海至西安高速公路的重要组成部分,是中国连接上海市与江苏省的过江通道,位于长江入海口处。崇启通道起点接上海长江隧桥(崇明越江通道)崇明终点,在北湖大坝以东约 900 米、启东规划三条港港区以西 2.5 公里处跨越长江北支,主桥长 0.944km,桥跨布置为102+4×185+102 米,上部结构采纳 6 跨变截面钢箱梁;梁高最低处为 4.8 米,最高处为 9米;钢箱梁采纳正交异性钢板面板,顶板采纳 U 型肋加劲。顶板在顺桥向不同区段采纳了16mm、18mm、20mm、22mm 四种不同的厚度,主跨跨中附近板厚最大。底 板 采 纳 板 式 加 劲 肋 加 劲 , 基 本 间 距 600mm , 在 顺 桥 向 不 同 区 段 采 纳 了14mm、16mm、20mm、24mm、28mm、32mm、36mm、42mm、48mm 九种不同的钢板厚度。腹板在顺桥向不同区段采纳了 16mm、20mm、24mm、28mm 四种不同的钢板厚度,腹板内侧采纳板式加劲肋加劲,墩顶附近梁段靠近底板的纵向加劲肋与横向加劲肋焊接,其余部位纵向加劲肋在横向加劲肋处断开。横隔板间距 5.6m,两道横隔板之间设置一道横肋。横隔板采纳实腹式和框架式两种构造,框架中设置 V 型或 X 型横撑。在支点处及边跨端部横隔板采纳实腹式横隔板,其余部位采纳框架式横隔板。主梁梁段间工厂连接采纳以焊接为主的栓焊组合方式;顶板、腹板及其加劲肋、底板及其加劲肋均采纳焊接,顶板 U 肋采纳栓接,避开仰焊,保证焊接质量。主梁现场大块件施工场地连接采纳以栓接为主的栓焊组合方式:除了顶板采纳焊接连接外,其余的 U 肋,底板和腹板及其加劲肋均采纳高强螺栓连接。2 工程范围本工程是崇启长江公路大桥钢箱梁表面涂装工程。全桥钢箱梁划分成 162 个梁段,梁段拼装为 68 ...

1、当您付费下载文档后,您只拥有了使用权限,并不意味着购买了版权,文档只能用于自身使用,不得用于其他商业用途(如 [转卖]进行直接盈利或[编辑后售卖]进行间接盈利)。
2、本站所有内容均由合作方或网友上传,本站不对文档的完整性、权威性及其观点立场正确性做任何保证或承诺!文档内容仅供研究参考,付费前请自行鉴别。
3、如文档内容存在违规,或者侵犯商业秘密、侵犯著作权等,请点击“违规举报”。

碎片内容

崇启大桥工程概况及防腐涂装体系

您可能关注的文档

雏圣文化+ 关注
实名认证
内容提供者

欢迎光临,大量办公文档供您挑选。

确认删除?
VIP
微信客服
  • 扫码咨询
会员Q群
  • 会员专属群点击这里加入QQ群
客服邮箱
回到顶部