电脑桌面
添加小米粒文库到电脑桌面
安装后可以在桌面快捷访问

施工企业安全生产评价标准JGJT77-

施工企业安全生产评价标准JGJT77-_第1页
1/3
施工企业安全生产评价标准JGJT77-_第2页
2/3
施工企业安全生产评价标准JGJT77-_第3页
3/3
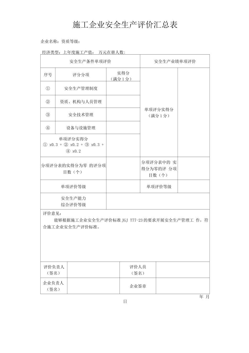
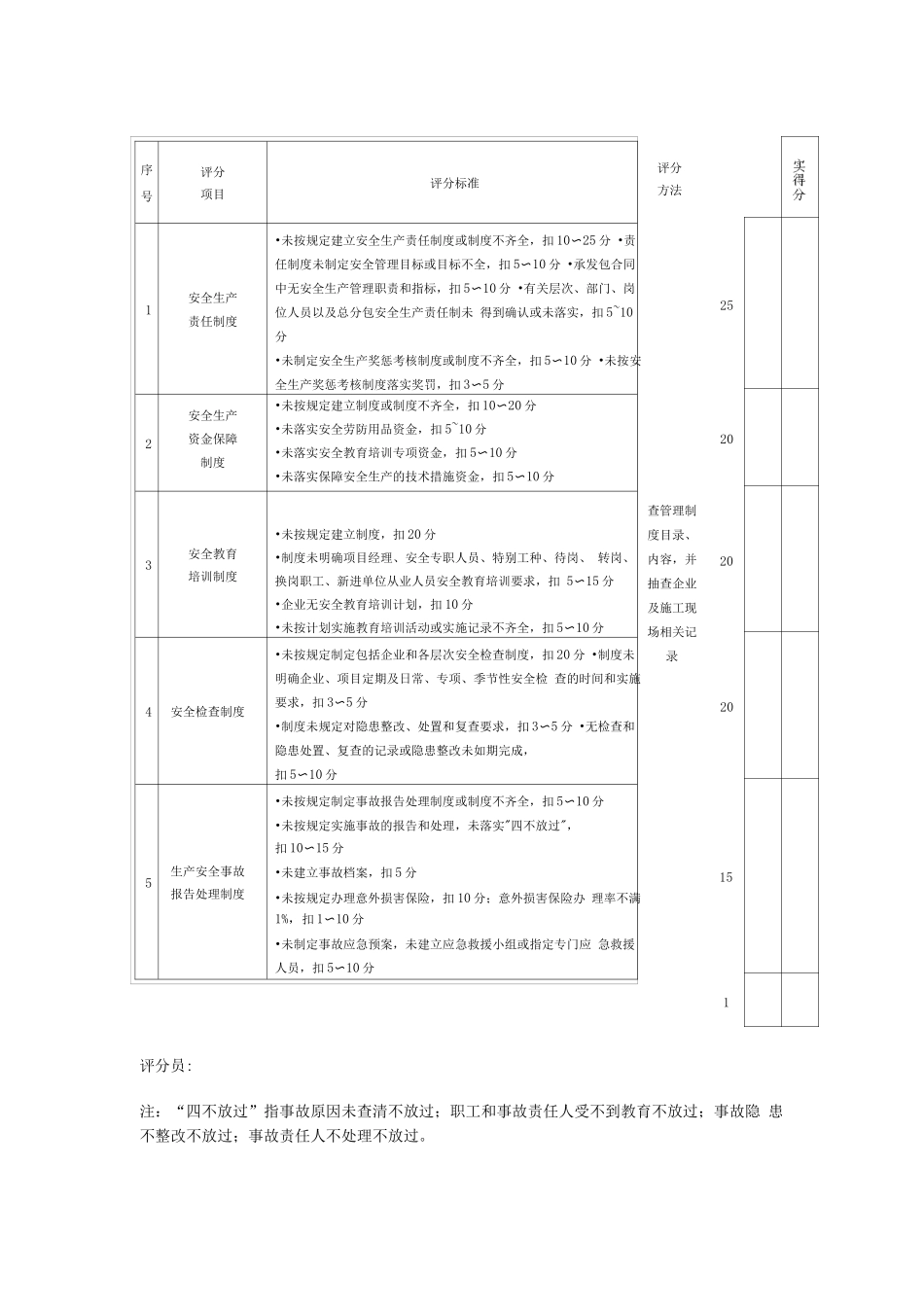
施工企业安全生产评价汇总表企业名称:资质等级:经济类型:上年度施工产值: 万元在册人数:安全生产条件单项评价安全生产业绩单项评价序号评分分项实得分(满分 1 分)单项评分实得分 (满分 1 分)①安全生产管理制度②资质、机构与人员管理③安全技术管理④设备与设施管理单项评分实得分① x0.3 + ② x0.2 + ③ x0.3 +④ x0.2分项评分表的实得分为零 的评分项目数(个)分项评分表中的 实得分为零的评 分项目数(个)单项评价等级单项评价等级安全生产能力综合评价等级评价意见:能够根据施工企业安全生产评价标准 JGJ T77-23 的要求开展安全生产管理工 作,符合施工企业安全生产评价标准。评价负责人(签名)评价人员(签名)企业负责人(签名)企业签章年 月日序号评分项目评分标准1安全生产责任制度•未按规定建立安全生产责任制度或制度不齐全,扣 10〜25 分 •责任制度未制定安全管理目标或目标不全,扣 5〜10 分 •承发包合同中无安全生产管理职责和指标,扣 5〜10 分 •有关层次、部门、岗位人员以及总分包安全生产责任制未 得到确认或未落实,扣 5~10分•未制定安全生产奖惩考核制度或制度不齐全,扣 5〜10 分 •未按安全生产奖惩考核制度落实奖罚,扣 3〜5 分2安全生产资金保障制度•未按规定建立制度或制度不齐全,扣 10〜20 分•未落实安全劳防用品资金,扣 5~10 分•未落实安全教育培训专项资金,扣 5〜10 分•未落实保障安全生产的技术措施资金,扣 5〜10 分3安全教育培训制度•未按规定建立制度,扣 20 分•制度未明确项目经理、安全专职人员、特别工种、待岗、 转岗、换岗职工、新进单位从业人员安全教育培训要求,扣 5〜15 分•企业无安全教育培训计划,扣 10 分•未按计划实施教育培训活动或实施记录不齐全,扣 5〜10 分4安全检查制度•未按规定制定包括企业和各层次安全检查制度,扣 20 分 •制度未明确企业、项目定期及日常、专项、季节性安全检 查的时间和实施要求,扣 3〜5 分•制度未规定对隐患整改、处置和复查要求,扣 3〜5 分 •无检查和隐患处置、复查的记录或隐患整改未如期完成,扣 5〜10 分5生产安全事故报告处理制度•未按规定制定事故报告处理制度或制度不齐全,扣 5〜10 分•未按规定实施事故的报告和处理,未落实"四不放过",扣 10〜15 分•未建立事故档案,扣 5 分•未按规定办理意外损害保险,扣 10 分;意外损害保险办 理率...

1、当您付费下载文档后,您只拥有了使用权限,并不意味着购买了版权,文档只能用于自身使用,不得用于其他商业用途(如 [转卖]进行直接盈利或[编辑后售卖]进行间接盈利)。
2、本站所有内容均由合作方或网友上传,本站不对文档的完整性、权威性及其观点立场正确性做任何保证或承诺!文档内容仅供研究参考,付费前请自行鉴别。
3、如文档内容存在违规,或者侵犯商业秘密、侵犯著作权等,请点击“违规举报”。

碎片内容

施工企业安全生产评价标准JGJT77-

确认删除?
VIP
微信客服
  • 扫码咨询
会员Q群
  • 会员专属群点击这里加入QQ群
客服邮箱
回到顶部