电脑桌面
添加小米粒文库到电脑桌面
安装后可以在桌面快捷访问

施工单位安全管理资料组卷分类表

施工单位安全管理资料组卷分类表_第1页
1/8
施工单位安全管理资料组卷分类表_第2页
2/8
施工单位安全管理资料组卷分类表_第3页
3/8
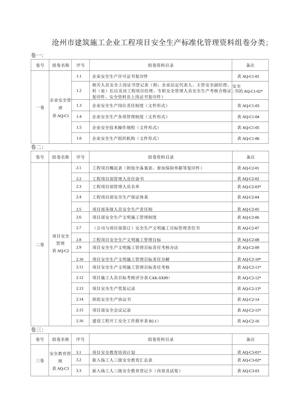
沧州市建筑施工企业工程项目安全生产标准化管理资料组卷分类;卷一:卷号组卷名称序号组卷资料目录备注一卷企业安全管理表 AQ-C11.1企业安全生产许可证书复印件表 AQ-C1-011.2相关人员安全上岗证书登记表(附:企业法定代表人、主管安全副经理、科(处)长以及该工程项目经理、专职安全管理人员安全生产考核合格证复印件、安全资料员上岗证书复印件)安全:书的 AQ-C1-02*1.3企业安全生产岗位责任制度(文件形式)表 AQ-C1-031.4企业安全生产各项管理制度(文件形式)表 AQ-C1-041.5企业安全技术操作规程(文件形式)表 AQ-C1-051.6企业安全生产组织机构(文件形式)表 AQ-C1-06卷二:卷号组卷名称序号组卷资料目录备注二卷项目安全管理表 AQ-C22.1工程项目概况表(附按全备案表、参加保险单据等复印件)表 AQ-C2-012.2工程项目部管理人员任命书表 AQ-C2-022.3工程项目部管理人员名单表 AQ-C2-03*2.4工程项目部安全生产保证体系表 AQ-C2-042.5项目部各级人员安全生产责任制表 AQ-C2-052.6项目部安全生产文明施工管理制度表 AQ-C2-062.7(公司与项目部签订)安全生产文明施工目标管理责任书表 AQ-C2-072.8工程项目安全生产文明施工管理目标表 AQ-C2-082.9项目安全生产文明施工管理目标责任考核办法表 AQ-C2-092.10项目安全生产文明施工管理目标责任分解表 AQ-C2-10*2.11项目安全生产文明施工管理目标责任考核表 AQ-C2-11*2.12项目施工人员目标考核评分表 CAK-SX09)表 AQ-C2-12*2.13项目安全生产奖惩记录表 AQ-C2-13*2.14班组安全生产协议书表 AQ-C2-142.15项目部安全会议记录表 AQ-C2-15*2.16建设工程开工安全工作报审表 B2.1)表 AQ-C2-16卷三:卷号组卷名称序号组卷资料目录备注三卷安全教育管理表 AQ-C33.1项目安全教育培训计划表 AQ-C3-01*3.2新入场工人三级安全教育汇总表表 AQ-C3-02*3.3新入场工人三级安全教育登记卡(内容及试卷)表 AQ-C3-03卷号组卷名称序号组卷资料目录备注三卷安全教育管理表 AQ-C33.4安全教育记录表(适时教育)表 AQ-C3-043.5安全教育记录表(常常性教育)表 AQ-C3-053.6安全教育记录表(特种作业、机械操作人员教育)表 AQ-C3-063.7特种作业人员持证上岗花名册(附含年检栏的证书复印件)表 AQ-C3-073.8班组安全活动记录表表 AQ-C3-08卷四:卷号组卷名称序号组卷资料目录备注六卷分包方管理表 AQ-C66.1分包单位安全生产条件报审表 B3.1)表 AQ-C6-016.2分承包方考察评价表表 AQ-C...

1、当您付费下载文档后,您只拥有了使用权限,并不意味着购买了版权,文档只能用于自身使用,不得用于其他商业用途(如 [转卖]进行直接盈利或[编辑后售卖]进行间接盈利)。
2、本站所有内容均由合作方或网友上传,本站不对文档的完整性、权威性及其观点立场正确性做任何保证或承诺!文档内容仅供研究参考,付费前请自行鉴别。
3、如文档内容存在违规,或者侵犯商业秘密、侵犯著作权等,请点击“违规举报”。

碎片内容

施工单位安全管理资料组卷分类表

您可能关注的文档

确认删除?
VIP
微信客服
  • 扫码咨询
会员Q群
  • 会员专属群点击这里加入QQ群
客服邮箱
回到顶部