电脑桌面
添加小米粒文库到电脑桌面
安装后可以在桌面快捷访问

RS-232C通讯知识点梳理汇总VIP专享VIP免费

RS-232C通讯知识点梳理汇总_第1页
1/199
RS-232C通讯知识点梳理汇总_第2页
2/199
RS-232C通讯知识点梳理汇总_第3页
3/199
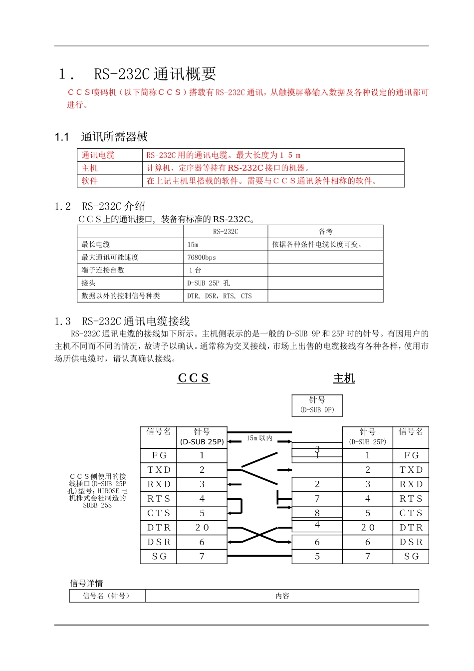
目录1.RS-232C通讯概要.........................31.1通讯所需器械31.2RS-232C介绍31.3RS-232C通讯电缆接线31.4通讯指令公共规则41.4.1文字登记、文字替换指令的代码体系41.5协议61.5.1发送设定指令时的协议61.5.2发送读出指令时的协议71.6连续发送指令时的注意事项81.7总和检查形式91.8超时102.通讯基本设定.............................113.至进行通讯为止的顺序.....................134.通讯指令一览表...........................144.1通常指令144.1.1通常设定指令144.1.2通常读出指令154.1.3通常复位指令164.2特殊指令164.2.1特殊设定指令164.2.2特殊读出指令164.3保守指令164.3.1保守设定指令164.3.2保守读出指令175.通讯指令...................................185.1通常指令185.1.1通常指令185.1.2通常读出指令565.1.3通常复位指令955.2特殊指令1005.2.1特殊设定指令1005.2.2特殊读出指令1125.3保守指令1215.3.1保守设定指令1215.3.2保守读出指令1436.通讯错误编码表..........................1667.位图数据................................1677.1二字节数据的形式1687.1.1CCS位图(SDB)的情况下1687.1.2特殊CCS位图(SDI)的情况下1708.文字编码表..............................1728.1英文数字、罗马字、平假名、片假名编码1728.2标准汉字编码1738.3日历文字编码1748.4用户文字编码1758.5中文符号编码表1768.6中文特定汉字编码表1779.喷印终了信号............................1789.1喷印终了时的信号形式1781.RS-232C通讯概要CCS喷码机(以下简称CCS)搭载有RS-232C通讯,从触摸屏幕输入数据及各种设定的通讯都可进行。1.1通讯所需器械通讯电缆RS-232C用的通讯电缆。最大长度为15m主机计算机、定序器等持有RS-232C接口的机器。软件在上记主机里搭载的软件。需要与CCS通讯条件相称的软件。1.2RS-232C介绍CCS上的通讯接口,装备有标准的RS-232C。RS-232C备考最长电缆15m依据各种条件电缆长度可变。最大通讯可能速度76800bps端子连接台数1台接头D-SUB25P孔数据以外的控制信号种类DTR,DSR,RTS,CTS1.3RS-232C通讯电缆接线RS-232C通讯电缆的接线如下所示。主机侧表示的是一般的D-SUB9P和25P时的针号。有因用户的主机不同而不同的情况,故请予以确认。通常称为交叉接线,市场上出售的电缆接线有各种各样,使用市场所供电缆时,请认真确认接线。CCS主机信号详情信号名(针号)内容信号名针号(D-SUB25P)FGTXDRXDRTSCTSDTRDSRSG123452067针号(D-SUB25P)123452067信号名FGTXDRXDRTSCTSDTRDSRSG针号(D-SUB9P)1327846515m以内CCS侧使用的接线插口(D-SUB25P孔)型号:HIROSE电机株式会社制造的SDBB-25SFG(1)箱体接地(箱体上连接,与SG不同)TXD(2)发送数据输出RXD(3)接收数据输入RTS(4)信号要求输出(接上电源期间处于常开的状态)CTS(5)发送可输入DTR(20)数据终端准备输出(接上电源期间处于常开的状态)DSR(6)数据装置准备输入SG(7)信号接地1.4通讯指令公共规则通讯指令由3文字的指令(CMD)和参数构成。各参数由定界符冒号(:)区分。定界符不能省略。1.4.1文字登记、文字替换指令的代码体系用以下各指令发送文字数据(文字替换数据)时,作为代码体系可使用4种类。另外有关各指令的详情请参考各指令所对应的各页。文字登记指令文字替换指令SMMSPXSCM可使用的代码体系JIS/GB码把文字的JIS代码(GB代码)号变为ASCⅡ码后发送ASCⅡ码把文字用ASCⅡ码发送JIS汉字码把文字的JIS汉字码号变为ASCⅡ码后发送をASCⅡ码和JIS汉字码混合把文字用ASCⅡ码或そJIS汉字码图像发送[文字登记指令为SMM指令时的发送例]●用JIS,发送文字数据为“AB字”“A”“B”“字”のJIS代码是:A2341・・・B・・・2342字・・・3B7A发送数据如下所示。SMM001::::::001:0234123423B7A:代码体系指定文字数据文字代码部分的发送内容234123423B7A32...

1、当您付费下载文档后,您只拥有了使用权限,并不意味着购买了版权,文档只能用于自身使用,不得用于其他商业用途(如 [转卖]进行直接盈利或[编辑后售卖]进行间接盈利)。
2、本站所有内容均由合作方或网友上传,本站不对文档的完整性、权威性及其观点立场正确性做任何保证或承诺!文档内容仅供研究参考,付费前请自行鉴别。
3、如文档内容存在违规,或者侵犯商业秘密、侵犯著作权等,请点击“违规举报”。

碎片内容

RS-232C通讯知识点梳理汇总

确认删除?
VIP
微信客服
  • 扫码咨询
会员Q群
  • 会员专属群点击这里加入QQ群
客服邮箱
回到顶部