电脑桌面
添加小米粒文库到电脑桌面
安装后可以在桌面快捷访问

要水泥砂浆防水层工程检验批质量验收记录表

要水泥砂浆防水层工程检验批质量验收记录表_第1页
1/6
要水泥砂浆防水层工程检验批质量验收记录表_第2页
2/6
要水泥砂浆防水层工程检验批质量验收记录表_第3页
3/6
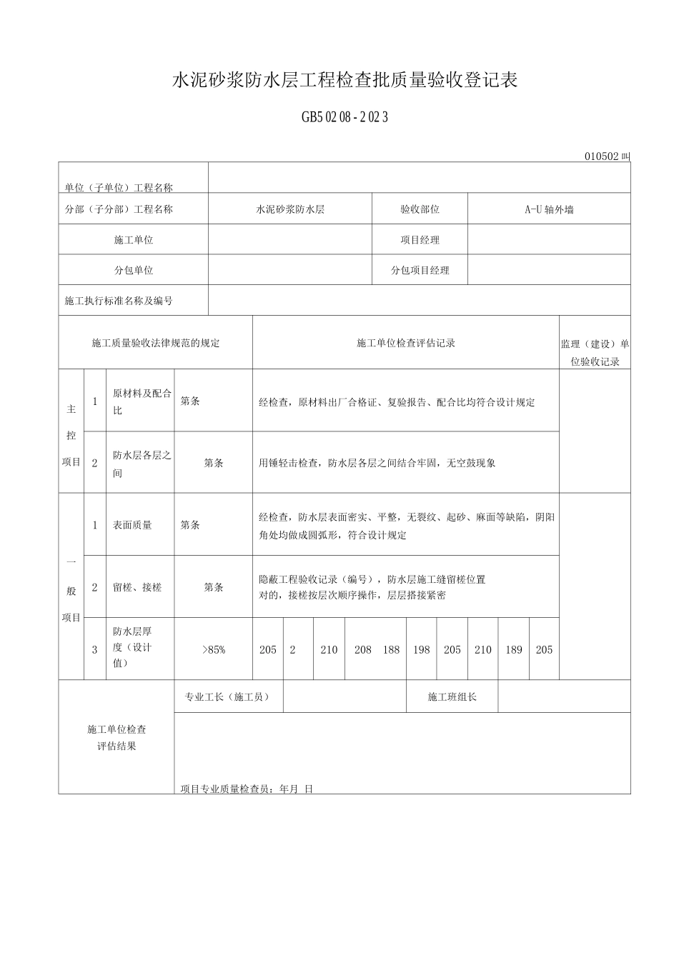
水泥砂浆防水层工程检查批质量验收登记表GB5 02 08 - 2 02 3010502 叫单位(子单位)工程名称分部(子分部)工程名称水泥砂浆防水层验收部位A-U 轴外墙施工单位项目经理分包单位分包项目经理施工执行标准名称及编号施工质量验收法律规范的规定施工单位检查评估记录监理(建设)单位验收记录主控项目1原材料及配合比第条经检查,原材料出厂合格证、复验报告、配合比均符合设计规定2防水层各层之间第条用锤轻击检查,防水层各层之间结合牢固,无空鼓现象一般项目1表面质量第条经检查,防水层表面密实、平整,无裂纹、起砂、麻面等缺陷,阴阳角处均做成圆弧形,符合设计规定2留槎、接槎第条隐蔽工程验收记录(编号),防水层施工缝留槎位置对的,接槎按层次顺序操作,层层搭接紧密3防水层厚度(设计值)>85%2052210208188198205210189205施工单位检查评估结果专业工长(施工员)施工班组长项目专业质量检查员:年月 日监理(建设)单位验收结论专业监理工程师:(建设单位项目专业技术负责人)年月 日预制构件检查批质量验收登记表GB5 02 04 - 2 02 3(I )020256::单位(子单位)工程名称分部(子分部)工程名称水泥砂浆防水层验收部位A-U 轴外墙施工单位星子县白鹿建筑工程公司项目经理黄军分包单位分包项目经理施工执行标准名称及编号施工质量验收法律规范的规定施工单位检查评估记录监理(建设)单位验收记录主控项目1构件标志和预埋件等第 9.2. 1 条预制规W 构件出厂合格证(编号 XX),预埋件如位置、数量符合设计规定,合格构件标志和预埋件等符合 GB50204-2025 的规定2外观质量严重缺陷解决第条外观无严重缺陷3过大尺寸偏差解决第条构件尺寸无过大偏差一般项目1外观质量一般缺陷解决第条符合设计规定构 件 外 观 质 量 ,长、宽、高,侧向弯曲,预留孔洞,主筋保护层厚度,对角线差,表面平整度及翘曲值满足GB50204-2025 的规定2长度反、梁+10,-5mm8777668777主+5,-10mm回7 板± 5 mm薄J腹梁、桁架+15,-10mm3宽度、高(厚)度板、梁柱、墙板薄腹梁、桁架± 5 mm12-1-34332344侧向弯曲梁、柱、板i/750 且 <20mn10878687898廉薄腹梁桁架1/10 且 <20m141011810125预埋件中心线位置10mm4555466455螺,全位置5 mm2333233435螺栓 外露长度+10,-5mm87854111236预留孔中心线位置5 mm43231212217预留洞中心线位置15mm8主筋保护层厚度板+5,-3mm4333221113梁、柱、墙板、薄腹梁、桁架+10,-5mm9对角线差板、墙...

1、当您付费下载文档后,您只拥有了使用权限,并不意味着购买了版权,文档只能用于自身使用,不得用于其他商业用途(如 [转卖]进行直接盈利或[编辑后售卖]进行间接盈利)。
2、本站所有内容均由合作方或网友上传,本站不对文档的完整性、权威性及其观点立场正确性做任何保证或承诺!文档内容仅供研究参考,付费前请自行鉴别。
3、如文档内容存在违规,或者侵犯商业秘密、侵犯著作权等,请点击“违规举报”。

碎片内容

要水泥砂浆防水层工程检验批质量验收记录表

确认删除?
VIP
微信客服
  • 扫码咨询
会员Q群
  • 会员专属群点击这里加入QQ群
客服邮箱
回到顶部