电脑桌面
添加小米粒文库到电脑桌面
安装后可以在桌面快捷访问

叶计算机辅助设计试验参考指导书

叶计算机辅助设计试验参考指导书_第1页
1/22
叶计算机辅助设计试验参考指导书_第2页
2/22
叶计算机辅助设计试验参考指导书_第3页
3/22
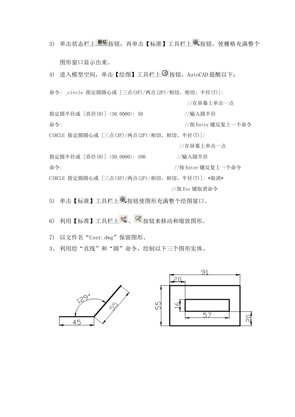
《计算机辅助设计》试验指导书计算机基础教学讨论组编写景德镇陶瓷学院信息学院2 月试验一、AutoCAD 用户界面及绘图基础操作(一)试验目标1、 掌握开启 AutoCAD 多个方法2、 熟悉 AutoCAD 基础界面及基础功效使用3、 熟练掌握选择图形对象常见方法4、 掌握最基础操作命令(二)试验内容1、 开启 AutoCAD ,将用户界面重新部署,以下图所表示: 2、 按以下步骤创建及存放图形文件、熟悉 AutoCAD 命令实施过程及快速查看图形:1) 利用 AutoCAD 提供样板文件“acadiso.dwt”创建新文件。2) 进入 “AutoCAD 经典 ”工作空间,用 LIMITS 命令设定绘图区域大小为150×150。3) 单击状态栏上按钮,再单击【标准】工具栏上按钮,使栅格充满整个图形窗口显示出来。4) 进入模型空间,单击【绘图】工具栏上按钮,AutoCAD 提醒以下:命令: _circle 指定圆圆心或 [三点(3P)/两点(2P)/相切、相切、半径(T)]: //在屏幕上单击一点指定圆半径或 [直径(D)] <30.0000>: 50 //输入圆半径命令: //按 Enter 键反复上一个命令CIRCLE 指定圆圆心或 [三点(3P)/两点(2P)/相切、相切、半径(T)]://在屏幕上单击一点指定圆半径或 [直径(D)] <50.0000>: 100 //输入圆半径命令: //按 Enter 键反复上一个命令CIRCLE 指定圆圆心或 [三点(3P)/两点(2P)/相切、相切、半径(T)]: *取消* //按 Esc 键取消命令5) 单击【标准】工具栏上按钮使图形充满整个绘图窗口。6) 利用【标准】工具栏上、按钮来移动和缩放图形。7) 以文件名“User.dwg”保留图形。 3、 利用绘“直线”和“圆”命令,绘制以下三个图形实体。4、 怎样绘制下图所表示线段 AB 和 CD?5、 利用点绝对或相对坐标(包含直角坐标和极坐标)绘制以下两个图形。(三)试验步骤(四)试验小结试验二、简单二维图形对象绘制(一)试验目标1、掌握 AutoCAD 简单二维图形实体绘制方法2、熟练掌握使用对象捕捉、极轴追踪及捕捉追踪功效画线。3、熟练掌握利用鼠标和键盘绘制二维图形方法(二)试验内容1、绘制以下图形实体2、绘制以下图形实体3、绘制以下图形实体4、绘制以下图形实体(三)试验步骤(四)试验小结试验三、编辑图形对象(一)试验目标1、掌握 AutoCAD 图形文件打开及编辑修改2、熟练掌握对象选择、删除、复制、移动等基础操作方法及相关操作命令3、熟练掌握对象拉长,延伸、修剪、倒角、圆角、分解等修改操作方法及相关操作命令(二)试验内容1、绘制基础图形实体为一个...

1、当您付费下载文档后,您只拥有了使用权限,并不意味着购买了版权,文档只能用于自身使用,不得用于其他商业用途(如 [转卖]进行直接盈利或[编辑后售卖]进行间接盈利)。
2、本站所有内容均由合作方或网友上传,本站不对文档的完整性、权威性及其观点立场正确性做任何保证或承诺!文档内容仅供研究参考,付费前请自行鉴别。
3、如文档内容存在违规,或者侵犯商业秘密、侵犯著作权等,请点击“违规举报”。

碎片内容

叶计算机辅助设计试验参考指导书

一帆文传+ 关注
实名认证
内容提供者

欢迎光临店铺,各类公文供您挑选。

确认删除?
VIP
微信客服
  • 扫码咨询
会员Q群
  • 会员专属群点击这里加入QQ群
客服邮箱
回到顶部