电脑桌面
添加小米粒文库到电脑桌面
安装后可以在桌面快捷访问

宁波市福庆路工程监理月报

宁波市福庆路工程监理月报_第1页
1/8
宁波市福庆路工程监理月报_第2页
2/8
宁波市福庆路工程监理月报_第3页
3/8
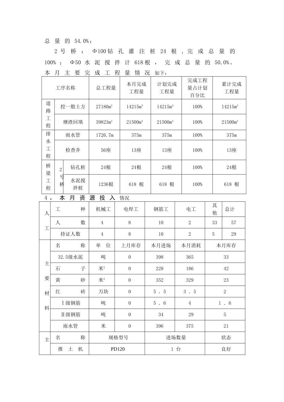
一 、 工 程 概 况 宁波市福庆路工程北起已建通途路( K0+020.84 ) , 南 至 萧 甬 铁 路 ( K3+344.2 ) , 全 长约 3323m , 是 宁 波 市 东 部 新 城 三 纵 四 横 七 条 主干 道 路 中 的 一 条 。道 路 标 准 为 城 市 主 干 道 , 工 程 标 准 横 断 面总 宽 为 48 米 , 横 断 面 布 置 为 : 3m 人 行 道 +4m 非机 动 车 道 +14.5m 机 动 车 道 +5m 中 央 绿 化 带 +14.5m 机动 车 道+4m非 机 动 车 道+3m人 行 道 ( 非 机 动 车道 与 人 行 道 之 间 设 置 树 池 , 树 池 间 隔7m , 设于 人 行 道 路 幅 内 ) 。 机 动 车 道 和 非 机 动 车 道面 层 均 采 纳 沥 青 砼 面 层 , 人 行 道 采 纳 铺 地 砖路 面 。 沿 途 架 设 5 座 桥 梁 跨 越 交 叉 道 路 或 规 划河 道 。 排 水 工 程 中 有 雨 水 管 道 和 污 水 管 道 等 。根 据 《 建 设 工 程 监 理 合 同 》 , 本 监 理 部 承担 福 庆 路 工 程 全 线 道 路 、 桥 梁 、 给 排 水 及 配套 绿 化 、 路 灯 等 工 程 施 工 全 过 程 监 理 服 务 。全 线 共 分 为 三 个 施 工 合 同 段 , 其 中 : 第 一合 同 段 为 天 津 城 建 集 团 有 限 公 司 , 里 程 桩 号为 K0+020.84 ~ K1+610 。本工程第一合同段于2025 年12月29日正式开 工 , 合 同 工 期 为350 天 。 由 于 征 地 拆 迁 等 原因 , 第 二 、 三 两 个 合 同 段 目 前 暂 没 有 开 工 。工 程名 称宁 波 市 福 庆 路工 程工 程 地点江 东 区 、 鄞州 区工 程内 容道 路 、 给 排水 、 桥 梁 、 绿化质 监 单位宁 波 市 政 质量 监 督 站建 设宁 波 市 东 部 新 城 指 挥 部单 位设 计单 位宁 波 市 城 建 设 计 讨 论 院监 理单 位江 苏 华 宁 交 通 工 程 咨 询 监 理 公 司施 工 I标 段天津城建集团有 限 公 司中标价( 元 )44742857开 工日 期2025 年 12 月 29日合 同 工期350 日 历 天质 量标 准一 次 性 验 收 合格承 包 方式总 承 包二 、 ...

1、当您付费下载文档后,您只拥有了使用权限,并不意味着购买了版权,文档只能用于自身使用,不得用于其他商业用途(如 [转卖]进行直接盈利或[编辑后售卖]进行间接盈利)。
2、本站所有内容均由合作方或网友上传,本站不对文档的完整性、权威性及其观点立场正确性做任何保证或承诺!文档内容仅供研究参考,付费前请自行鉴别。
3、如文档内容存在违规,或者侵犯商业秘密、侵犯著作权等,请点击“违规举报”。

碎片内容

宁波市福庆路工程监理月报

您可能关注的文档

确认删除?
VIP
微信客服
  • 扫码咨询
会员Q群
  • 会员专属群点击这里加入QQ群
客服邮箱
回到顶部