电脑桌面
添加小米粒文库到电脑桌面
安装后可以在桌面快捷访问

教学案例四车外圆锥面

教学案例四车外圆锥面_第1页
1/6
教学案例四车外圆锥面_第2页
2/6
教学案例四车外圆锥面_第3页
3/6
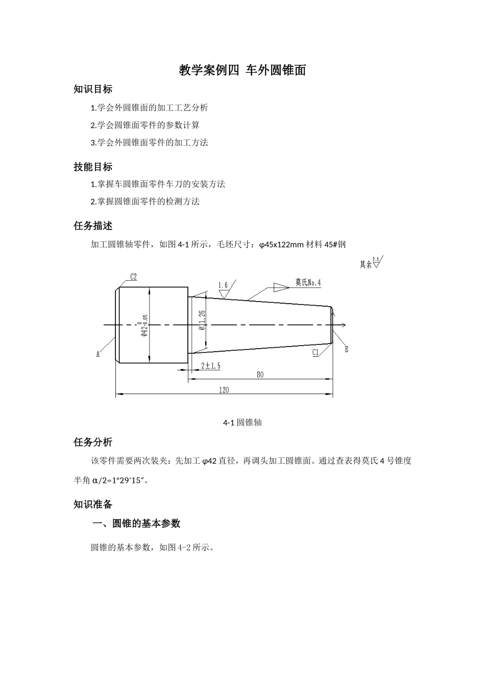
教学案例四 车外圆锥面知识目标1.学会外圆锥面的加工工艺分析2.学会圆锥面零件的参数计算3.学会外圆锥面零件的加工方法技能目标1.掌握车圆锥面零件车刀的安装方法2.掌握圆锥面零件的检测方法任务描述加工圆锥轴零件,如图 4-1 所示,毛坯尺寸:φ45x122mm 材料 45#钢4-1 圆锥轴任务分析该零件需要两次装夹:先加工 φ42 直径,再调头加工圆锥面。通过查表得莫氏 4 号锥度半角/2=1°29′15″α。知识准备一、圆锥的基本参数圆锥的基本参数,如图 4-2 所示。图 4-2 圆锥的基本参数 ⒈ 圆锥半角 α/2 圆锥角 α 是通过圆锥轴线的截面内,两条素线间的夹角。在车削时,应用较多的是圆锥角 α 的一半,即圆锥半角 α/2。 ⒉ 最大圆锥直径 D 简称大端直径。 ⒊ 最小圆锥直径 d 简称小端直径。⒋ 圆锥长度 L 最大圆锥直径处与最小圆锥直径处的轴向距离。⒌ 锥度 C 圆锥大、小端直径之差与长度之比,即: (4-1) 锥角 C 确定后,圆锥半角 α/2 则能计算出。因此,圆锥半角 α/2 与锥度 C 属于同一基本参数。 二、圆锥各部分尺寸计算圆锥半角 α/2 与其他三个参数的关系 在图样上,一般标注 D、d、L,而在车圆锥时,往往需要将小滑板油 0°转动一定的角度,而转动的角度正好是圆锥半角 α/2,因此必须计算出圆锥半角 α/2。在图中 5-4 中,tanα/2=BC/AC BC=(D-d)/2 AC=Ltanα/2=(D-d)/2L (4-2)应用式(3-2)计算 α/2,须查三角函数表(比较麻烦)。当圆锥半角 α/2<6°时,可以用下列近似公式计算:α/2≈28.7°×(D-d)/ L≈28.7°×C (4-3)采纳近似公式计算圆锥半角 α/2 时,应注意:⑴ 圆锥半角应在 6°以内。⑵ 计算结果是“度”,度以后的小数部分是十进位的,而角度是 60 进位。应将含有小数部分的计算结果转化成度、分、秒。三、转动小滑板法车外圆锥因圆锥既有尺寸精度,又有角度要求,因此,在车削中要同时保证尺寸精度和圆锥角度。一般先保证圆锥角度,然后精车控制其尺寸精度。车外圆锥面的主要方法有:转动小滑板法和宽刃刀车削法。转动小滑板法是把刀架小滑板按工件圆锥半角 α/2 要求转动一个相应角度,使车刀的运动轨迹与所要加工的圆锥素线平行,如图 4-3 所示。转动小滑板法操作简便,调整范围广,主要选用于单件、小批量生产,特别适用于工件长度较短、圆锥角较大的圆锥面。(a) (b)图 4-3 转动小滑板法车前顶尖(a)前顶尖(b)车前顶尖⒈ 装夹车刀车刀...

1、当您付费下载文档后,您只拥有了使用权限,并不意味着购买了版权,文档只能用于自身使用,不得用于其他商业用途(如 [转卖]进行直接盈利或[编辑后售卖]进行间接盈利)。
2、本站所有内容均由合作方或网友上传,本站不对文档的完整性、权威性及其观点立场正确性做任何保证或承诺!文档内容仅供研究参考,付费前请自行鉴别。
3、如文档内容存在违规,或者侵犯商业秘密、侵犯著作权等,请点击“违规举报”。

碎片内容

教学案例四车外圆锥面

您可能关注的文档

确认删除?
VIP
微信客服
  • 扫码咨询
会员Q群
  • 会员专属群点击这里加入QQ群
客服邮箱
回到顶部