电脑桌面
添加小米粒文库到电脑桌面
安装后可以在桌面快捷访问

某产业园地下室防水工程监理细则

某产业园地下室防水工程监理细则_第1页
1/16
某产业园地下室防水工程监理细则_第2页
2/16
某产业园地下室防水工程监理细则_第3页
3/16
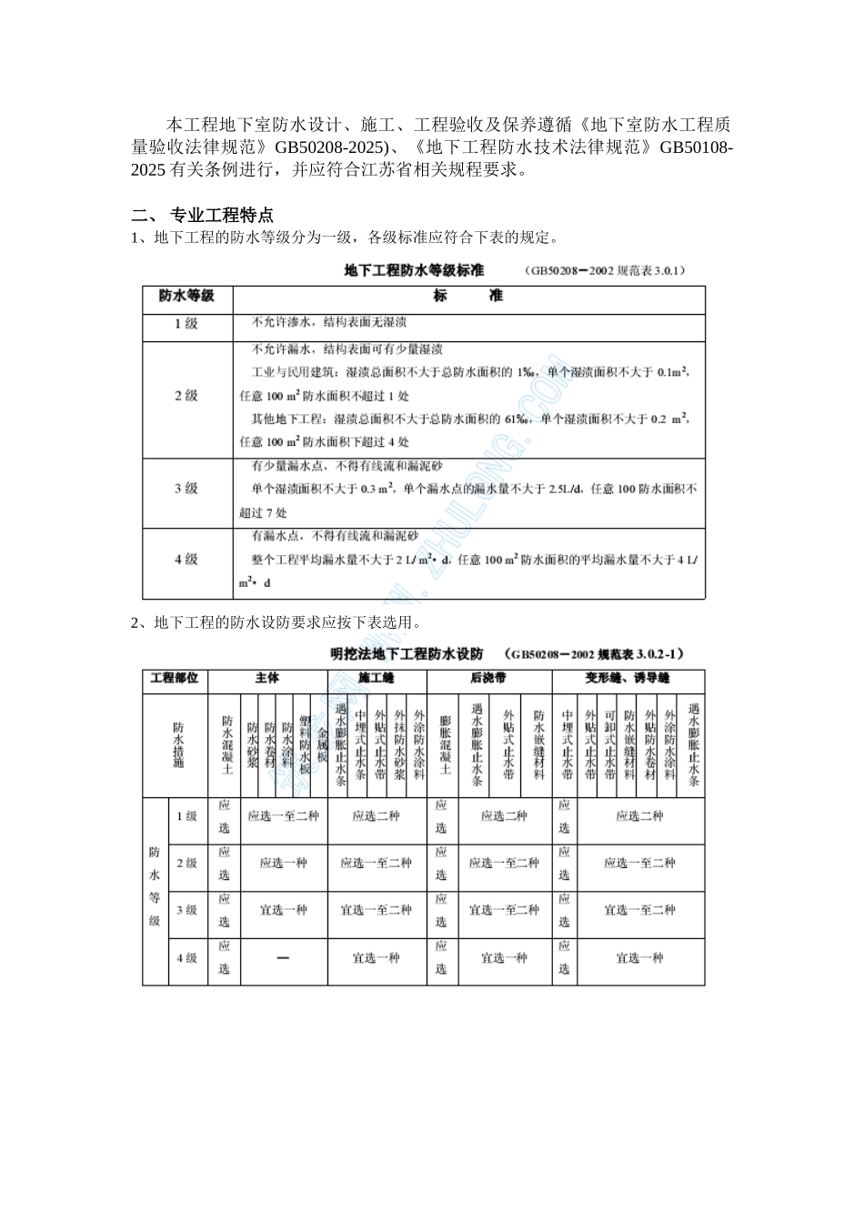
CC1313 无锡创意产业园三期 工程监理细则监理细则(地下室防水工程) 内容提要: 专业工程特点监理工作流程 监理工作控制目标及控制要点 监理工作方法及措施 项目监理机构(章): 总监理工程师: 日期: 2025.01 江苏省建设厅建设监理处监制地下防水工程施工质量监理实施细则一、工程概况工程位于无锡蠡园开发区,交通十分便利。三期规划拟建研发用房 3 栋塔楼及三栋裙房,建筑面积 205971㎡,其中地下建筑面积 58400㎡,地上 146294㎡。本工程建筑抗震设防烈度为 6 度,建筑设防分类为丙类建筑。地下防水等级为二级,建筑结构安全等级为二级;底板和侧壁及顶板均采纳结构自防水混凝土和 SB 高聚物改性沥青防水卷材,防水混凝土抗渗登记未 0.6Mpa。本工程结构设计使用年限为 50 年,结构设计使用年限 50 年。框架的抗震等级为二、三、四级。本工程结构类型为框架、剪力墙结构。本工程地下室防水设计、施工、工程验收及保养遵循《地下室防水工程质量验收法律规范》GB50208-2025)、《地下工程防水技术法律规范》GB50108-2025 有关条例进行,并应符合江苏省相关规程要求。二、 专业工程特点1、地下工程的防水等级分为一级,各级标准应符合下表的规定。 2、地下工程的防水设防要求应按下表选用。3、地下防水工程施工前,施工单位应进行图纸会审,掌握工程主体及细部构造的防水技术要求,并编制防水工程的施工方案。 4、地下防水工程必须由相应资质的专业防水队伍进行施工;主要施工人员应持有建设行政主管部门或其指定单位颁发的执业资格证书。 5、 地下防水工程所使用的防水材料,应有产品的合格证书各性能检测报告,材料的品种、规格、性能等应符合现行国家产品标准和设计要求。 对进场的防水材料应按 GB50208-2025 法律规范附录 A 和附录 B 的规定抽样复验,并提出试验报告;不合格的材料不得在工程中使用。 6、地下防水工程施工期间,明挖法的基坑以及暗挖法的竖井、洞口、必须保持地下水位稳定在基底 0.5m 以下,必要时应实行降水措施。 7、地下防水工程的防水层,严禁在雨天、雪天和五级风及其以上时施工,其施工环境气温条件宜符合下表的规定。8、地下防水工程是一个子分部工程,其分项工程的划分应符合下表要求。三、监理工作流程防水工程质量监理工作程序框图 不同意修改后重报 申报施工方案承包单位审批施工方案监理工程师原材料报验承包单位应附:材料质量合格证 防伪标志复试报 告等审核...

1、当您付费下载文档后,您只拥有了使用权限,并不意味着购买了版权,文档只能用于自身使用,不得用于其他商业用途(如 [转卖]进行直接盈利或[编辑后售卖]进行间接盈利)。
2、本站所有内容均由合作方或网友上传,本站不对文档的完整性、权威性及其观点立场正确性做任何保证或承诺!文档内容仅供研究参考,付费前请自行鉴别。
3、如文档内容存在违规,或者侵犯商业秘密、侵犯著作权等,请点击“违规举报”。

碎片内容

某产业园地下室防水工程监理细则

确认删除?
VIP
微信客服
  • 扫码咨询
会员Q群
  • 会员专属群点击这里加入QQ群
客服邮箱
回到顶部