电脑桌面
添加小米粒文库到电脑桌面
安装后可以在桌面快捷访问

某冲碴场一期绿化监理细则附表

某冲碴场一期绿化监理细则附表_第1页
1/16
某冲碴场一期绿化监理细则附表_第2页
2/16
某冲碴场一期绿化监理细则附表_第3页
3/16
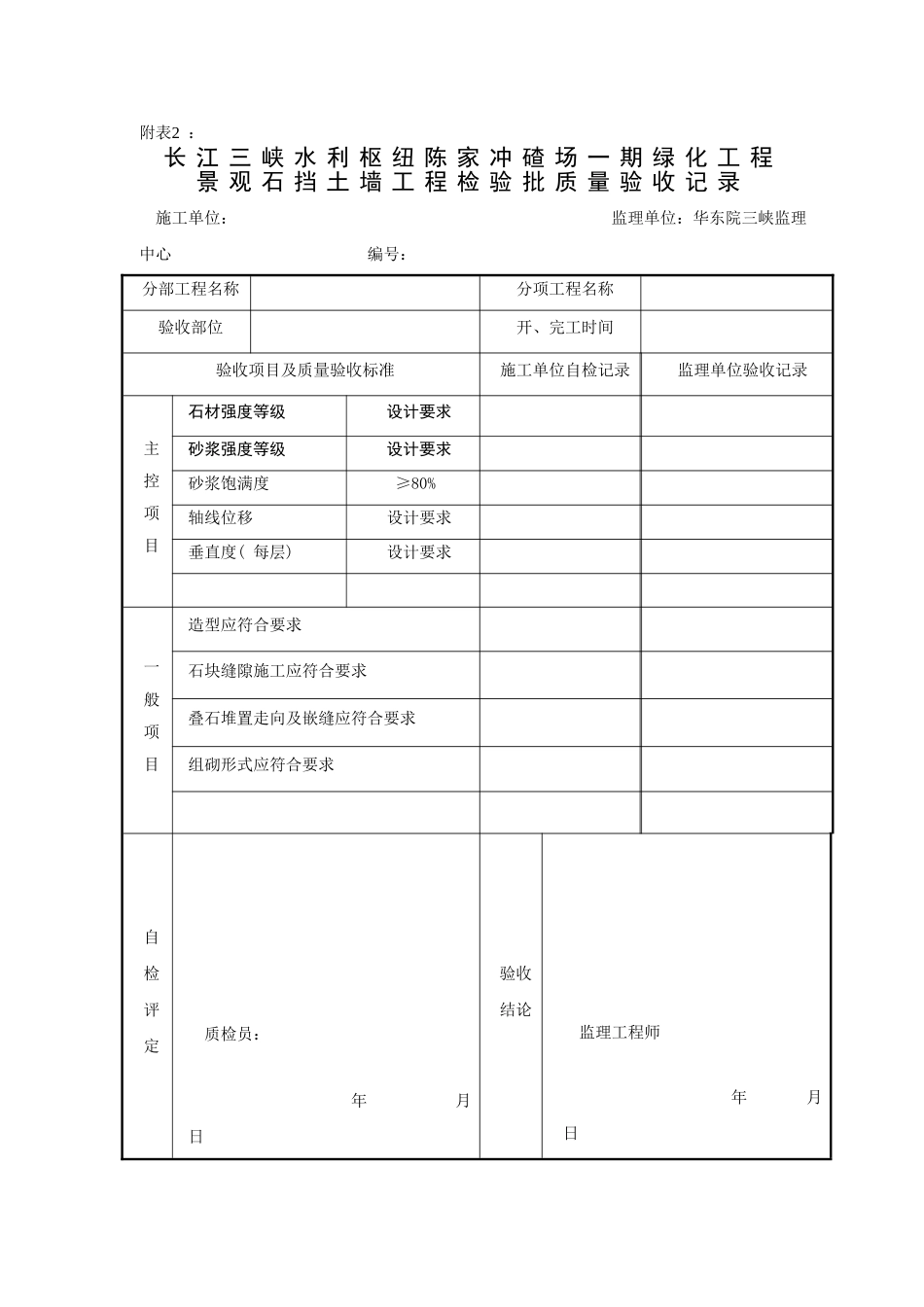
附表1 :长 江 三 峡 水 利 枢 纽 陈 家 冲 碴 场 一 期 绿 化 工 程隐 蔽 工 程 检 查 验 收 记 录 表施工单位: 监理单位:华东院三峡监理中心 编号:分部工程名称分项工程名称验收部位工程开、完工时间项目名称质量要求施工单位自查记录监理单位验收记录施工单位自查结论初检:年 月 日复检: 年 月 日终检: 年 月 日监理单位验收结论监理工程师: 年 月 日附表2 :长 江 三 峡 水 利 枢 纽 陈 家 冲 碴 场 一 期 绿 化 工 程景 观 石 挡 土 墙 工 程 检 验 批 质 量 验 收 记 录施工单位: 监理单位:华东院三峡监理中心 编号:分部工程名称分项工程名称验收部位开、完工时间验收项目及质量验收标准施工单位自检记录监理单位验收记录主控项目石材强度等级设计要求砂浆强度等级设计要求砂浆饱满度≥80%轴线位移设计要求垂直度( 每层)设计要求一般项目造型应符合要求石块缝隙施工应符合要求叠石堆置走向及嵌缝应符合要求组砌形式应符合要求自检评定质检员: 年 月 日验收结论监理工程师 年 月 日附表3 :长 江 三 峡 水 利 枢 纽 陈 家 冲 碴 场 一 期 绿 化 工 程栽 植 土 基 层 处 理 检 验 批 质 量 验 收 记 录施工单位: 监理单位:华东院三峡监理中心 编号分部工程名称分项工程名称验收部位工程开、完工时间验收项目及质量标准施工自检记录监理验收记录主控项目栽植土下基层不能有透水层或积水现象地下水位深度符合植物生长要求基土理化性质不影响植物生长一般项目清除建筑垃圾、杂草、树根表面基本平整地形标高符合设计要求自检评定质检员: 年 月 日验收结论监理工程师: 年 月 日附表4 :长 江 三 峡 水 利 枢 纽 陈 家 冲 碴 场 一 期 绿 化 工 程栽 植 土 地 形 整 理 检 验 批 质 量 验 收 记 录施工单位: 监理单位:华东院三峡监理中心 编号分部工程名称分项工程名称验收部位工程开、完工时间验收项目及质量标准施工单位自检记录监理单位验收记录主控项目栽植土地形的整体造型符合设计要求一般项目地表基本平整、无明显的低洼和积水处地形排水坡度≥3‰ 或设计要求栽植土与道路( 挡土墙或挡土侧石) 接壤处处理栽植土应略低3-5 Cm,与边口线基本平直有效土层大中乔木深根性≥120 Cm或设计要求浅根性≥90 C m或设计要求厚度小乔木和大中灌木≥60...

1、当您付费下载文档后,您只拥有了使用权限,并不意味着购买了版权,文档只能用于自身使用,不得用于其他商业用途(如 [转卖]进行直接盈利或[编辑后售卖]进行间接盈利)。
2、本站所有内容均由合作方或网友上传,本站不对文档的完整性、权威性及其观点立场正确性做任何保证或承诺!文档内容仅供研究参考,付费前请自行鉴别。
3、如文档内容存在违规,或者侵犯商业秘密、侵犯著作权等,请点击“违规举报”。

碎片内容

某冲碴场一期绿化监理细则附表

您可能关注的文档

确认删除?
VIP
微信客服
  • 扫码咨询
会员Q群
  • 会员专属群点击这里加入QQ群
客服邮箱
回到顶部