电脑桌面
添加小米粒文库到电脑桌面
安装后可以在桌面快捷访问

某大桥预压固桩施工技术交底

某大桥预压固桩施工技术交底_第1页
1/7
某大桥预压固桩施工技术交底_第2页
2/7
某大桥预压固桩施工技术交底_第3页
3/7
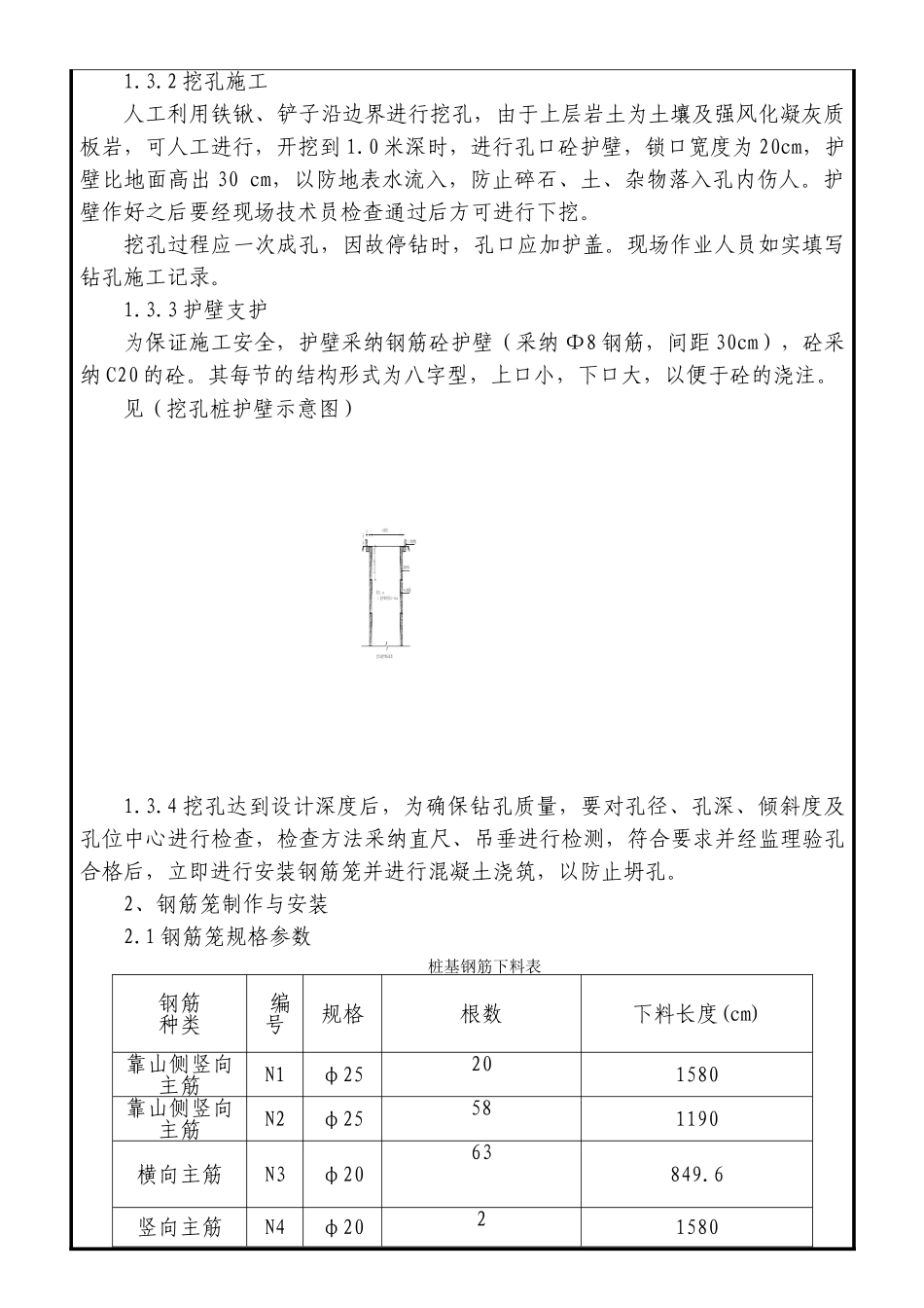
交底内容: 某某大桥预压固桩施工技术交底一、 工程概况 大桥预加固桩采纳人工挖孔,共2根,计32延米。1#、2#桩长各16米,桩截面尺寸都为2.5米*2.0米,平行线路方向为2.0米。桩身混凝土标号为C40。二、总体施工方案及施工工艺流程图1#、2#桩基均为挖孔桩,使用人工开挖成孔。钢筋笼在加工场内集中制作,汽车吊吊装就位。混凝土灌注前应清除孔底松渣及积水,混凝土在7#搅拌站拌制,采纳罐车运输,串筒法灌注混凝土,一次浇注完成。三、施工工序与方法1、挖孔施工1.1 施工准备在挖孔桩施工范围内平整场地、清除杂物,以便绞车安装。1.1.2、挖孔场地的平面尺寸应按桩基设计的平面尺寸、绞车数量和绞车底座平面尺寸、绞车移位要求、施工方法以及其它配合施工机具设施布置等情况决定。1.1.3、平整场地前应先做好各项准备工作,如清除场地内所有地上、地下障碍物。1.1.4 1#、2#预加固桩在洞口山坡坡腰,上层为土壤覆盖层及强风化凝灰质板岩,可利用人工开挖平整。 1.2 测量放桩位1.2.1、在进行放样以前,测量员首先应熟悉结构物的总体布置图和细部结构设计图,结合现场条件与控制点的分布,确定适宜的放样方法。1.2.2、施工放样采纳全站仪重复测量或闭合测量的方法进行,做到处处有检核。1.2.3、根据水准控制点加密测量成果,测定出 1#、2#桩位 4 角准确位置,并用固定标志固定,下挖一米后测量辅助定出孔口砼护壁四角。1#预加固桩中心里程为 DK527+230,桩边距左线线路中线 10.45m,截面尺寸 2.5m*2.0m,桩顶标高 588.3553;2#预加固桩中心里程为 DK527+237,桩边距左线线路中线 10.45m,截面尺寸 2.5m*2.0m,桩顶标高 588.2673。测量并记录现场放样点的坐标和高程,与理论坐标比较检核。确认无误后在标志旁加注记。1.3 挖孔1.3.1 绞车就位绞车采纳种重载压固,测量确定挖桩孔中心,用白石灰粉洒出开挖边界,经监理工程师检验后方可开始挖孔施工。1.3.2 挖孔施工人工利用铁锹、铲子沿边界进行挖孔,由于上层岩土为土壤及强风化凝灰质板岩,可人工进行,开挖到 1.0 米深时,进行孔口砼护壁,锁口宽度为 20cm,护壁比地面高出 30 cm,以防地表水流入,防止碎石、土、杂物落入孔内伤人。护壁作好之后要经现场技术员检查通过后方可进行下挖。挖孔过程应一次成孔,因故停钻时,孔口应加护盖。现场作业人员如实填写钻孔施工记录。1.3.3 护壁支护为保证施工安全,护壁采纳钢筋砼护壁(采纳 Φ8 钢筋,间距 30cm),砼采纳...

1、当您付费下载文档后,您只拥有了使用权限,并不意味着购买了版权,文档只能用于自身使用,不得用于其他商业用途(如 [转卖]进行直接盈利或[编辑后售卖]进行间接盈利)。
2、本站所有内容均由合作方或网友上传,本站不对文档的完整性、权威性及其观点立场正确性做任何保证或承诺!文档内容仅供研究参考,付费前请自行鉴别。
3、如文档内容存在违规,或者侵犯商业秘密、侵犯著作权等,请点击“违规举报”。

碎片内容

某大桥预压固桩施工技术交底

您可能关注的文档

确认删除?
VIP
微信客服
  • 扫码咨询
会员Q群
  • 会员专属群点击这里加入QQ群
客服邮箱
回到顶部