电脑桌面
添加小米粒文库到电脑桌面
安装后可以在桌面快捷访问

某道路改建工程监理规划

某道路改建工程监理规划_第1页
1/9
某道路改建工程监理规划_第2页
2/9
某道路改建工程监理规划_第3页
3/9
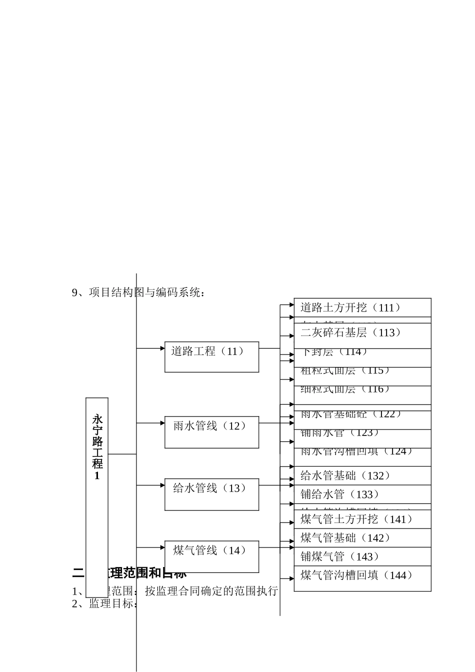
C12C12 永宁路(武近医院 - 北环路段)改建 工程监理规划监理规划 2025 年 3 月 10 日 至 2025 年 8 月 30 日 内容提要: 工程概况 监理工作范围、目标和依据 监理组织机构 监理工作内容、方法和措施 监理工作制度 监理单位(章): 总监理工程师: 公司技术负责人: 日期: 2025.2.26 江苏省建设厅建设监理处监制永宁路改建工程监理规划一、 工程项目概况1、工程项目名称:永宁路(武进医院-北环路段)改建工程2、工程项目地点:武进医院-北环路段永宁北路原址3、工程项目组成及规模:本次永宁路改建(武进医院-北环路)自武进医院(即永宁路铁路地道永宁北路引道终点处)起,至北环路车行道西边线止,道路全长 626m,宽度 30-33m。(表一)。 表一序号工程名称单位工程数量1道路工程m6262雨水管线工程mφ140058φ1500190φ 500823给水管线工程mDN3005414燃气管线工程mD325*83844、主要结构类型:表二道路桩号断面形式车行道10%灰土二灰碎石沥青下封层(AC-5I)粗粒式沥青砼(AC-25I)细粒式沥青砼(AC-13I)K0+000-K0+045.294路段顺接段K0+045.294-K0+108.718路段3.0m 人行道+27.0m车行道+3.0m 人行道18cm32cm1cm7cm4cm(玄武岩骨料)K0+108.718-K0+626 路段3.0m 人行道+24.0m车行道+3.0m 人行道18cm32cm1cm7cm4cm(玄武岩骨料)5、工程投资总额:765 万元(概算)6、工程项目计划工期:开工日期:2025 年 3 月 1 日竣工日期:2025 年 9 月 30 日7、工程质量等级目标要求:优良。8、工程项目设计单位:设计单位情况 表三设计单位名称设计内容负责人常州市市政工程设计院道路宋宇衡常州市市政工程设计院管线蔡祥生施工单位情况 表四施工单位名称承包工程内容负责人常州市市政建设工程总公司道路工程刘国斌常州市市政建设工程总公司雨水管线工程刘国斌给水管线工程煤气管线工程9、项目结构图与编码系统:二、监理范围和目标1、监理范围:按监理合同确定的范围执行2、监理目标:永宁路工程1煤气管线(14)给水管线(13)雨水管线(12)道路工程(11)道路土方开挖(111)灰土基层(112)给水管土方开挖(131)雨水管沟槽回填(124)铺雨水管(123)雨水管基础砼(122)雨水管土方开挖(121)细粒式面层(116)粗粒式面层(115)下封层(114)二灰碎石基层(113)给水管基础(132)铺给水管(133)给水管沟槽回填(134)煤气管土方开挖(141)煤气管基础(142)铺煤气管(143)煤气管沟槽回填(...

1、当您付费下载文档后,您只拥有了使用权限,并不意味着购买了版权,文档只能用于自身使用,不得用于其他商业用途(如 [转卖]进行直接盈利或[编辑后售卖]进行间接盈利)。
2、本站所有内容均由合作方或网友上传,本站不对文档的完整性、权威性及其观点立场正确性做任何保证或承诺!文档内容仅供研究参考,付费前请自行鉴别。
3、如文档内容存在违规,或者侵犯商业秘密、侵犯著作权等,请点击“违规举报”。

碎片内容

某道路改建工程监理规划

您可能关注的文档

确认删除?
VIP
微信客服
  • 扫码咨询
会员Q群
  • 会员专属群点击这里加入QQ群
客服邮箱
回到顶部