电脑桌面
添加小米粒文库到电脑桌面
安装后可以在桌面快捷访问

水工建筑物岩石地基施工质量验收监理实施细则

水工建筑物岩石地基施工质量验收监理实施细则_第1页
1/6
水工建筑物岩石地基施工质量验收监理实施细则_第2页
2/6
水工建筑物岩石地基施工质量验收监理实施细则_第3页
3/6
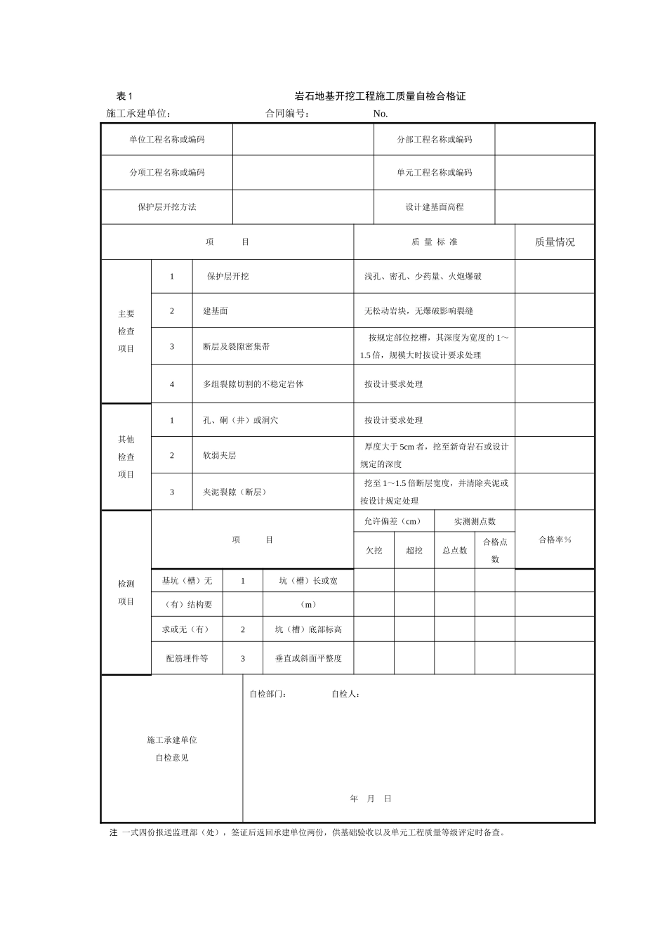
5 水工建筑物岩石地基施工质量验收监理实施细则一、总则(1)为了利于水工建筑物岩石地基施工质量验收工作的顺利进行,根据工程承建合同文件有关规定,编制本实施细则。 (2)岩石地基施工质量检验依据工程承建合同文件,经监理部审签的设计文件,SL47—94《水工建筑物岩石基础开挖工程施工技术法律规范》、SL52—93《水利水电工程施工测量法律规范》、SDJ249—88《水利水电基本建设工程单元工程质量等级评定标准(一)》和工程质量检验、验收规程、标准有关规定进行。 (3)本细则适用于主体工程水工建筑物和重要临时建筑物的岩质边坡、岸坡和岸石地基开挖工程。 施工企业及辅助工程岩石地基开挖施工质量验收可参照本细则适当简化进行。 (4)水工建筑物岩石地基开挖工程施工质量检验分承建单位自检、监理单位初检(包括由监理部或监理处主持的联合检验与预检)和由业主单位组织的终验三个阶段进行。 检验流程见图 1。图 1 水工建筑物岩石地基开挖工程施工质量检验流程图二、开挖过程检验 (1)岩石地基开挖过程中,监理工程师应提醒承建单位地质工程师注意地质条件的检查。当开挖至保护层时,发现存在设计图中未标注或存在差异的软弱层、断层破裂带、沿断层岩脉加剧风化区域或其他不良地质情况,应及时将有关资料报送设计单位和监理单位,以便于设计单位及时进行修改或变更。 (2)基础面开挖到保护层上限时和保护层开挖完成后,监理机构应督促承建单位为建基面弹性波检测单位提供工作环境,检测基础面以下 2~3m 范围内弹性波波速,以检验建基面岩体的质量。 (3)建筑物岩石基础按设计要求开挖(包括必须进行的地质缺陷处理)并经基础清理结束后,监理机构应督促承建单位及时进行自检,并在自检合格后向监理部申报进行岩石地基开挖质量联合检验。 (4)监理机构应督促承建单位按联合检验要求,对揭露的施工缺陷和地质缺陷进行处理与建基面整修,并在联合检验确认质量合格后安排进行基础建基面竣施工场地形测绘和报请监理部(处)安排进行地质编录。 三、监理单位预验 (1)基础建基面竣施工场地形测绘、地质编录完成和报验资料准备就绪后,监理机构应督促承建单位及时向监理部报送《水工建筑物岩石基础验收申报表》,申请对已开挖完成建筑物岩石基础进行验收。 (2)监理部或授项目监理处在收到承建单位报送《水工建筑物岩石基础验收申报表》后的 24h 内进行并完成对申报单元或扩大单元工程建筑物岩石基础的预验。 (3)...

1、当您付费下载文档后,您只拥有了使用权限,并不意味着购买了版权,文档只能用于自身使用,不得用于其他商业用途(如 [转卖]进行直接盈利或[编辑后售卖]进行间接盈利)。
2、本站所有内容均由合作方或网友上传,本站不对文档的完整性、权威性及其观点立场正确性做任何保证或承诺!文档内容仅供研究参考,付费前请自行鉴别。
3、如文档内容存在违规,或者侵犯商业秘密、侵犯著作权等,请点击“违规举报”。

碎片内容

水工建筑物岩石地基施工质量验收监理实施细则

您可能关注的文档

雏圣文化+ 关注
实名认证
内容提供者

欢迎光临,大量办公文档供您挑选。

确认删除?
VIP
微信客服
  • 扫码咨询
会员Q群
  • 会员专属群点击这里加入QQ群
客服邮箱
回到顶部