电脑桌面
添加小米粒文库到电脑桌面
安装后可以在桌面快捷访问

水电站扩机工程质量月报

水电站扩机工程质量月报_第1页
1/5
水电站扩机工程质量月报_第2页
2/5
水电站扩机工程质量月报_第3页
3/5
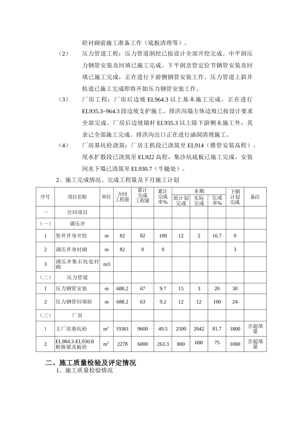
贵州响水水电站扩机工程土建与安装工程 II 标段质 量 月 报(2025 年 06 月)【总第一期】中国水利水电第十六工程局有限公司贵州响水水电站扩机工程项目经理部2010 年 06 月 25 日审查: 校核: 编写: 一、本月工程进度情况1、主要工程形象进度描述响水水电站扩机工程扩机工程自 2025 年 08 月开工建设以来,在业主、代建的正确领导下,在监理、设计等相关单位的大力支持下,工程建设取得了较大进展,各部位现施工面貌及形象主要如下:(1)调压井工程:调压井竖井开挖已按设计开挖完成,目前正在进行砼衬砌前施工准备工作(底板清理等)。(2)压力管道工程:压力管道洞挖已按设计全部开挖完成。中平洞压力钢管安装及回填已施工完成。下平洞岔管定位节钢管安装及回填已施工完成,正在进行下游侧钢管安装工作。压力管道上斜井轨道已施工完成即将开始压力钢管安装工作。(3)厂房工程:厂房后边坡 EL964.3 以上基本施工完成,正在进行EL935.3~964.3 段边坡支护施工。排洪沟塌方体边坡已按设计要求全部完成。厂房后边坡锚杆 EL935.3 以上除下游侧未施工外,其余已全部施工完成。排洪沟出口正在进行涵洞清理施工。(4)厂房基坑砼浇筑:厂房主机段已浇筑至 EL914(锥管安装高程),尾水扩散段已浇筑至 EL922 高程,集沙坑底板已施工完成。安装间水下墙已浇筑至 EL930.7(牛腿处)。2、施工完成情况。完成工程量及下月施工计划二、施工质量检验及评定情况1、施工质量检验情况序号项目名称单位合同工程量累计完成工程量累计完成率%本期下期计划完成备注原计划完成实际完成完成率%一合同项目(一)调压井1竖井井身开挖 m828210012216.702调压井身衬砌m820033调压井集石坑处衬砌m3(二)压力管道1压力钢管安装m688.2679.715320302压力钢管回填砼m688.2639.2121210024(三)厂房1主厂房基坑砼m³19361960049.52500204281.71800含超填量2EL984.3-EL930.8框格梁及板砼m³22786000263.3800600751000含超填量2、本月质量评定情况说明本月无单位工程、分部工程评定验收本月金属结构、启闭机及机电产品质量检查主要为厂房水机管路、电气接地等零星项目质量检查,检查结果全部合格。本月质量评定情况主要为调压井竖井开挖单元、上室平洞开挖单元、及厂房砼单元、锚杆单元评定,具体如下:竖井开挖单元:共验收 4 个单元,优良 2 个,优良率 50%;上室平洞开挖单元:共验收 1 个单元,合格;原材料检测试验情况项 目水 泥粉...

1、当您付费下载文档后,您只拥有了使用权限,并不意味着购买了版权,文档只能用于自身使用,不得用于其他商业用途(如 [转卖]进行直接盈利或[编辑后售卖]进行间接盈利)。
2、本站所有内容均由合作方或网友上传,本站不对文档的完整性、权威性及其观点立场正确性做任何保证或承诺!文档内容仅供研究参考,付费前请自行鉴别。
3、如文档内容存在违规,或者侵犯商业秘密、侵犯著作权等,请点击“违规举报”。

碎片内容

水电站扩机工程质量月报

范哲铺+ 关注
实名认证
内容提供者

想你所想,急你所急,你需要的都在店铺里可以找到。

确认删除?
VIP
微信客服
  • 扫码咨询
会员Q群
  • 会员专属群点击这里加入QQ群
客服邮箱
回到顶部