电脑桌面
添加小米粒文库到电脑桌面
安装后可以在桌面快捷访问

沥青混合料拌和设备

沥青混合料拌和设备_第1页
1/5
沥青混合料拌和设备_第2页
2/5
沥青混合料拌和设备_第3页
3/5
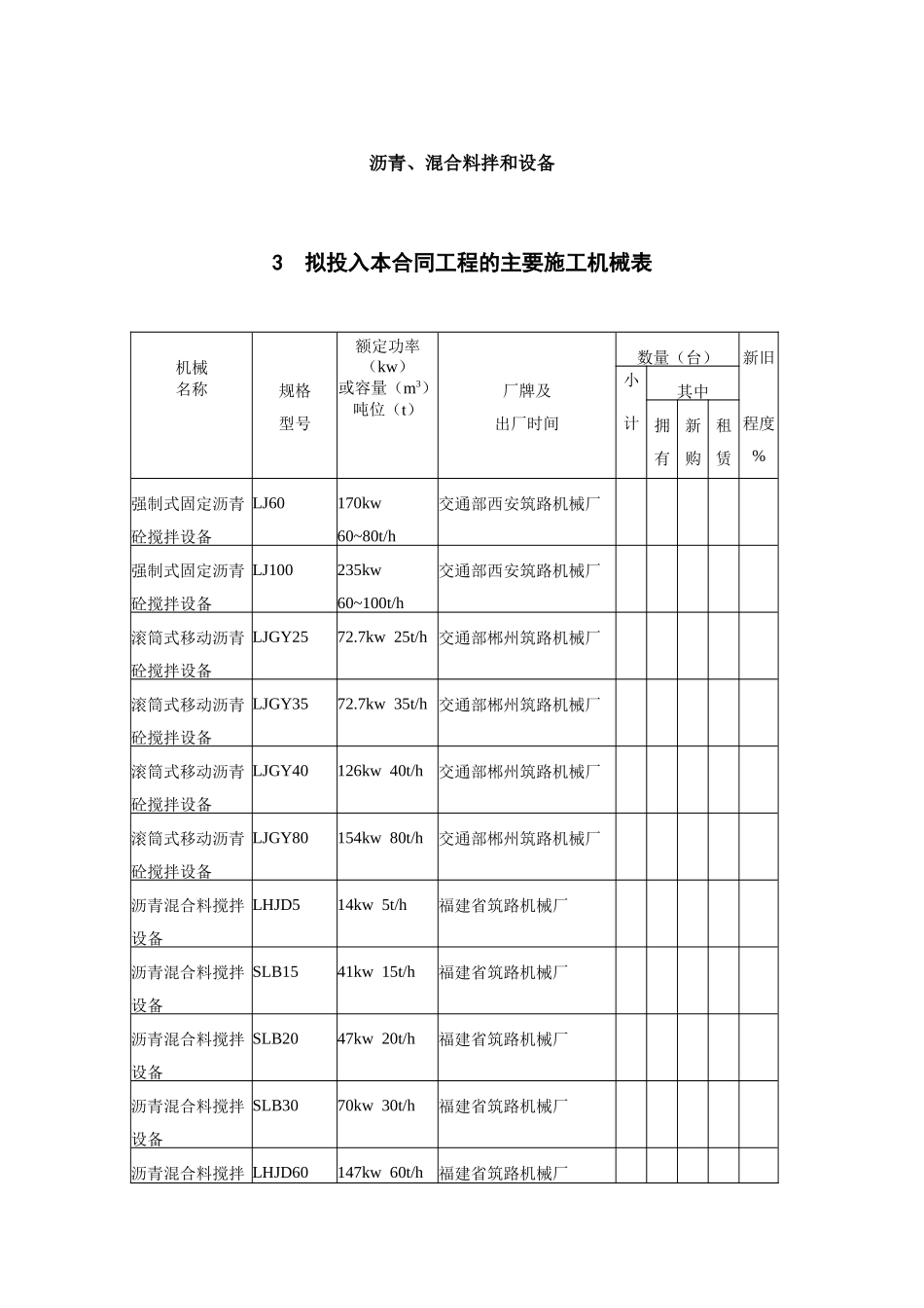
沥青、混合料拌和设备3 拟投入本合同工程的主要施工机械表机械名称规格型号额定功率(kw)或容量(m3)吨位(t)厂牌及出厂时间数量(台)新旧程度%小计其中拥有新购租赁强制式固定沥青砼搅拌设备LJ60170kw 60~80t/h交通部西安筑路机械厂强制式固定沥青砼搅拌设备LJ100235kw 60~100t/h交通部西安筑路机械厂滚筒式移动沥青砼搅拌设备LJGY2572.7kw 25t/h 交通部郴州筑路机械厂滚筒式移动沥青砼搅拌设备LJGY3572.7kw 35t/h 交通部郴州筑路机械厂滚筒式移动沥青砼搅拌设备LJGY40126kw 40t/h交通部郴州筑路机械厂滚筒式移动沥青砼搅拌设备LJGY80154kw 80t/h交通部郴州筑路机械厂沥青混合料搅拌设备LHJD514kw 5t/h福建省筑路机械厂沥青混合料搅拌设备SLB1541kw 15t/h福建省筑路机械厂沥青混合料搅拌设备SLB2047kw 20t/h福建省筑路机械厂沥青混合料搅拌设备SLB3070kw 30t/h福建省筑路机械厂沥青混合料搅拌 LHJD60147kw 60t/h福建省筑路机械厂设备沥青混合料搅拌设备LB-30100kw 30~40t/h无锡筑路机械厂沥青混合料搅拌设备LB-60170kw 60~80t/h无锡筑路机械厂沥青混合料搅拌设备LB-120293kw 120~150t/h无锡筑路机械厂沥青混合料搅拌设备LJB1000 60~80t/h交通部郴州筑路机械厂沥青混合料搅拌设备LJGY120 120t/h交通部郴州筑路机械厂沥青混凝土搅拌设备M3000725kw 180~240t/h西安筑路机械厂沥青混凝土搅拌设备LB1000350KW 60~80t/h西安筑路机械厂沥青混凝土搅拌设备LB2000510KW 120~160西安筑路机械厂沥青混凝土拌和设备M95E16072~95t/h意大利 MARINI 公司沥青混凝土拌和设备M95E190 95t/h意大利 MARINI 公司沥青混凝土拌和设备M121E220 121t/h意大利 MARINI 公司沥青混凝土拌和设备M160E220 150~160t/h意大利 MARINI 公司沥青混凝土拌和设备M160E250 160t/h意大利 MARINI 公司沥青混凝土拌和设备UDM-60 85~100t/h 美国 Caterpillar-CMI 公司沥青混凝土拌和设备UDM-700 145~160t/h美国 Caterpillar-CMI 公司沥青混凝土拌和设备UDM-1200 300~330t/h美国 Caterpillar-CMI 公司沥青混凝土拌和设备UDM-1900 359~450t/h美国 Caterpillar-CMI 公司沥青混凝土拌和设备PDM-936 495~560t/h美国 Caterpillar-CMI 公司沥青混凝土拌和设备NP-200PT24.75kw 10t/h 日本 NIIGATA(新泻)公司沥青混凝土拌和设备NP-1000M 147.95kw 70~80t/h日本 NIIGATA(新泻)公司沥青混凝土拌和设备NP-1200PT 151.65kw 72~100t/h日...

1、当您付费下载文档后,您只拥有了使用权限,并不意味着购买了版权,文档只能用于自身使用,不得用于其他商业用途(如 [转卖]进行直接盈利或[编辑后售卖]进行间接盈利)。
2、本站所有内容均由合作方或网友上传,本站不对文档的完整性、权威性及其观点立场正确性做任何保证或承诺!文档内容仅供研究参考,付费前请自行鉴别。
3、如文档内容存在违规,或者侵犯商业秘密、侵犯著作权等,请点击“违规举报”。

碎片内容

沥青混合料拌和设备

您可能关注的文档

确认删除?
VIP
微信客服
  • 扫码咨询
会员Q群
  • 会员专属群点击这里加入QQ群
客服邮箱
回到顶部