电脑桌面
添加小米粒文库到电脑桌面
安装后可以在桌面快捷访问

电梯维保服务用户需求书中大惠亚医院

电梯维保服务用户需求书中大惠亚医院_第1页
1/4
电梯维保服务用户需求书中大惠亚医院_第2页
2/4
电梯维保服务用户需求书中大惠亚医院_第3页
3/4
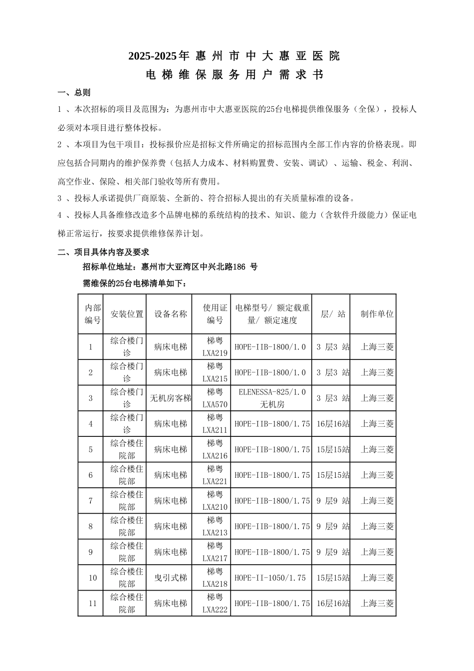
2025-2025 年 惠 州 市 中 大 惠 亚 医 院电 梯 维 保 服 务 用 户 需 求 书一、总则1 、本次招标的项目及范围为:为惠州市中大惠亚医院的25台电梯提供维保服务(全保),投标人必须对本项目进行整体投标。2 、本项目为包干项目:投标报价应是招标文件所确定的招标范围内全部工作内容的价格表现。即应包括合同期内的维护保养费(包括人力成本、材料购置费、安装、调试) 、运输、税金、利润、高空作业、保险、相关部门验收等所有费用。3 、投标人承诺提供厂商原装、全新的、符合招标人提出的有关质量标准的设备。4 、投标人具备维修改造多个品牌电梯的系统结构的技术、知识、能力(含软件升级能力)保证电梯正常运行,按要求提供维修保养计划。二、项目具体内容及要求招标单位地址:惠州市大亚湾区中兴北路186 号需维保的25台电梯清单如下:内部编号安装位置设备名称使用证编号电梯型号/ 额定载重量/ 额定速度层/ 站制作单位1综合楼门诊病床电梯梯粤LXA219HOPE-IIB-1800/1.03 层3 站上海三菱2综合楼门诊病床电梯梯粤LXA215HOPE-IIB-1800/1.03 层3 站上海三菱3综合楼门诊无机房客梯梯粤LXA570ELENESSA-825/1.0 无机房3 层3 站上海三菱4综合楼门诊病床电梯梯粤LXA211HOPE-IIB-1800/1.75 16层16站上海三菱5综合楼住院部病床电梯梯粤LXA216HOPE-IIB-1800/1.75 15层15站上海三菱6综合楼住院部病床电梯梯粤LXA221HOPE-IIB-1800/1.75 15层15站上海三菱7综合楼住院部病床电梯梯粤LXA210HOPE-IIB-1800/1.75 9 层9 站上海三菱8综合楼住院部病床电梯梯粤LXA213HOPE-IIB-1800/1.75 9 层9 站上海三菱9综合楼住院部病床电梯梯粤LXA217HOPE-IIB-1800/1.75 9 层9 站上海三菱10综合楼住院部曳引式梯梯粤LXA218HOPE-II-1050/1.7515层15站上海三菱11综合楼住院部病床电梯梯粤LXA222HOPE-IIB-1800/1.75 16层16站上海三菱12综合楼住院部病床电梯梯粤LXA568HOPE-IIB-1800/1.75 10层10站上海三菱13手术室三、四层 无机房客梯梯粤LXA563ELENESSA-825/1.0 无机房2 层2 站上海三菱14综合楼门诊病床电梯梯粤LXA569HOPE-IIB-1800/1.03 层3 站上海三菱15综合楼门诊1-2 层自动扶梯梯粤LXA565KS-B-1200/0.5上海三菱16综合楼门诊1-2 层自动扶梯梯粤LXA566KS-B-1200/0.5上海三菱17综合楼门诊2-3 层自动扶梯梯粤LXA564KS-B-1200/0.5上海三菱18综合楼门诊2-3 层自动扶梯梯粤LXA567KS-B-1200/0.5上海三菱19后勤楼曳引式客梯...

1、当您付费下载文档后,您只拥有了使用权限,并不意味着购买了版权,文档只能用于自身使用,不得用于其他商业用途(如 [转卖]进行直接盈利或[编辑后售卖]进行间接盈利)。
2、本站所有内容均由合作方或网友上传,本站不对文档的完整性、权威性及其观点立场正确性做任何保证或承诺!文档内容仅供研究参考,付费前请自行鉴别。
3、如文档内容存在违规,或者侵犯商业秘密、侵犯著作权等,请点击“违规举报”。

碎片内容

电梯维保服务用户需求书中大惠亚医院

文旅传媒+ 关注
实名认证
内容提供者

传播文化,成就未来

确认删除?
VIP
微信客服
  • 扫码咨询
会员Q群
  • 会员专属群点击这里加入QQ群
客服邮箱
回到顶部