电脑桌面
添加小米粒文库到电脑桌面
安装后可以在桌面快捷访问

砌石工程施工记录

砌石工程施工记录_第1页
1/30
砌石工程施工记录_第2页
2/30
砌石工程施工记录_第3页
3/30
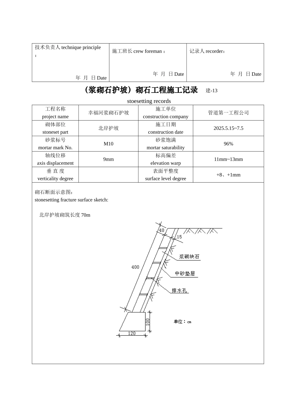
(浆砌石护坡)砌石工程施工记录 建-13stoesetting records 工程名称project name幸福河浆砌石护坡施工单位construction company管道第一工程公司砌体部位stoneset part南岸护坡施工日期construction date2025.5.15~7.5砂浆标号mortar mark No.M10砂浆饱满mortar saturability96%轴线位移axis displacement12mm标高偏差elevation warp11mm~15mm垂 直 度verticality degree表面平整度surface level degree+10、-8mm砌石断面示意图:stonesetting fracture surface sketch:南岸护坡砌筑长度 20m技术负责人 technique principle :年 月 日 Date施工班长 crew foreman :年 月 日 Date记录人 recorder:年 月 日 Date(浆砌石护坡)砌石工程施工记录 建-13stoesetting records 工程名称project name幸福河浆砌石护坡施工单位construction company管道第一工程公司砌体部位stoneset part北岸护坡施工日期construction date2025.5.15~7.5砂浆标号mortar mark No.M10砂浆饱满mortar saturability96%轴线位移axis displacement9mm标高偏差elevation warp11mm~13mm垂 直 度verticality degree表面平整度surface level degree+8、+1mm砌石断面示意图:stonesetting fracture surface sketch:北岸护坡砌筑长度 70m技术负责人 technique principle :年 月 日 Date施工班长 crew foreman :年 月 日 Date记录人 recorder:年 月 日 Date (挡土墙)砌石工程施工记录 建-13stoesetting records 工程名称project name河阳镇蓄水池挡土墙施工单位construction company管道第一工程公司砌体部位stoneset part挡土墙墙体施工日期construction date2025.6.11~7.18砂浆标号mortar mark No.M10砂浆饱满mortar saturability97%轴线位移axis displacement24mm标高偏差elevation warp15mm~26mm垂 直 度verticality degree+11、+2mm表面平整度surface level degree+9、-7mm砌石断面示意图:stonesetting fracture surface sketch:墙体1.35m2.2m0.2m0.4mC20 砼压顶Φ50 塑料排水管每 2m 一根0.2m0.3m3m管道技术负责人 technique principle :年 月 日 Date施工班长 crew foreman :年 月 日 Date记录人 recorder:年 月 日 Date(浆砌石护坡)砌石工程施工记录 建-13stoesetting records 工程名称project name泰山溢洪河浆砌石护坡施工单位const...

1、当您付费下载文档后,您只拥有了使用权限,并不意味着购买了版权,文档只能用于自身使用,不得用于其他商业用途(如 [转卖]进行直接盈利或[编辑后售卖]进行间接盈利)。
2、本站所有内容均由合作方或网友上传,本站不对文档的完整性、权威性及其观点立场正确性做任何保证或承诺!文档内容仅供研究参考,付费前请自行鉴别。
3、如文档内容存在违规,或者侵犯商业秘密、侵犯著作权等,请点击“违规举报”。

碎片内容

砌石工程施工记录

您可能关注的文档

确认删除?
VIP
微信客服
  • 扫码咨询
会员Q群
  • 会员专属群点击这里加入QQ群
客服邮箱
回到顶部